LEMON Manuals: Even more car manuals for everyone: 1960-2025
Home >> Acura >> 2006 >> TL V6-3.2L >> Repair and Diagnosis >> Diagrams >> Electrical Diagrams >> Powertrain Management >> System Diagram >> Control Module Circuit Diagrams >> ECM/PCM Circuit Diagrams
April 5, 2026: LEMON Manuals is launched! Read the announcement.

ECM/PCM Circuit Diagrams

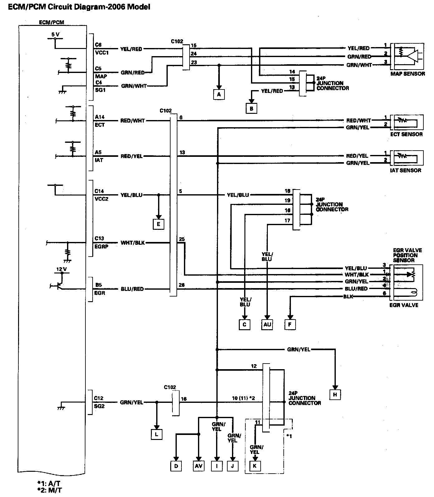
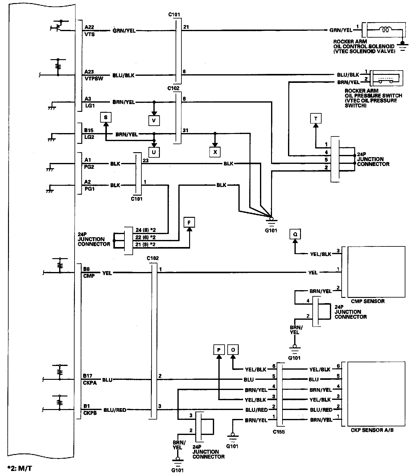
ECM/PCM Circuit Diagram 11-72:



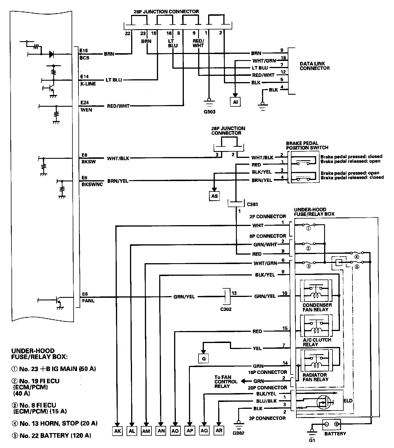
ECM/PCM Circuit Diagram 11-73:



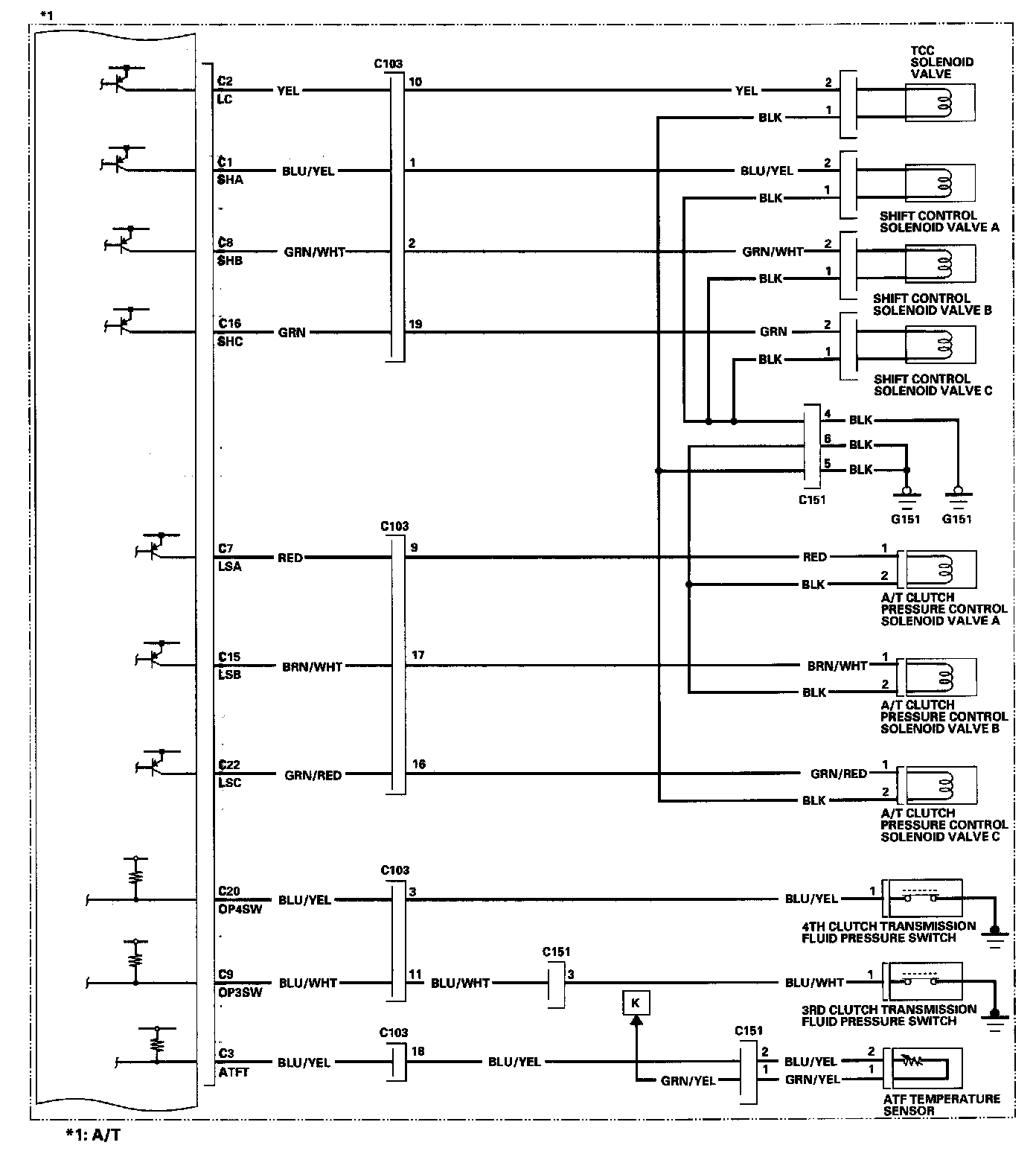
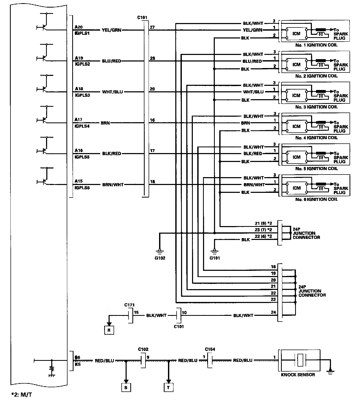
ECM/PCM Circuit Diagram 11-74:



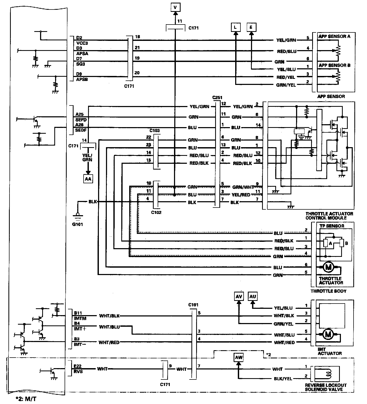
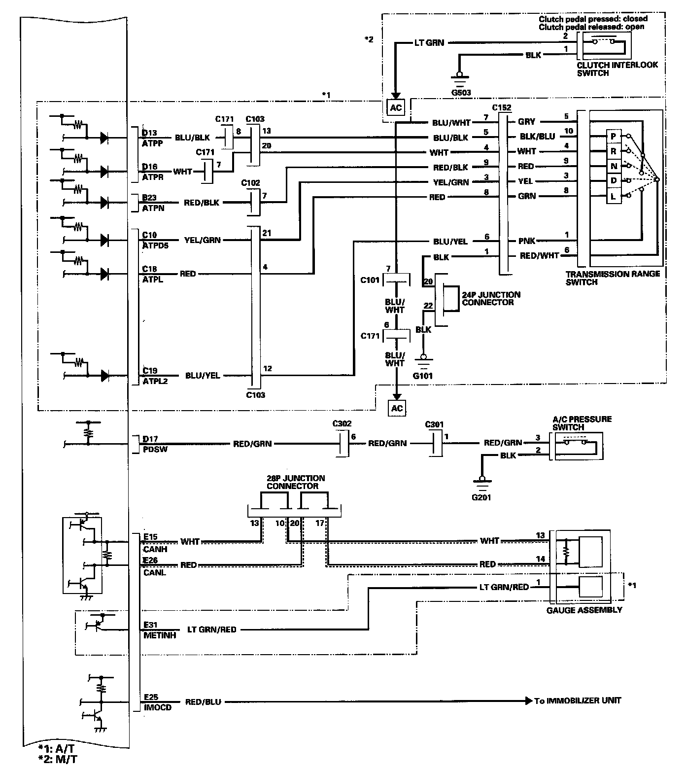
ECM/PCM Circuit Diagram 11-75:



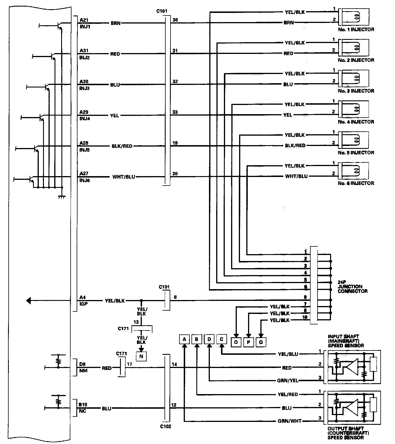
ECM/PCM Circuit Diagram 11-76:



ECM/PCM Circuit Diagram 11-77:



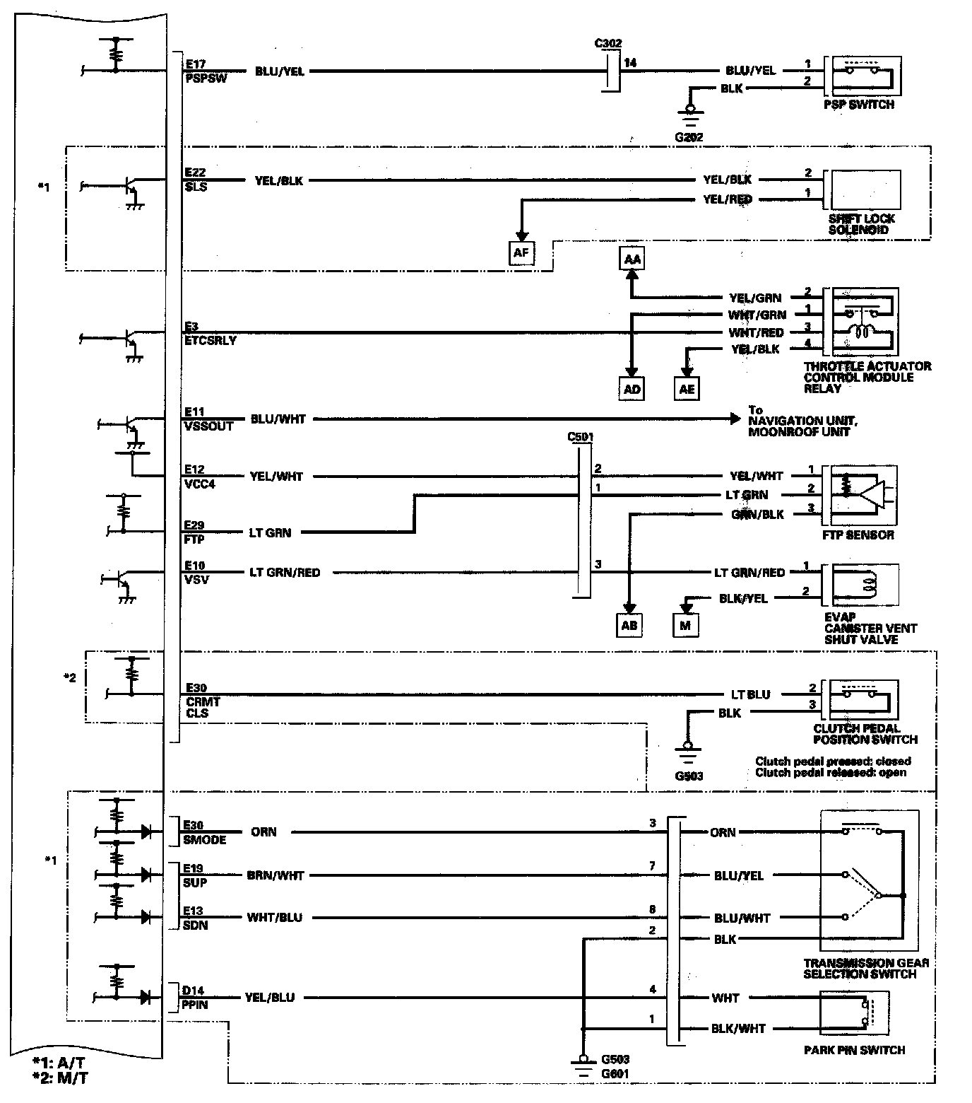
ECM/PCM Circuit Diagram 11-78:



ECM/PCM Circuit Diagram 11-79:



ECM/PCM Circuit Diagram 11-80:



ECM/PCM Circuit Diagram 11-81:



ECM/PCM Circuit Diagram 11-82: