LEMON Manuals: Even more car manuals for everyone: 1960-2025
Home >> Acura >> 2006 >> TSX Automatic >> Repair and Diagnosis >> Engine Performance >> System >> Advanced Diagnostics >> DTC P2552: Throttle Actuator Control Module Relay Malfunction >> Notes
April 5, 2026: LEMON Manuals is launched! Read the announcement.

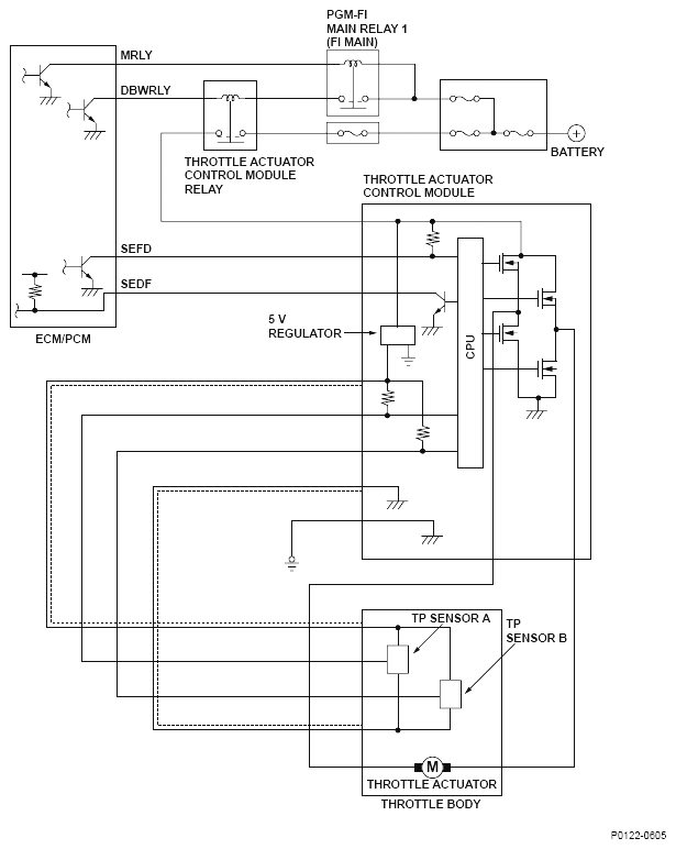
DTC P2552: Throttle Actuator Control Module Relay Malfunction: Notes

Fig 1: Throttle Position (TP) Sensor A - Circuit Diagram
G04845547