LEMON Manuals: Even more car manuals for everyone: 1960-2025
Home >> Acura >> 2007 >> CSX Type-S >> Repair and Diagnosis >> Engine Mechanical >> Mechanical >> Engine Assembly >> Engine Removal
April 5, 2026: LEMON Manuals is launched! Read the announcement.

Engine Removal

Special Tools Required 

* : Available through Honda Canada Inc. Technical Tools Department; FAX # 1-866-398-8665/e-mail: ch_technicaltools@ch.honda.com

NOTE:
  • Use fender covers to avoid damaging painted surfaces.
  • To avoid damaging the wire and terminals, unplug the wiring connectors carefully while holding the connector portion.
  • Mark all wiring and hoses to avoid misconnection. Also, be sure that they do not contact other wiring or hoses, or interfere with other parts.
  1. Make sure you have the anti-theft code for the audio system and the navigation system (it equipped).
  2. Secure the hood in the wide open position (support rod in the lower hole).
    Fig 1: Securing Hood In Wide Open Position
    G06264211Courtesy of AMERICAN HONDA MOTOR CO., INC.
  3. Relieve the fuel pressure (see FUEL PRESSURE RELIEVING ).
  4. Disconnect the negative cable from the battery first, then disconnect the positive cable.
  5. Remove the battery.
  6. Remove the air cleaner assembly (see AIR CLEANER REMOVAL/INSTALLATION ).
  7. Remove the under-cowl panel (see step 3 on MICU INPUT TEST ).
  8. Disconnect the connector (A), and remove the harness clamp (B), then remove the resonator (C).
    Fig 2: Identifying Resonator, Connector And Harness Clamp
    G06264212Courtesy of AMERICAN HONDA MOTOR CO., INC.
  9. Remove the battery cables (A) from the under-hood fuse/relay box.
    Fig 3: Removing Battery Cables From Under-Hood Fuse/Relay Box
    G06264213Courtesy of AMERICAN HONDA MOTOR CO., INC.
  10. Remove the harness clamp (B).
  11. Remove the engine control module (ECM)/powertrain control module (PCM) cover (A), then remove the three bolts (B) securing the ECM/PCM.
    Fig 4: Removing ECM/PCM Cover And Bolts
    G06264214Courtesy of AMERICAN HONDA MOTOR CO., INC.
  12. Disconnect the ECM/PCM connectors (A) and the engine wire harness connector (B).
    Fig 5: Disconnecting ECM/PCM Connectors And Engine Wire Harness Connector
    G06264215Courtesy of AMERICAN HONDA MOTOR CO., INC.
  13. Remove the harness clamps (C).
  14. A/T model: Remove the under-hood fuse/relay box (A) from the ECM/PCM bracket (B), then remove the ECM/PCM bracket.
    Fig 6: Removing Under-Hood Fuse/Relay Box From ECM/PCM Bracket
    G06264216Courtesy of AMERICAN HONDA MOTOR CO., INC.
  15. K20Z3 engine: Remove the engine cover.
    Fig 7: Removing Engine Cover
    G06264217Courtesy of AMERICAN HONDA MOTOR CO., INC.
  16. Remove the evaporative emission (EVAP) canister hose (A) and brake booster vacuum hose (B).
    Fig 8: Removing Evaporative Emission (EVAP) Canister Hose And Brake Booster Vacuum Hose
    G06264218Courtesy of AMERICAN HONDA MOTOR CO., INC.
  17. Remove the quick-connect fitting cover (A), then disconnect the fuel feed hose (see FUEL LINE/QUICK-CONNECT FITTING REMOVAL ).
    Fig 9: Removing Quick-Connect Fitting Cover
    G06264219Courtesy of AMERICAN HONDA MOTOR CO., INC.
  18. M/T model: Remove the shift cable (see step 9 on TRANSMISSION REMOVAL ).
  19. M/T model: Remove the clutch slave cylinder, and clutch line bracket mounting bolt (see step 7 on TRANSMISSION REMOVAL ).
  20. M/T model: Remove the air cleaner bracket.
    Fig 10: Removing Clutch Slave Cylinder And Clutch Line Bracket Mounting Bolt
    G06264220Courtesy of AMERICAN HONDA MOTOR CO., INC.
  21. Remove the drive belt (see DRIVE BELT REPLACEMENT ).
  22. Remove the idler pulley base (see step 2 on DRIVE BELT AUTO-TENSIONER REMOVAL/INSTALLATION ).
  23. Remove the radiator cap.
  24. Raise the vehicle on the lift to full height.
  25. Remove the front wheels.
  26. Remove the splash shield.
    Fig 11: Identifying Splash Shield And Bolts
    G06264221Courtesy of AMERICAN HONDA MOTOR CO., INC.
  27. Loosen the drain plug in the radiator, and drain the engine coolant (see COOLANT REPLACEMENT ).
  28. Drain the engine oil (see ENGINE OIL REPLACEMENT ).
  29. Drain the transmission fluid:
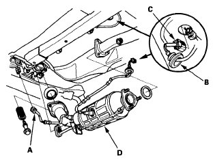
  30. Disconnect the air fuel ratio (A/F) sensor connector (A).
    Fig 12: Disconnecting Air Fuel Ratio (A/F) Sensor Connector
    G06264222Courtesy of AMERICAN HONDA MOTOR CO., INC.
  31. Remove the grommet (B), then disconnect the secondary heated oxygen sensor (secondary HO2S) connector (C).
  32. Remove the three way catalytic converter (TWC) (D).
  33. A/T model: Remove the shift cable (see step 40 on TRANSMISSION REMOVAL ).
  34. Separate the stabilizer links (see STABILIZER LINK REMOVAL/INSTALLATION ).
  35. Separate the knuckles from the lower arms (see step 7 on REMOVAL/INSTALLATION ).
  36. Remove the driveshafts (see step 9 on DRIVESHAFT REMOVAL ). Coat all precision-finished surfaces with clean engine oil. Tie plastic bags over the driveshaft ends.
  37. Remove the steering gearbox bracket (A).
    Fig 13: Removing Steering Gearbox Bracket And Bolts
    G06264223Courtesy of AMERICAN HONDA MOTOR CO., INC.
  38. Remove the steering gearbox mounting bolt (B), stiffener mounting bolt (C), and stiffener (D).
  39. Remove the steering gearbox mounting bolt (A), stiffener mounting bolt (B), and stiffener (C).
    Fig 14: Identifying Steering Gearbox Mounting Bolt, Stiffener Mounting Bolt And Stiffener
    G06264224Courtesy of AMERICAN HONDA MOTOR CO., INC.
  40. Remove the harness clamp (D) from the subframe.
  41. Disconnect the A/C compressor clutch connector (A), then remove the A/C compressor (B) without disconnecting the A/C hoses.
    Fig 15: Identifying A/C Compressor Clutch Connector And Bolts
    G06264225Courtesy of AMERICAN HONDA MOTOR CO., INC.
  42. Lower the vehicle on the lift.
  43. Remove the radiator (see RADIATOR AND FAN REPLACEMENT ).
  44. A/T model: Remove the automatic transmission fluid (ATF) cooler hoses from the transmission, then plug the line and hose.
    Fig 16: Removing Automatic Transmission Fluid (ATF) Cooler Hoses From Transmission
    G06264226Courtesy of AMERICAN HONDA MOTOR CO., INC.
  45. Remove the heater hoses.
    Fig 17: Removing Heater Hoses
    G06264227Courtesy of AMERICAN HONDA MOTOR CO., INC.
  46. Install the bulkhead (see step 13 on RADIATOR AND FAN REPLACEMENT ), then apply body paint to the bulkhead mounting bolts.
  47. Attach the special tool to the threaded hole in the cylinder head.
    Fig 18: Attaching Special Tool To Threaded Hole In Cylinder Head
    G06264228Courtesy of AMERICAN HONDA MOTOR CO., INC.
  48. Install the front leg assembly (A), hook (8), and wing nut (C) from an A and Reds engine support hanger (AAR-T-12566) onto the engine hanger. Carefully position the engine hanger on the vehicle, and attach the hook to the forward hole in the engine hanger adapter (D). Tighten the wing nut by hand to lift and support the engine/transmission assembly.
    NOTE: Be careful when working around the windshield.
    Fig 19: Installing Front Leg Assembly With Hook And Wing Nut
    G06264229Courtesy of AMERICAN HONDA MOTOR CO., INC.
  49. Raise the vehicle on the lift to full height.
  50. Remove the lower torque rod.

    M/T 

    Fig 20: Removing Lower Torque Rod (M/T)
    G06264230Courtesy of AMERICAN HONDA MOTOR CO., INC.

    A/T 

    Fig 21: Removing Lower Torque Rod (A/T)
    G06264231Courtesy of AMERICAN HONDA MOTOR CO., INC.
  51. M/T model: Remove the front mount mounting bolt.
    Fig 22: Identifying Front Mount Mounting Bolt
    G06264232Courtesy of AMERICAN HONDA MOTOR CO., INC.
  52. Note the reference marks (A) on both sides of the subframe that line up with the body (B).
    Fig 23: Identifying Reference Marks On Both Sides Of Subframe Line Up With Body
    G06264233Courtesy of AMERICAN HONDA MOTOR CO., INC.
  53. Loosen the mid-stiffener mounting bolts (A) on both sides.
    Fig 24: Identifying Mid-Stiffener Mounting Bolts On Both Sides
    G06264234Courtesy of AMERICAN HONDA MOTOR CO., INC.
  54. Attach the front subframe adapter (VSB02C000016) to the subframe by looping the strap (A) over the front of the subframe, then secure the strap with the stop (B), then tighten the wing nut (C).
    Fig 25: Attaching Front Subframe Adapter To Subframe By Looping Strap Over Front Of Subframe
    G06264235Courtesy of AMERICAN HONDA MOTOR CO., INC.
  55. Raise the jack and line up the slots in the arms with the bolt holes on the corner of the jack base, then tighten the bolts.
  56. Remove the subframe.
    Fig 26: Identifying Subframe And Bolts
    G06264236Courtesy of AMERICAN HONDA MOTOR CO., INC.
  57. Lower the vehicle on the lift.
  58. A/T model: Remove the transmission mount.
    Fig 27: Identifying Transmission Mount And Bolts
    G06264237Courtesy of AMERICAN HONDA MOTOR CO., INC.
  59. A/T model: Remove the ground cable (A), then remove the transmission mount bracket (B).
    Fig 28: Identifying Ground Cable And Transmission Mount Bracket Bolts
    G06264238Courtesy of AMERICAN HONDA MOTOR CO., INC.
  60. A/T model: Install the transmission hanger bracket (P/N 21232-RCT-A00) (A) and washer (B) on the transmission.
    Fig 29: Identifying Transmission Hanger Bracket And Washer On Transmission
    G06264239Courtesy of AMERICAN HONDA MOTOR CO., INC.
  61. Install the special tool.
    Fig 30: Identifying Special Tool
    G06264240Courtesy of AMERICAN HONDA MOTOR CO., INC.
  62. Attach a chain hoist (A) to the special tool (B), and the transmission hook (C). Lift up on the engine/transmission assembly until it's securely supported by the chain hoist, and remove the engine hanger.
    Fig 31: Attaching Chain Hoist To Special Tool
    G06264241Courtesy of AMERICAN HONDA MOTOR CO., INC.
  63. Remove the side engine mount bracket mounting bolt and nut.
    Fig 32: Identifying Side Engine Mount Bracket Mounting Bolt And Nut
    G06264242Courtesy of AMERICAN HONDA MOTOR CO., INC.
  64. M/T model: Remove the transmission mount bracket mounting bolt and nuts.
    Fig 33: Identifying Transmission Mount Bracket Mounting Bolt And Nuts
    G06264243Courtesy of AMERICAN HONDA MOTOR CO., INC.
  65. Check that the engine/transmission is completely free of vacuum hoses, fuel and coolant hoses, and electrical wiring.
  66. Slowly lower the engine/transmission assembly about 150 mm (6 in.). Check once again that all hoses and electrical wiring are disconnected and free from the engine/transmission, then lower it all the way.
  67. Disconnect the chain hoist from the engine/transmission assembly.
  68. Raise the vehicle all the way on the lift, and remove the engine/transmission assembly from under the vehicle.