LEMON Manuals: Even more car manuals for everyone: 1960-2025
Home >> Acura >> 2007 >> CSX Type-S >> Repair and Diagnosis >> External Pages >> Different car >> Section 72 (Entry Lights Control System) >> Circuit Diagram
April 5, 2026: LEMON Manuals is launched! Read the announcement.

Circuit Diagram

WARNING: This page is about a different car, the 2011 Acura TL, 2010 Acura TL, and 2009 Acura TL. However, it is still accessible from the selected car via links, so may be relevant.
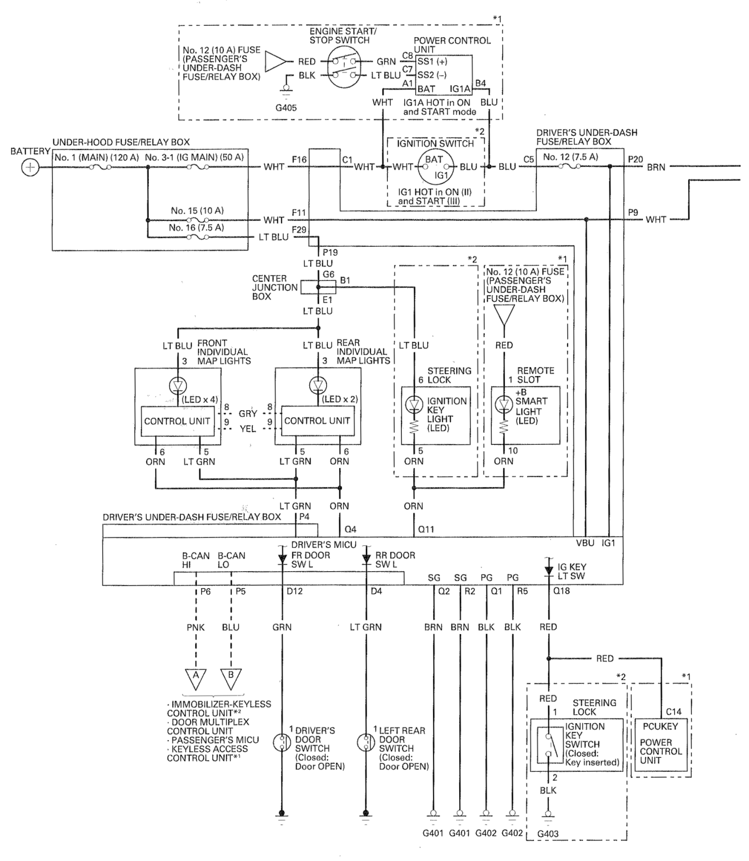
Fig 1: Entry Lights Control System - Circuit Diagram (1 Of 2)
G05988985Courtesy of AMERICAN HONDA MOTOR CO., INC.
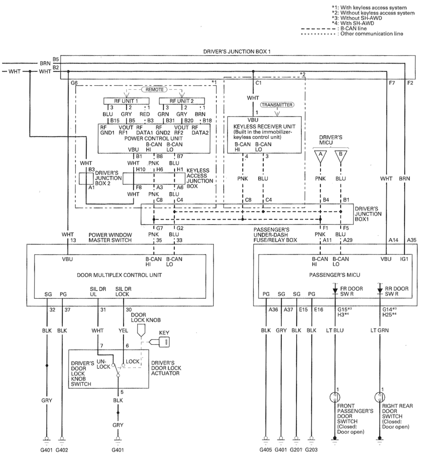
Fig 2: Entry Lights Control System - Circuit Diagram (2 Of 2)
G05988986Courtesy of AMERICAN HONDA MOTOR CO., INC.