LEMON Manuals: Even more car manuals for everyone: 1960-2025
Home >> Acura >> 2007 >> CSX Type-S >> Repair and Diagnosis >> External Pages >> Different car >> Section 80 (Keyless Access System) >> Circuit Diagram
April 5, 2026: LEMON Manuals is launched! Read the announcement.

Circuit Diagram

WARNING: This page is about a different car, the 2010 Acura TL and 2009 Acura TL. However, it is still accessible from the selected car via links, so may be relevant.
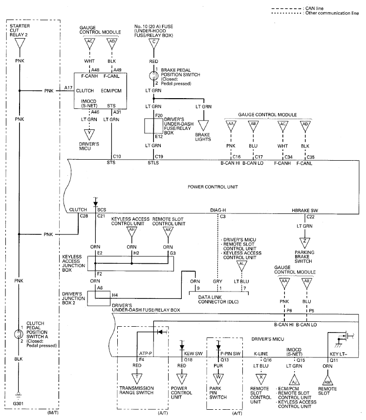
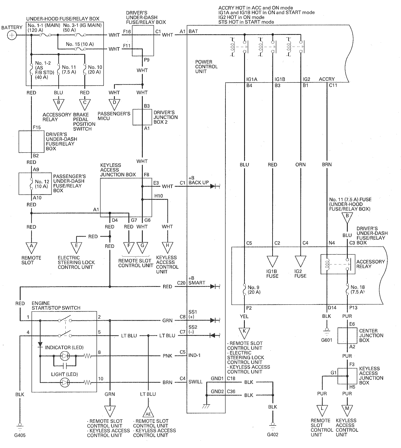
Fig 1: Keyless Access System - Circuit Diagram (1 Of 7)
G06680295Courtesy of AMERICAN HONDA MOTOR CO., INC.
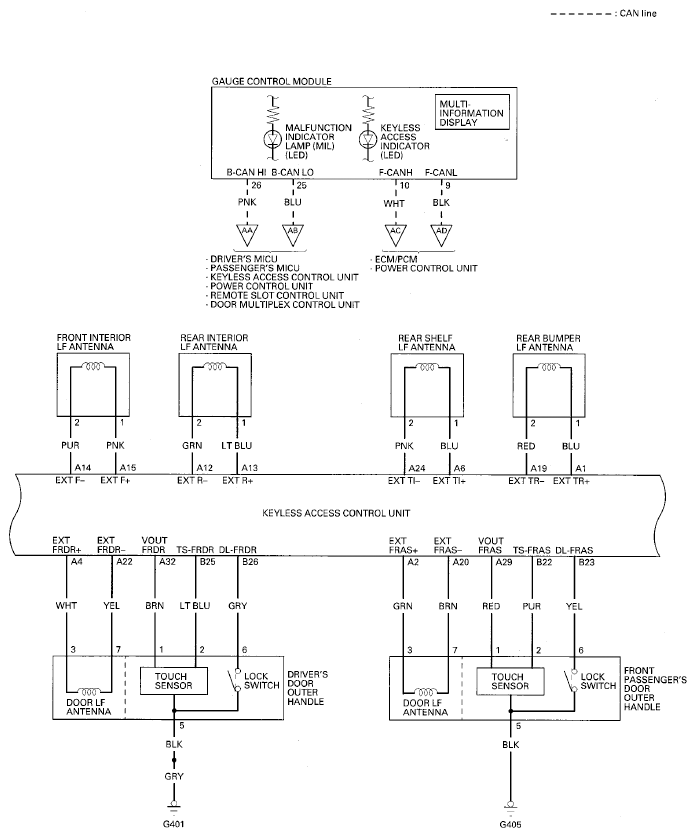
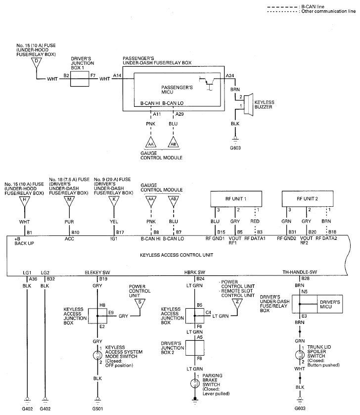
Fig 2: Keyless Access System - Circuit Diagram (2 Of 7)
G06680296Courtesy of AMERICAN HONDA MOTOR CO., INC.
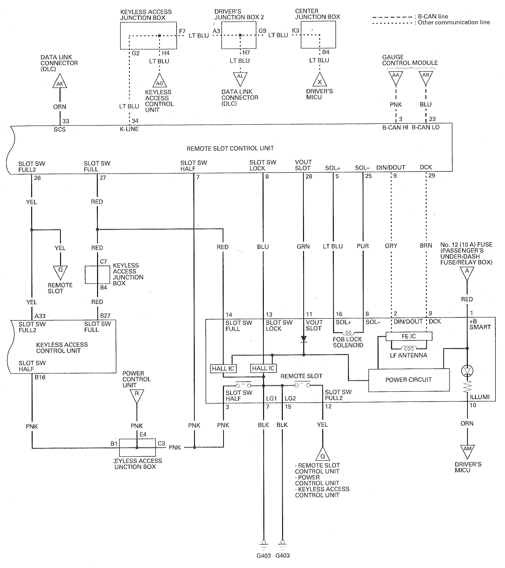
Fig 3: Keyless Access System - Circuit Diagram (3 Of 7)
G06680297Courtesy of AMERICAN HONDA MOTOR CO., INC.
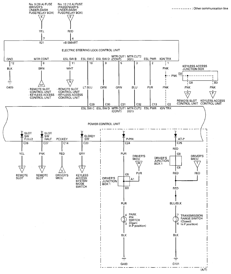
Fig 4: Keyless Access System - Circuit Diagram (4 Of 7)
G06680298Courtesy of AMERICAN HONDA MOTOR CO., INC.
Fig 5: Keyless Access System - Circuit Diagram (5 Of 7)
G06680299Courtesy of AMERICAN HONDA MOTOR CO., INC.
Fig 6: Keyless Access System - Circuit Diagram (6 Of 7)
G06680300Courtesy of AMERICAN HONDA MOTOR CO., INC.
Fig 7: Keyless Access System - Circuit Diagram (7 Of 7)
G06680301Courtesy of AMERICAN HONDA MOTOR CO., INC.