LEMON Manuals: Even more car manuals for everyone: 1960-2025
Home >> Acura >> 2007 >> MDX V6-3.7L >> Repair and Diagnosis >> Body and Frame >> Seats >> Memory Positioning Systems >> Diagrams >> Electrical Diagrams >> Driving Position Memory System (DPMS) Circuit Diagram
April 5, 2026: LEMON Manuals is launched! Read the announcement.

Driving Position Memory System (DPMS) Circuit Diagram

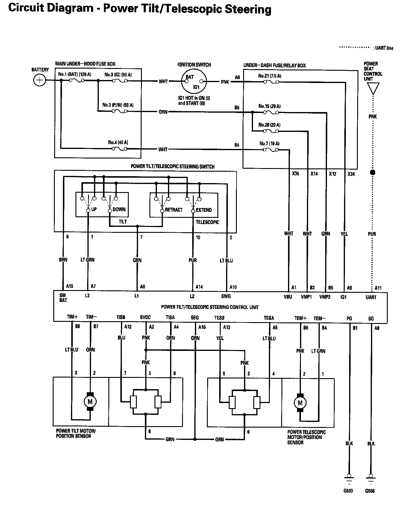
Driving Position Memory System (DPMS) Circuit Diagram - Power Tilt/Telescopic Steering:



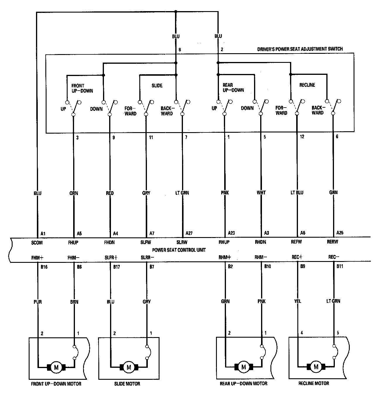
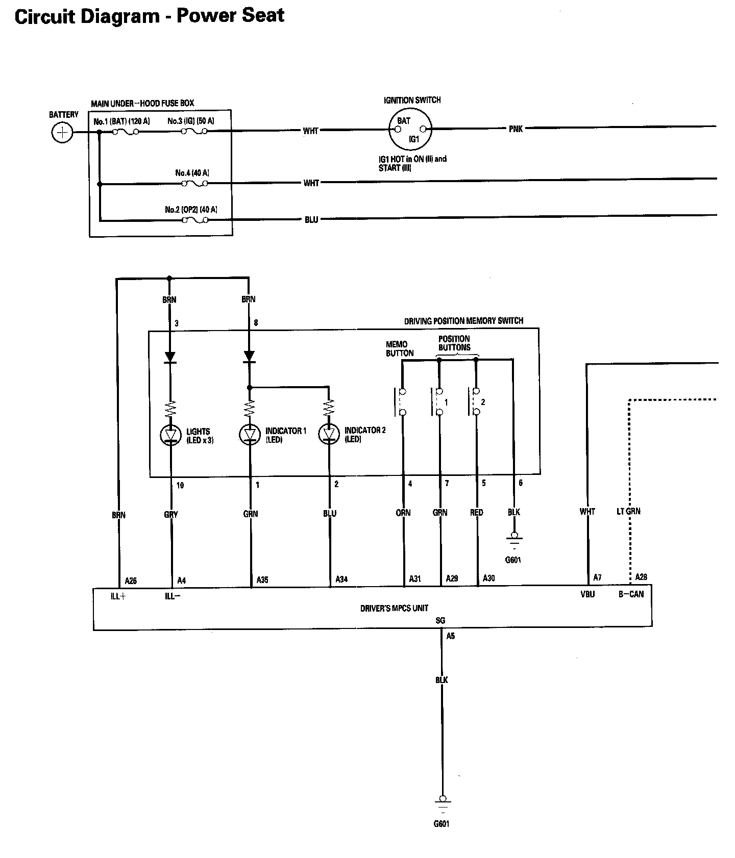
Driving Position Memory System (DPMS) Circuit Diagram - Power Seat Part 1:



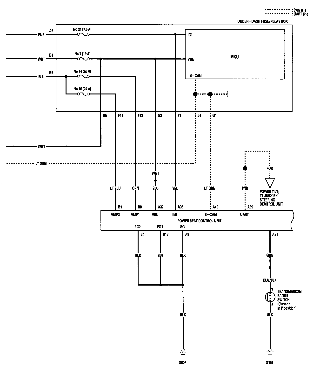
Driving Position Memory System (DPMS) Circuit Diagram - Power Seat Part 2:



Driving Position Memory System (DPMS) Circuit Diagram - Power Seat Part 3:



Driving Position Memory System (DPMS) Circuit Diagram - Power Seat Part 4:



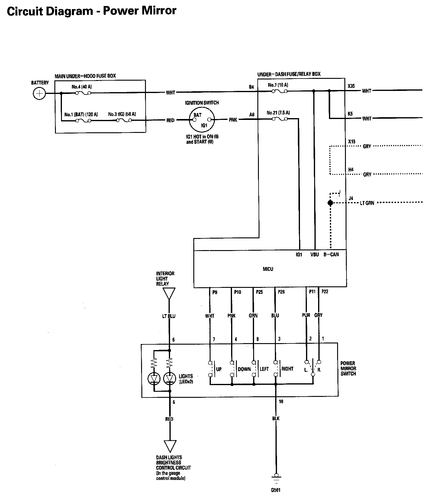
Driving Position Memory System (DPMS) Circuit Diagram - Power Mirror Part 1:



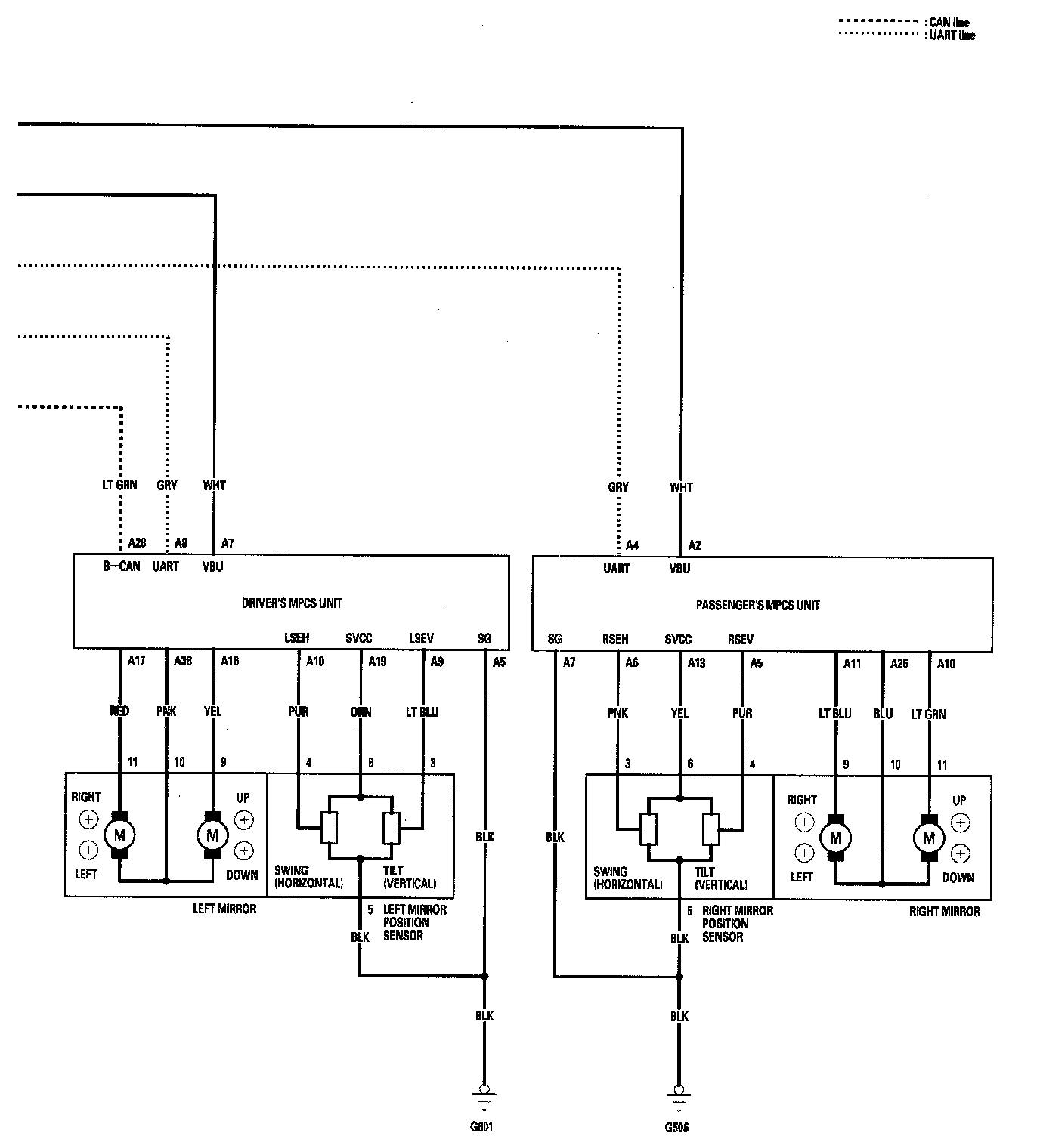
Driving Position Memory System (DPMS) Circuit Diagram - Power Mirror Part 2: