LEMON Manuals: Even more car manuals for everyone: 1960-2025
Home >> Acura >> 2007 >> MDX V6-3.7L >> Repair and Diagnosis >> Diagrams >> Connector Views >> Navigation System >> System Diagram
April 5, 2026: LEMON Manuals is launched! Read the announcement.

System Diagram

Navigation Unit Inputs And Outputs For Connector A (20P) Part 1:



Navigation Unit Inputs And Outputs For Connector A (20P) Part 2:



Navigation Unit Inputs And Outputs For Connector B (14P):



Navigation Unit Inputs And Outputs For Connector C (8P):



Navigation Unit Inputs And Outputs For Connector D (7P):



Navigation Unit Inputs And Outputs For Connector E (2P):



Navigation Unit Inputs And Outputs For Connector F (5P):



Navigation Display Unit Inputs And Outputs For 20P Connector:



Rearview Camera Inputs And Outputs For 6P Connector:



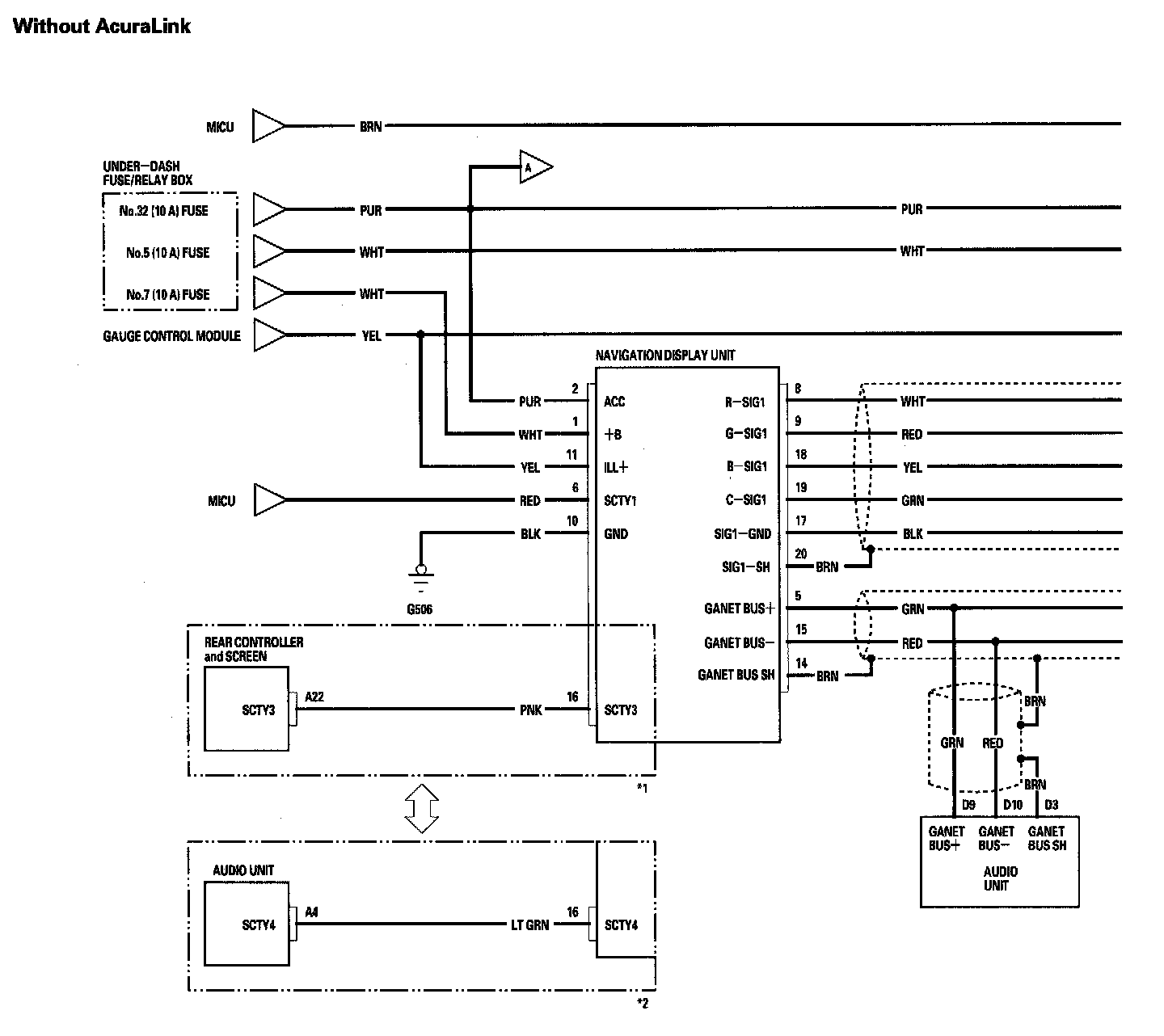
Navigation System Circuit Diagram Part 1:



Navigation System Circuit Diagram Part 2:



Navigation System Circuit Diagram Part 3:



Navigation System Circuit Diagram Part 4:



Navigation System Circuit Diagram Part 5: