LEMON Manuals: Even more car manuals for everyone: 1960-2025
Home >> Acura >> 2007 >> MDX V6-3.7L >> Repair and Diagnosis >> Powertrain Management >> Computers and Control Systems >> Information Bus >> Diagrams >> Electrical Diagrams >> Multiplex Integrated Control System Circuit Diagram
April 5, 2026: LEMON Manuals is launched! Read the announcement.

Multiplex Integrated Control System Circuit Diagram

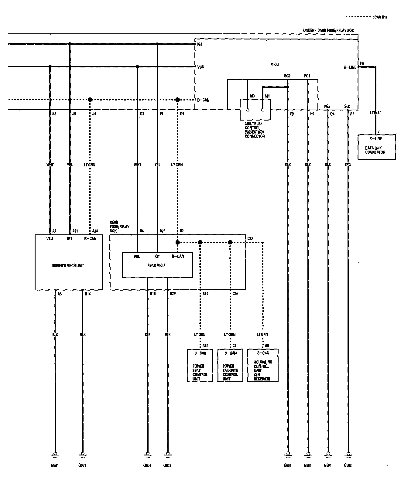
Multiplex Control System Circuit Diagram Part 1:



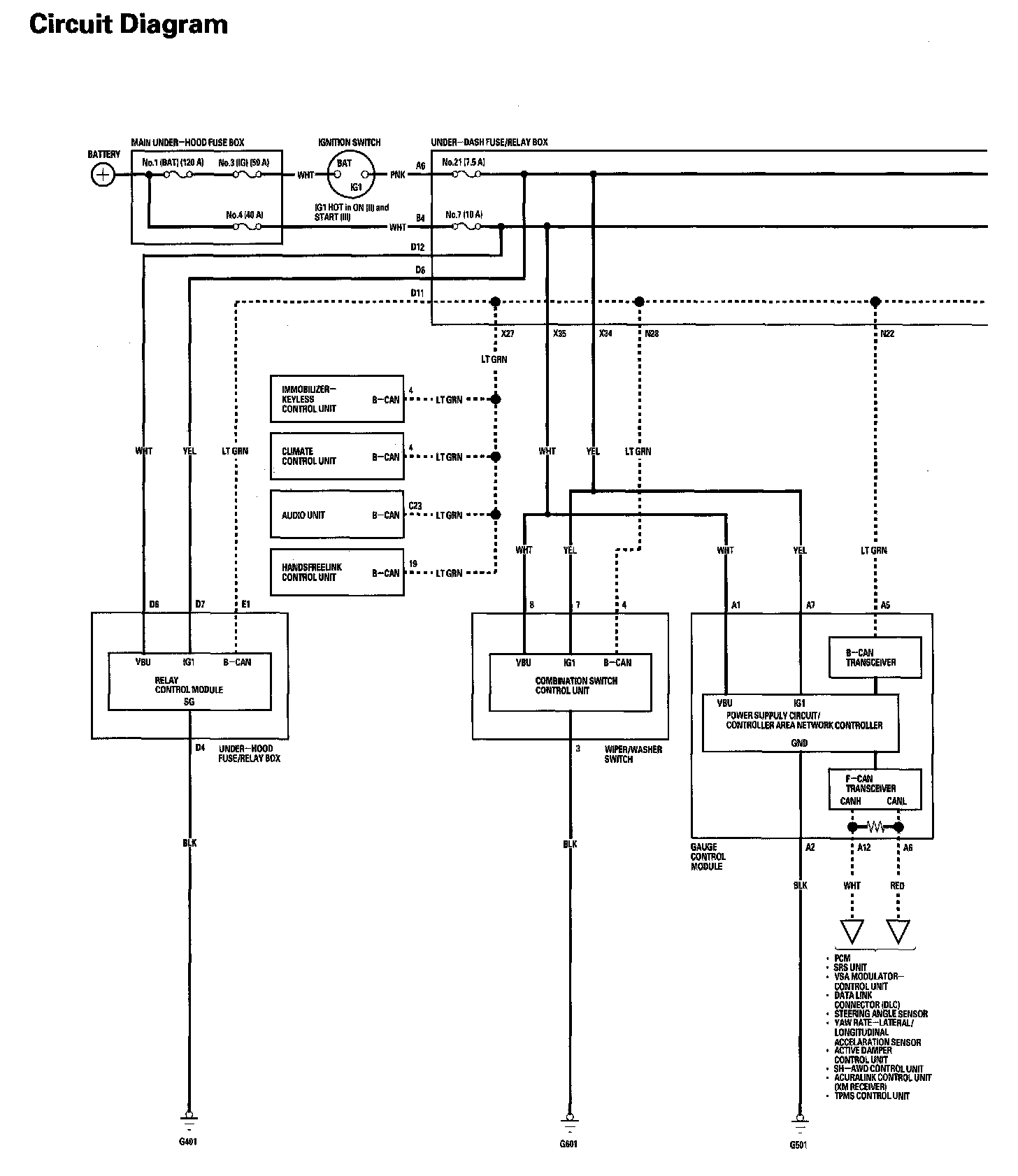
Multiplex Control System Circuit Diagram Part 2: