LEMON Manuals: Even more car manuals for everyone: 1960-2025
Home >> Acura >> 2007 >> MDX >> Repair and Diagnosis >> Engine Performance >> System >> Advanced Diagnostics >> DTC P0339: Crankshaft Position (CKP) Sensor A Circuit Intermittent Interruption (PGM-FI System) >> Notes
April 5, 2026: LEMON Manuals is launched! Read the announcement.

DTC P0339: Crankshaft Position (CKP) Sensor A Circuit Intermittent Interruption (PGM-FI System): Notes

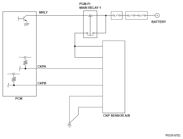
Fig 1: Crankshaft Position (CKP) Sensor A - Circuit Diagram
G04835872