LEMON Manuals: Even more car manuals for everyone: 1960-2025
Home >> Acura >> 2007 >> RDX >> Repair and Diagnosis >> Engine Performance >> Ignition System >> Circuit Diagram
April 5, 2026: LEMON Manuals is launched! Read the announcement.

Circuit Diagram

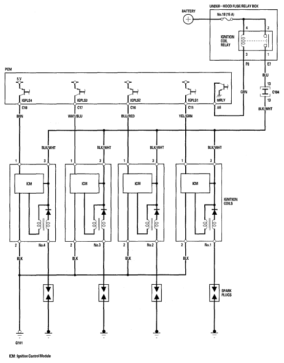
Fig 1: Ignition System Circuit Diagram
G05444268Courtesy of AMERICAN HONDA MOTOR CO., INC.