LEMON Manuals: Even more car manuals for everyone: 1960-2025
Home >> Acura >> 2007 >> RDX >> Repair and Diagnosis >> Engine Performance >> System >> Advanced Diagnostics >> DTC P1745: Problem in Shift Control System; Servo Control Valve Stuck OFF or Servo Control Valve Stuck OFF >> Notes
April 5, 2026: LEMON Manuals is launched! Read the announcement.

DTC P1745: Problem in Shift Control System; Servo Control Valve Stuck OFF or Servo Control Valve Stuck OFF: Notes

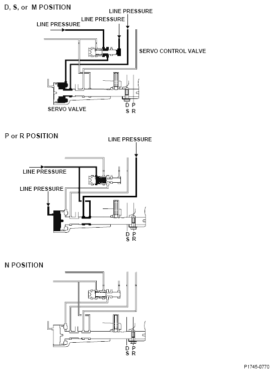
Fig 1: DTC P1745 Shift Control System Positions
G04836445
Fig 2: Gear Position Vs Shift Status Graph
G04836446

Hydraulic pressure supply to the clutch by shift solenoid valve output (D position)

Fig 3: Shift Solenoid Valve Output (D Position)
G04836447