LEMON Manuals: Even more car manuals for everyone: 1960-2025
Home >> Acura >> 2007 >> RDX >> Repair and Diagnosis >> Transmission >> Automatic Trans >> Automatic Transmission >> Transmission Reassembly >> Exploded View
April 5, 2026: LEMON Manuals is launched! Read the announcement.

Exploded View

Bolt Tightening Torque 

6 x 1.0 mm: 12 N.m (1.2 kgf.m, 8.7 lbf.ft) 

8 x 1.25 mm: 18 N.m (1.8 kgf.m, 13 lbf.ft) 

Fig 1: Exploded View Of Transmission
G05445468Courtesy of AMERICAN HONDA MOTOR CO., INC.

Special Tools Required 

Mainshaft holder 07GAB-PF50101

  1. Make sure that the ATF magnet is cleaned and installed in the torque converter housing. Clean and install the ATF magnet, if necessary.
  2. Install the main separator plate and the two dowel pins on the torque converter housing. Then install the ATF pump drive gear (A), the driven gear (B), and the ATF pump driven gear shaft (C). Install the ATF pump driven gear with its grooved and chamfered side facing down.
    Fig 2: Installing Main Separator Plate And Dowel Pins On Torque Converter Housing
    G05445469Courtesy of AMERICAN HONDA MOTOR CO., INC.
  3. Install the torque converter check valve spring and the valve in the torque converter housing.
  4. Install the main valve body (seven 6 mm bolts and three 8 mm bolts). Make sure the ATF pump drive gear (A) rotates smoothly in the normal operating direction, and the ATF pump driven gear shaft (B) moves smoothly in the axial and normal operating direction.
    Fig 3: Installing Torque Converter Check Valve Spring And Valve In Torque Converter Housing
    G05445470Courtesy of AMERICAN HONDA MOTOR CO., INC.
  5. If the ATF pump drive gear and ATF pump driven gear shaft do not move smoothly, loosen the main valve body bolts. Realign the ATF pump driven gear shaft, and retighten the bolts to the specified torques, then recheck. Failure to align the ATF pump driven gear shaft correctly will result in a seized ATF pump drive gear or ATF pump driven gear shaft.
  6. Install the lubrication check valve, cooler check valve and cooler check valve spring in the main valve body. Install the lubrication check valve in the direction shown in the exploded view.
  7. Install the secondary separator plate and the two dowel pins on the main valve body, and install the secondary valve body (one bolt).
  8. Install the two check balls in the secondary valve body.
  9. Install the accumulator separator plate and the two dowel pins on the secondary valve body.
  10. Position the detent arm on the accumulator separator plate, and install the detent arm shaft into the detent arm through the separator plates to the main valve body.
  11. Install the 8 x 62 mm ATF feed pipe in the main valve body, and install the/accumulator body (11 bolts).
  12. Install the regulator separator plate and the two dowel pins on the main valve body.
  13. Install the stator shaft with a new O-ring) arid install the regulator valve body (eight bolts).
  14. Install the stator shaft stop in the main valve body.
  15. Install the ATF strainer with a new O-ring (two bolts).
  16. Install the ATF passage pipe (one bolt) in the torque converter housing.
  17. Install the intermediary shaft (A) into the main valve body, and install the 26.5 mm washer (B) on the top of the intermediary shaft.
    Fig 4: Installing Intermediary Shaft Into Main Valve Body With Torque Specifications
    G05445471Courtesy of AMERICAN HONDA MOTOR CO., INC.
  18. Install the transfer output shaft (C) in the torque converter housing, and install the thrust shim (D) on the top of the transfer output shaft.
  19. Install the differential assembly (E) in the torque converter housing.
  20. Install the baffle plate (F), and make sure the differential is clear of the baffle plate.
  21. Install the baffle plate (G), and make sure the intermediary shaft is clear of the baffle plate.
  22. Install the selector control shaft and the park lever link (H).
  23. Assemble the mainshaft, the countershaft, and the secondary shaft.
  24. Install the needle bearing (A) on the secondary shaft roller bearing in the torque converter housing.
    Fig 5: Installing Needle Bearing On Secondary Shaft Roller Bearing In Torque Converter Housing
    G05445472Courtesy of AMERICAN HONDA MOTOR CO., INC.
  25. Turn the shift fork shaft (B) so the large chamfered hole is facing the fork bolt hole of the shift fork.
  26. Engage the shift fork (C) with the reverse selector on the countershaft, and join the mainshaft (D), countershaft (E), and the secondary shaft (F), then install them in the torque converter housing and shift fork on the shift fork shaft.
  27. Secure the shift fork (A) to the shift fork shaft with the lock bolt and a new lock washer (B), then bend the lock tab of the lock washer against the bolt head.
    Fig 6: Securing Shift Fork To Shift Fork Shaft With Torque Specifications
    G05445473Courtesy of AMERICAN HONDA MOTOR CO., INC.
  28. Install the park pawl shaft (A), the pawl spring (B), the park pawl (C), and the park pawl stop (D).
    Fig 7: Installing Park Pawl Shaft, Pawl Spring, Park Pawl, And Park Pawl Stop
    G05445474Courtesy of AMERICAN HONDA MOTOR CO., INC.
  29. Align the control lever pin with the manual valve guide.
    Fig 8: Aligning Control Lever Pin With Manual Valve Guide
    G05445475Courtesy of AMERICAN HONDA MOTOR CO., INC.
  30. Hook the detent arm spring to the detent arm.
    Fig 9: Hooking Detent Arm Spring To Detent Arm
    G05445476Courtesy of AMERICAN HONDA MOTOR CO., INC.
  31. Install the 8 x 85 mm ATF feed pipe (A), the 8 x 151.5 mm pipes (B), and the 8 x 40 mm pipe (C) in the accumulator body.
    Fig 10: Installing ATF Feed Pipe In Accumulator Body
    G05445477Courtesy of AMERICAN HONDA MOTOR CO., INC.
  32. Install the 8 x 57.5 mm ATF feed pipe (A) and the 10 x 123 mm pipe (B) in the torque converter housing.
    Fig 11: Installing ATF Feed Pipe And 10 X 123 Mm Pipe In Torque Converter Housing
    G05445478Courtesy of AMERICAN HONDA MOTOR CO., INC.
  33. Install the two dowel pins (A) and the new gasket (B) on the torque converter housing (C).
    Fig 12: Installing Dowel Pins And Gasket On Torque Converter Housing
    G05445479Courtesy of AMERICAN HONDA MOTOR CO., INC.
  34. Place the transmission housing (D) on the torque converter housing.
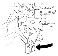
  35. Wrap a screwdriver tip with tape to prevent damage to the reverse idler gear teeth. Engage the reverse idler gear with the reverse gears by rotating the idler gear with the screwdriver.
    Fig 13: Placing Transmission Housing On Torque Converter Housing
    G05445480Courtesy of AMERICAN HONDA MOTOR CO., INC.
  36. While expanding the snap ring of the countershaft bearing with snap ring pliers, install the transmission housing onto the bearing part-way. Then release the snap ring pliers, and push down on the housing until it bottoms and the snap ring snaps into place in the transmission housing snap ring groove.
    Fig 14: Installing Transmission Housing Onto Bearing Part-Way
    G05445481Courtesy of AMERICAN HONDA MOTOR CO., INC.
  37. Install the transmission housing mounting bolts (A) (21 bolts) along with the transmission hanger (B) and the transmission ground terminal bracket (C), and tighten the bolts in at least two steps in a crisscross pattern to 44 N.m (4.5 kgf.m, 33 lbf.ft).
    Fig 15: Installing Transmission Housing Mounting Bolts Along With Transmission Hanger With Torque Specifications
    G05445482Courtesy of AMERICAN HONDA MOTOR CO., INC.
  38. Install and tighten the two mounting bolts (D) to 39 N.m (4.0 kgf.m, 29 lbf.ft). Keep the mounting bolts free of grease or oil.
  39. Install and tighten the special bolt (E) to 64 N.m (6.5 kgf.m, 47 lbf.ft).
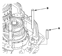
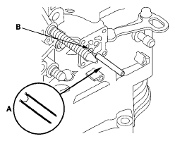
  40. Install the mainshaft holder onto the mainshaft.
    Fig 16: Installing Special Tool Onto Mainshaft
    G05445483Courtesy of AMERICAN HONDA MOTOR CO., INC.
  41. Install the new lock washer (A) with the marked side (B) up over the mainshaft (C), and apply ATF to the surfaces of the lock washer and old locknut (D).
    Fig 17: Installing Lock Washer With Marked Side Up Over Mainshaft
    G05445484Courtesy of AMERICAN HONDA MOTOR CO., INC.
  42. Install the old locknut, and tighten it to seat the lock washer to 178 N.m (18.2 kgf.m, 132 lbf.ft), then remove the old locknut.
  43. Install the new locknut and tighten it to 176 N.m (18.2 kgf.m, 132 lbf-ft); then stake the locknut to a depth (A) of 0.7-1.3 mm (0.03-0.05 in.) using a 3.5 mm punch (B).
    Fig 18: Staking Locknut
    G05445485Courtesy of AMERICAN HONDA MOTOR CO., INC.
  44. Install the end cover (A), the dowel pin (B), and a new O-ring (C).
    Fig 19: Installing End Cover, Dowel Pin, And CD-Ring With Torque Specifications
    G05445486Courtesy of AMERICAN HONDA MOTOR CO., INC.
  45. Install the snap ring cap (D) with a new O-ring (E).
  46. Apply thread lock sealant to the threads of the sealing plug (F), and install the sealing plug and a new sealing washer (G).
  47. Install a new O-ring (E) on the solenoid harness connector (F).
    Fig 20: Installing Solenoid With Torque Specifications
    G05445487Courtesy of AMERICAN HONDA MOTOR CO., INC.
  48. Route the solenoid harness through the transmission housing, and install the solenoid harness connector.
  49. Connect the harness terminals to the solenoid:
    • GRN wire connector to shift solenoid valve C.
    • YEL wire connector to shift solenoid valve A.
    • RED wire connector to shift solenoid valve B.
    • ORN wire connector to shift solenoid valve D.
  50. Secure the solenoid harness connector with the bolt on the transmission housing.
  51. Install the solenoid valve cover (A) with the two dowel pins (B) and a new gasket (C), and secure it with the seven bolts.
    Fig 21: Installing Solenoid Valve Cover With Dowel Pins And Gasket With Torque Specifications
    G05445488Courtesy of AMERICAN HONDA MOTOR CO., INC.
  52. Place a new gasket (A) on the solenoid valve cover, then install the 8 x 105.8 mm ATF feed pipe (B) and the 8 x 58.3 mm pipes (C) with their filter side into the transmission housing.
    Fig 22: Installing ATF Feed Pips And 58.3 Mm Pipes Into Transmission Housing
    G05445489Courtesy of AMERICAN HONDA MOTOR CO., INC.
  53. Install new O-rings (D) over the ATF feed pipes, and install A/T clutch pressure control solenoid valves A and B(E).
  54. Install the 8 x 53 mm ATF joint pipe (A) with the filter side into its mounting hole (B).
    Fig 23: Installing ATF Joint Pipe Into Mounting Hole
    G05445490Courtesy of AMERICAN HONDA MOTOR CO., INC.
  55. Check the height (A) of the 8 x 53 mm ATF joint pipe (B) between the top (C) of the pipe and the solenoid valve body mounting surface (D). The height is about 7 mm (0.3 in.). If the height is over 7 mm (0.3 in.), install the pipe securely until it bottoms in the accumulator body.
    Fig 24: Checking Height ATF Joint Pipe Between Top Of Pipe And Solenoid Valve Body Mounting Surface
    G05445491Courtesy of AMERICAN HONDA MOTOR CO., INC.
  56. Install a new gasket (A) on the transmission housing. Install the 8 x 34.5 mm ATF pipe (B) with the filter end in the transmission housing, and install the 8 x 25.5 mm ATF pipe (D).
    Fig 25: Installing ATF Pipe With Filter Side Into Transmission Housing With Torque Specifications
    G05445492Courtesy of AMERICAN HONDA MOTOR CO., INC.
  57. Install new O-rings (E) over the ATF joint pipes.
  58. Install A/T clutch pressure control solenoid valve C.
  59. With a 6.0 mm wrench, turn the control shaft fully counterclockwise (view from shaft end) to the P position. Turn the control shaft back two click-stopped positions so that it is in the N.
    Fig 26: Setting Selector Control Shaft To N Position
    G05445493Courtesy of AMERICAN HONDA MOTOR CO., INC.
  60. Set the transmission range switch (A) to the N position. The transmission range switch clicks in the N position, and the selector control shaft hole (B) aligns with the N positioning line (C).
    Fig 27: Setting Transmission Range Switch To N Position
    G05445494Courtesy of AMERICAN HONDA MOTOR CO., INC.
  61. Install the transmission range switch gently over the selector control shaft (D), and install the bolts loosely.
  62. Install the new lock washer (A) over the selector control shaft (B) by aligning the projection (C) of the lock washer with the N positioning line (D) on the transmission range switch (E), and install the locknut (F).
    Fig 28: Installing Lock Washer Over Selector Control Shaft With Torque Specifications
    G05445495Courtesy of AMERICAN HONDA MOTOR CO., INC.
  63. Push the locknut against the transmission housing to seat the range switch into the selector control shaft, and tighten the locknut to 12 N.m (1.2 kgf.m, 8.7 lbf.ft) while holding the selector control shaft with a 6 mm wrench, bend the lock tabs against the locknut.
    Fig 29: Tightening Locknut
    G05445496Courtesy of AMERICAN HONDA MOTOR CO., INC.
  64. Tighten the bolts securing the transmission range switch to 12 N.m (1.2 kgf.m, 8.7 lbf.ft).
  65. Install the control lever (A), the spring washer (B), the lock washer (C), and the locknut (D) on the selector control shaft (E).
    Fig 30: Installing Selector Control Lever, Spring Washer, Lock Washer, And Locknut On Control Shaft With Torque Specifications
    G05445497Courtesy of AMERICAN HONDA MOTOR CO., INC.
  66. Install a new O-ring (A) on the input shaft (mainshaft) speed sensor (B), and install the input shaft (mainshaft) speed sensor.
    Fig 31: Installing Input Shaft Speed Sensor With Torque Specifications
    G05445498Courtesy of AMERICAN HONDA MOTOR CO., INC.
  67. Install a new O-ring (C) on the output shaft (countershaft) speed sensor (D), and install the output shaft (countershaft) speed sensor and the sensor washer (E).
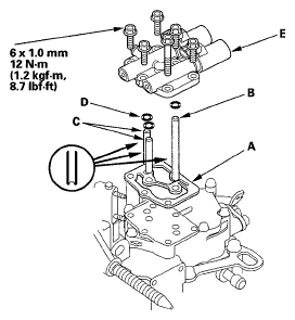
  68. Install the 4th clutch transmission fluid pressure switch (A) with a new sealing washer (B). Tighten the switch by gripping the metal part.
    Fig 32: Installing 4Th Clutch Transmission Fluid Pressure Switch With Torque Specifications
    G05445499Courtesy of AMERICAN HONDA MOTOR CO., INC.
  69. Install the 3rd clutch transmission fluid pressure switch (A) with a new sealing washer (B). Tighten the switch by gripping the metal part.
    Fig 33: Installing 3rd Clutch Transmission Fluid Pressure Switch With Torque Specifications
    G05445500Courtesy of AMERICAN HONDA MOTOR CO., INC.
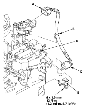
  70. Install the ATF cooler lines (C) with a new sealing washers (D) and the line bolts (E).
  71. Install the connector bracket (F), and secure the ATF lines with the 6.0 mm bolt (G) on the transmission housing. Tighten the bolts to 12 N.m (1.2 kgf.m, 8.7 lbf.ft).
  72. Install the ATF temperature sensor (H) with a new O-ring (I). Install the connector on the connector bracket and the harness clamp on the bracket.
  73. Install the 2nd clutch transmission fluid pressure switch (A) with a new sealing washer (B). Tighten the switch by gripping the metal part.
    Fig 34: Installing 2nd Clutch Transmission Fluid Pressure Switch With Torque Specifications
    G05445501Courtesy of AMERICAN HONDA MOTOR CO., INC.
  74. Install the ATF dipstick tube (A) with a new O-ring (B).
    Fig 35: Installing ATF Dipstick Tube With Torque Specifications
    G05445502Courtesy of AMERICAN HONDA MOTOR CO., INC.
  75. Install the ATF dipstick (C) in its tube.
  76. Connect the transmission range switch harness connector (A), and install the harness clamp (B) on the clamp bracket (C).
    Fig 36: Installing Harness Connector Bracket With Torque Specifications
    G05445503Courtesy of AMERICAN HONDA MOTOR CO., INC.
  77. Install the harness connector (D) on the connector bracket (E). If the connector bracket was removed, install the connector bracket, then install the connector on the bracket.