LEMON Manuals: Even more car manuals for everyone: 1960-2025
Home >> Acura >> 2007 >> RL >> Repair and Diagnosis >> Electrical >> Starter >> Starting System >> Circuit Diagram
April 5, 2026: LEMON Manuals is launched! Read the announcement.

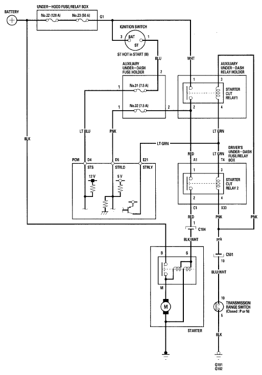
Circuit Diagram

Fig 1: Starting System Circuit Diagram
G05493783Courtesy of AMERICAN HONDA MOTOR CO., INC.