LEMON Manuals: Even more car manuals for everyone: 1960-2025
Home >> Acura >> 2007 >> TL Base >> Repair and Diagnosis (Single Page) >> Engine Mechanical >> Auxiliary Emission Control Systems >> Fuel And Emissions Systems >> System Description >> Electronic Control System >> ECM/PCM Electrical Connections
April 5, 2026: LEMON Manuals is launched! Read the announcement.

ECM/PCM Electrical Connections

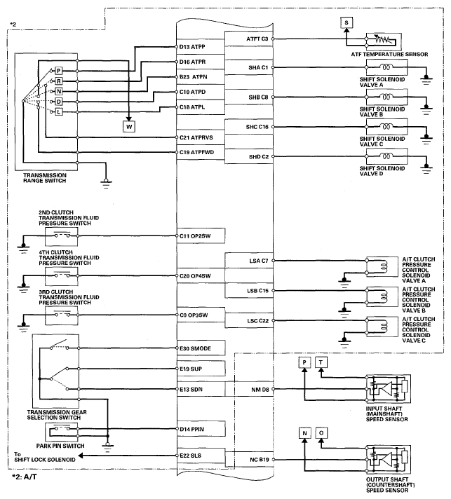
Fig 1: ECM/PCM Electrical Connections - Circuit Diagram (1 Of 6)
G05457871Courtesy of AMERICAN HONDA MOTOR CO., INC.
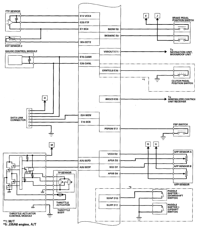
Fig 2: ECM/PCM Electrical Connections - Circuit Diagram (2 Of 6)
G05457872Courtesy of AMERICAN HONDA MOTOR CO., INC.
Fig 3: ECM/PCM Electrical Connections - Circuit Diagram (3 Of 6)
G05457873Courtesy of AMERICAN HONDA MOTOR CO., INC.
Fig 4: ECM/PCM Electrical Connections - Circuit Diagram (4 Of 6)
G05457874Courtesy of AMERICAN HONDA MOTOR CO., INC.
Fig 5: ECM/PCM Electrical Connections - Circuit Diagram (5 Of 6)
G05457875Courtesy of AMERICAN HONDA MOTOR CO., INC.
Fig 6: ECM/PCM Electrical Connections - Circuit Diagram (6 Of 6)
G05457876Courtesy of AMERICAN HONDA MOTOR CO., INC.