LEMON Manuals: Even more car manuals for everyone: 1960-2025
Home >> Acura >> 2007 >> TL Base >> Repair and Diagnosis (Single Page) >> Engine Performance >> Testing & Diagnosis >> Advanced Diagnostics >> DTC P0627: Fuel Pump Control Module System Malfunction (J35A8) >> Notes
April 5, 2026: LEMON Manuals is launched! Read the announcement.

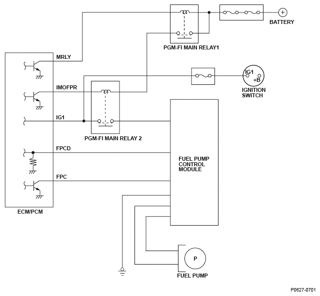
DTC P0627: Fuel Pump Control Module System Malfunction (J35A8): Notes

Fig 1: Fuel Pump Control Module System - Circuit Diagram (J35A8)
G04836601