LEMON Manuals: Even more car manuals for everyone: 1960-2025
Home >> Acura >> 2007 >> TL Base >> Repair and Diagnosis (Single Page) >> Engine Performance >> Testing & Diagnosis >> Advanced Diagnostics >> DTC P1745: Problem in Shift Control System; Servo Control Valve Stuck OFF or Servo Valve Stuck OFF >> Notes
April 5, 2026: LEMON Manuals is launched! Read the announcement.

DTC P1745: Problem in Shift Control System; Servo Control Valve Stuck OFF or Servo Valve Stuck OFF: Notes

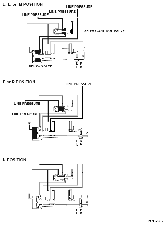
Fig 1: Shift Control System Diagram
G04836755
Fig 2: Gear Position VS Shift Status Graph
G04823085
Fig 3: Shift Solenoid Valve Output Reference Chart (D Position)
G04836757