LEMON Manuals: Even more car manuals for everyone: 1960-2025
Home >> Acura >> 2007 >> TL Base >> Repair and Diagnosis >> Body & Frame >> Frames, Subframes & Crossmembers >> Frame Repair Chart >> Top View
April 5, 2026: LEMON Manuals is launched! Read the announcement.

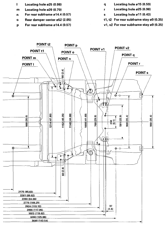
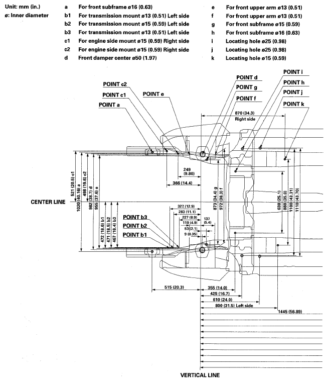
Top View

Fig 1: Identifying Frame Repair Chart - Top View (1 Of 2)
G05462358
Fig 2: Identifying Frame Repair Chart - Top View (2 Of 2)
G05462359