LEMON Manuals: Even more car manuals for everyone: 1960-2025
Home >> Acura >> 2007 >> TL Base >> Repair and Diagnosis >> Engine Performance >> System >> Advanced Diagnostics >> DTC P0507: Idle Control System RPM Higher Than Expected >> Notes
April 5, 2026: LEMON Manuals is launched! Read the announcement.

DTC P0507: Idle Control System RPM Higher Than Expected: Notes

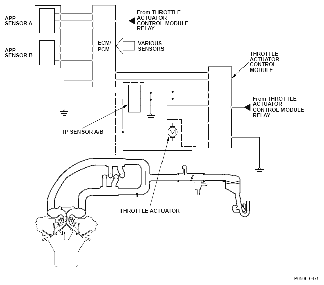
Fig 1: Idle Control System Diagram - RPM Higher Than Expected
G04817024
Fig 2: Idle Control System Normal Operation And System Failure Graph
G04818013