LEMON Manuals: Even more car manuals for everyone: 1960-2025
Home >> Acura >> 2007 >> TL Base >> Repair and Diagnosis >> Engine Performance >> System >> Advanced Diagnostics >> DTC P2101: Throttle Actuator System Malfunction >> Notes
April 5, 2026: LEMON Manuals is launched! Read the announcement.

DTC P2101: Throttle Actuator System Malfunction: Notes

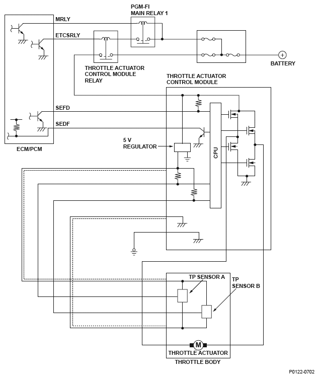
Fig 1: Throttle Actuator System Malfunction - Circuit Diagram
G04836514