LEMON Manuals: Even more car manuals for everyone: 1960-2025
Home >> Acura >> 2007 >> TL Base >> Repair and Diagnosis >> Transmission >> Automatic Trans >> Automatic Transmission >> Circuit Diagram
April 5, 2026: LEMON Manuals is launched! Read the announcement.

Circuit Diagram

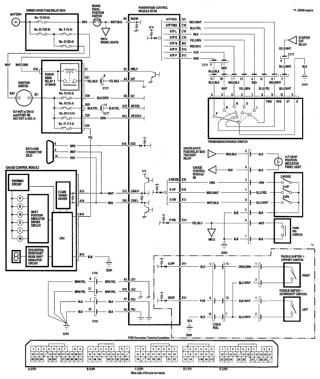
Fig 1: A/T Gear Position Indicator - Circuit Diagram
G05459113Courtesy of AMERICAN HONDA MOTOR CO., INC.


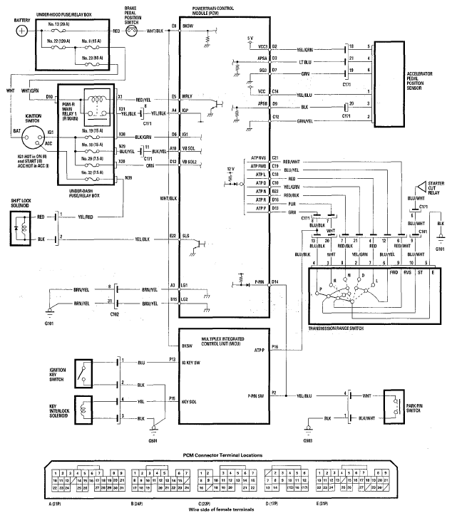
Fig 1: A/T Interlock System - Circuit Diagram
G05459145Courtesy of AMERICAN HONDA MOTOR CO., INC.