LEMON Manuals: Even more car manuals for everyone: 1960-2025
Home >> Acura >> 2007 >> TL Base >> Repair and Diagnosis >> Transmission >> Automatic Trans >> Automatic Transmission >> Shift Lever Installation
April 5, 2026: LEMON Manuals is launched! Read the announcement.

Shift Lever Installation

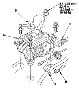
  1. Install the shift lever assembly (A).
    Fig 1: Shift Lever Assembly With Torque Specifications
    G05459096Courtesy of AMERICAN HONDA MOTOR CO., INC.
  2. Connect the shift lock solenoid connector (B) and the transmission gear selection switch/park pin switch/A/T gear position indicator panel light connector (C), and install the harness clamps (D) on the shift lever bracket base.
  3. Install the shift cable on the shift lever, and adjust the cable (see SHIFT CABLE ADJUSTMENT  ).