LEMON Manuals: Even more car manuals for everyone: 1960-2025
Home >> Acura >> 2007 >> TL Base >> Repair and Diagnosis >> Transmission >> Automatic Trans >> Automatic Transmission >> Shift Solenoid Valve Test/Replacement
April 5, 2026: LEMON Manuals is launched! Read the announcement.

Shift Solenoid Valve Test/Replacement

  1. Connect the HDS to the DLC (A).
    Fig 1: Locating DLC
    G05458955Courtesy of AMERICAN HONDA MOTOR CO., INC.
  2. Make sure the HDS communicates with the PCM. If it does not, go to the DLC circuit troubleshooting (see DLC CIRCUIT TROUBLESHOOTING (PART 2) ).
  3. Select Shift Solenoid Valve A, B, C, and D in the Miscellaneous Test Menu on the HDS.
  4. Check that shift solenoid valves A, B, C, and D operate with the HDS. A clicking sound should be heard.
    • If a clicking sound is heard, the valves are OK. The test is complete, disconnect the HDS.
    • If no clicking sound is heard, go to step 5, and test the solenoid valves.
  5. Make sure you have the anti-theft codes for the audio system and the navigation system (if equipped).
  6. Remove the battery trim and the left upper fender cover.
  7. Disconnect the negative cable from the battery, then disconnect the positive cable.
  8. Remove the battery hold-down bracket, then remove the battery and the battery tray.
  9. Remove the intake air duct (see THROTTLE BODY REMOVAL/INSTALLATION ) and the air cleaner assembly (see THROTTLE BODY CLEANING ).
  10. Remove the battery base.
  11. Remove the nuts securing the shift cable bracket (A).
    Fig 2: Shift Cable Bracket And Nuts With Torque Specifications
    G05458956Courtesy of AMERICAN HONDA MOTOR CO., INC.
  12. Remove the spring clip/washer (B) and the control pin (C), then separate the shift cable end (D) from the control lever (E).
  13. Check the bushing (F) in the shift cable end for a proper fit and wear. If the bushing is loose or worn, replace the shift cable (see SHIFT CABLE REPLACEMENT  ).
  14. Disconnect the connectors from A/T clutch pressure control solenoid valves A, B, the solenoid harness, the transmission range switch, the ATF temperature sensor, the output shaft (countershaft) speed sensor, the input shaft (mainshaft) speed sensor, the 3rd clutch transmission fluid pressure switch, and the 4th clutch transmission fluid pressure switch.
  15. Remove the bolt securing the harness cover (A).
    Fig 3: Harness Cover Bolts With Torque Specifications
    G05458957Courtesy of AMERICAN HONDA MOTOR CO., INC.
  16. Remove A/T clutch pressure control solenoid valves A and B, the ATF pipes (C), and the gasket (D).
    Fig 4: Locating A/T Clutch Pressure Control Solenoid Valves A And B, ATF Pipes And Gasket With Torque Specifications
    G05458958Courtesy of AMERICAN HONDA MOTOR CO., INC.
  17. Replace the gasket and the O-rings (E) with new ones when installing A/T clutch pressure control solenoid valves A and B.
  18. Remove the solenoid valve cover (A), the dowel pins (B), and the gasket (C).
    Fig 5: Locating Solenoid Valve Cover, Dowel Pins And Gasket With Torque Specifications
    G05458959Courtesy of AMERICAN HONDA MOTOR CO., INC.
  19. Replace the gasket with a new one when installing the solenoid cover.
  20. Disconnect each solenoid valve connectors.
    Fig 6: Identifying Solenoid Valve Connectors
    G05458960Courtesy of AMERICAN HONDA MOTOR CO., INC.
  21. Measure the resistance between each connector terminal of the shift solenoid valve and body ground.

    Standard: 12-25 Ω 

    • If the resistance is out of standard, go to step  24 and replace the shift solenoid valve.
    • If the resistance is within the standard, go to step 22 and check the solenoid valve for a clicking sound.
  22. Connect a jumper wire from the negative battery terminal to body ground, and connect a jumper wire from the positive battery terminal to each solenoid valve terminal individually.
    • If a clicking sound is heard, go to step 23 and replace the solenoid harness.
    • If no clicking sound is heard, go to step  24 and replace the shift solenoid valve.
  23. Remove the solenoid harness connector (A), and replace it. Install a new O-ring (B) on the solenoid harness connector, and install the connector in the transmission housing, then go to step  30.
    Fig 7: Locating Solenoid Harness Connector With Torque Specifications
    G05458961Courtesy of AMERICAN HONDA MOTOR CO., INC.
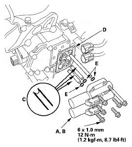
  24. Remove the mounting bolts, then remove the solenoid valves.
    Fig 8: Locating Mounting Bolts And Solenoid Valves With Torque Specifications
    G05458962Courtesy of AMERICAN HONDA MOTOR CO., INC.
  25. Install new O-rings (two O-rings per solenoid valve) (E) on each solenoid valves.
    NOTE: A new solenoid valve comes with new O-rings. If you install a new solenoid valve, use the O-rings provided with it.
  26. Install shift solenoid valve D (black connector) by holding the shift solenoid valve body; make sure the mounting bracket contacts the accumulator body.
    NOTE: Do not hold the solenoid valve connector to install the solenoid valve. Be sure to hold the solenoid valve body.
  27. Install shift solenoid valve A (black connector) by holding the shift solenoid valve body; make sure the mounting bracket contacts the accumulator body.
  28. Install shift solenoid valve C (brown connector) by holding the shift solenoid valve body; make sure the mounting bracket contacts the bracket of shift solenoid valve A.
    NOTE: Do not install shift solenoid valve C before installing shift solenoid valve A. If shift solenoid valve C is installed before installing shift solenoid valve A, it may damage the hydraulic control system.
  29. Install shift solenoid valve B (brown connector) by holding the shift solenoid valve body; make sure the mounting bracket contacts the accumulator body.
  30. Connect the harness terminals to solenoids:
    • YEL wire connector to shift solenoid valve A.
    • RED wire connector to shift solenoid valve B.
    • GRN wire connector to shift solenoid valve C.
    • ORN wire connector to shift solenoid valve D.
  31. Install the solenoid valve cover, the dowel pins, and a new gasket.
  32. Install the new solenoid valve body gasket on the solenoid valve cover, and install the ATF pipes with the filter side into the transmission housing. Install new O-rings over the ATF pipes.
  33. Install A/T clutch pressure control solenoid valves A and B.
  34. Secure the harness cover with the bolt.
  35. Check the connectors for rust, dirt, or oil, clean or repair if necessary, then connect the connectors securely.
  36. Apply molybdenum grease to the hole in the bushing in the shift cable end. Attach the shift cable end to the control lever, then insert the control pin into the control lever hole through the shift cable end, and secure the control pin with the spring clip/ washer.
  37. Secure the shift cable bracket with the nuts.
  38. Install the battery base.
  39. Install the intake air duct (see THROTTLE BODY REMOVAL/INSTALLATION ) and the air cleaner assembly (see THROTTLE BODY CLEANING ).
  40. Install the battery tray, the battery, and the battery hold-down bracket, then connect the battery terminals.
  41. Install the left upper fender cover and the battery trim.
  42. Enter the anti-theft codes for the audio system and the navigation system (if equipped). Set the clock (on vehicles without navigation).