LEMON Manuals: Even more car manuals for everyone: 1960-2025
Home >> Acura >> 2007 >> TL V6-3.5L >> Repair and Diagnosis >> Diagrams >> Electrical Diagrams >> Powertrain Management >> System Diagram >> Control Module Circuit Diagrams >> ECM/PCM Electrical Connections
April 5, 2026: LEMON Manuals is launched! Read the announcement.

ECM/PCM Electrical Connections

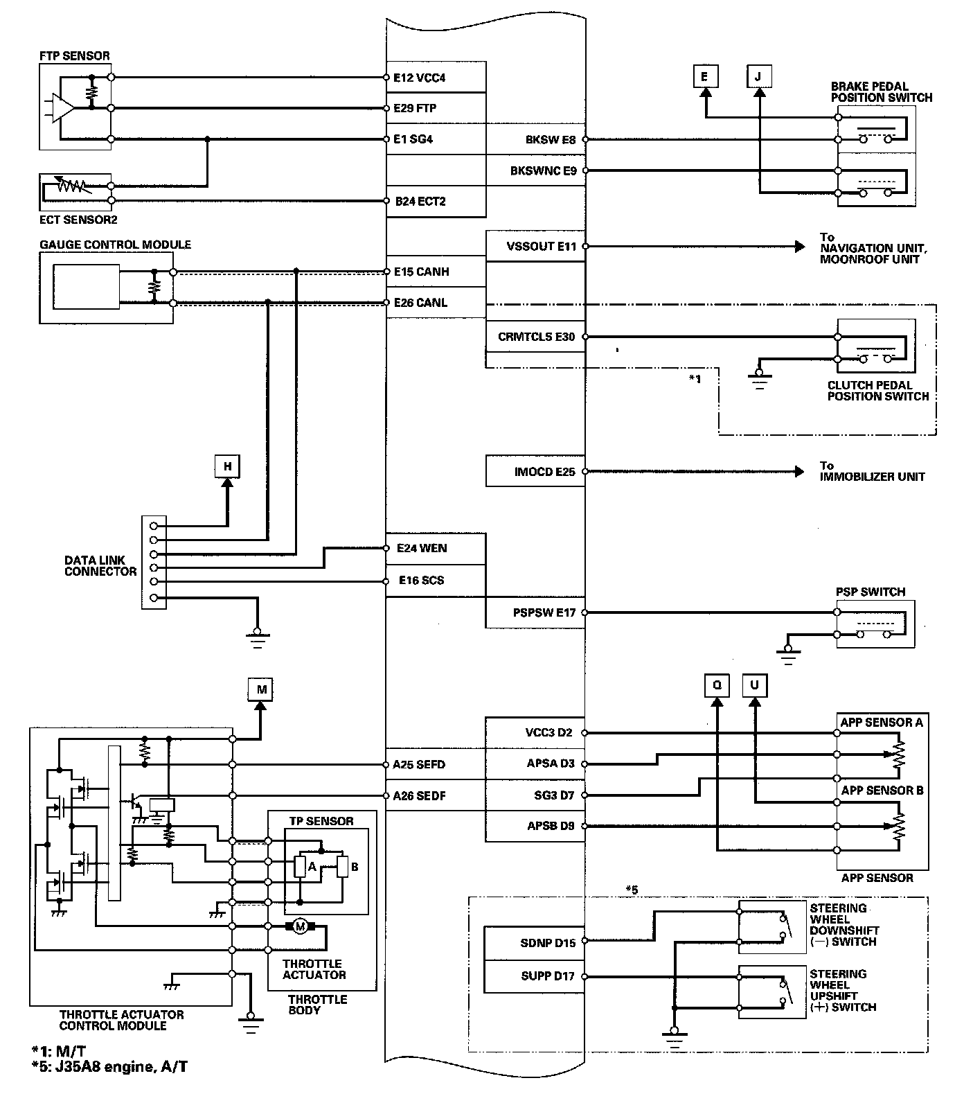
ECM/PCM Electrical Connections Part 1:



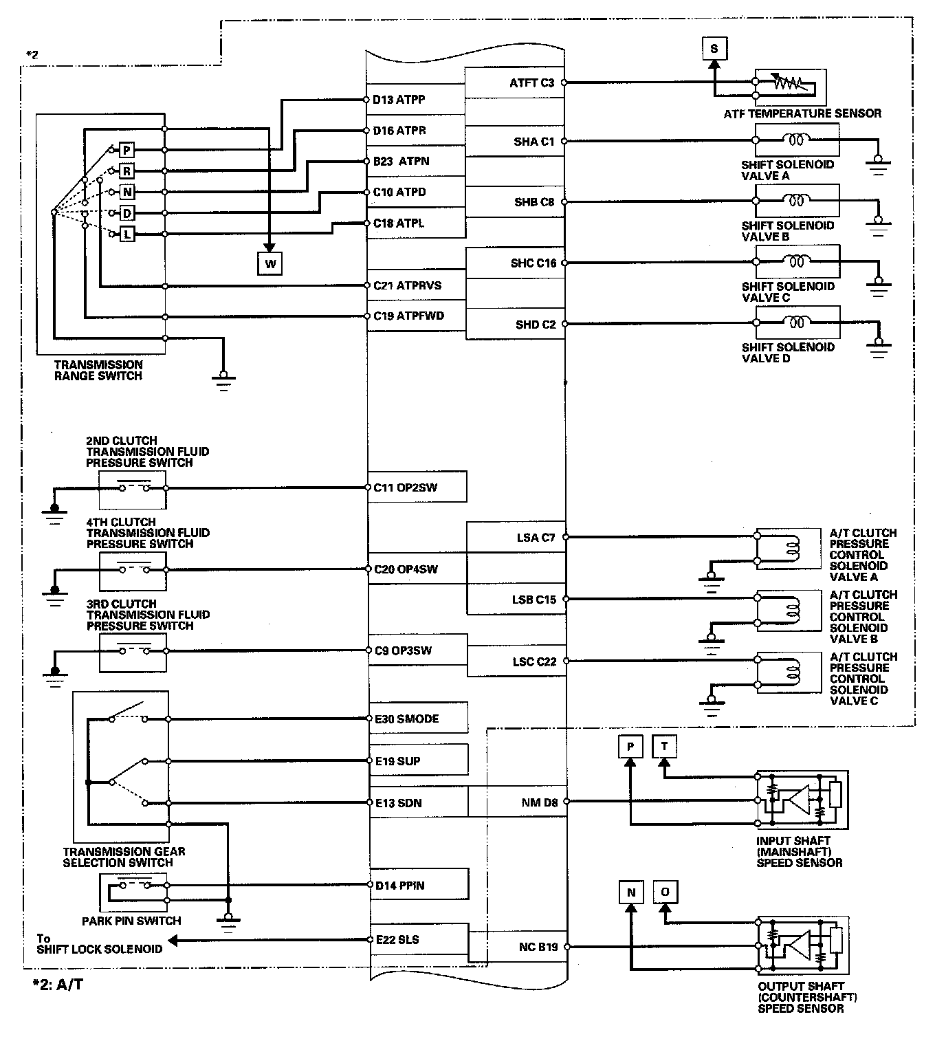
ECM/PCM Electrical Connections Part 2:



ECM/PCM Electrical Connections Part 3:



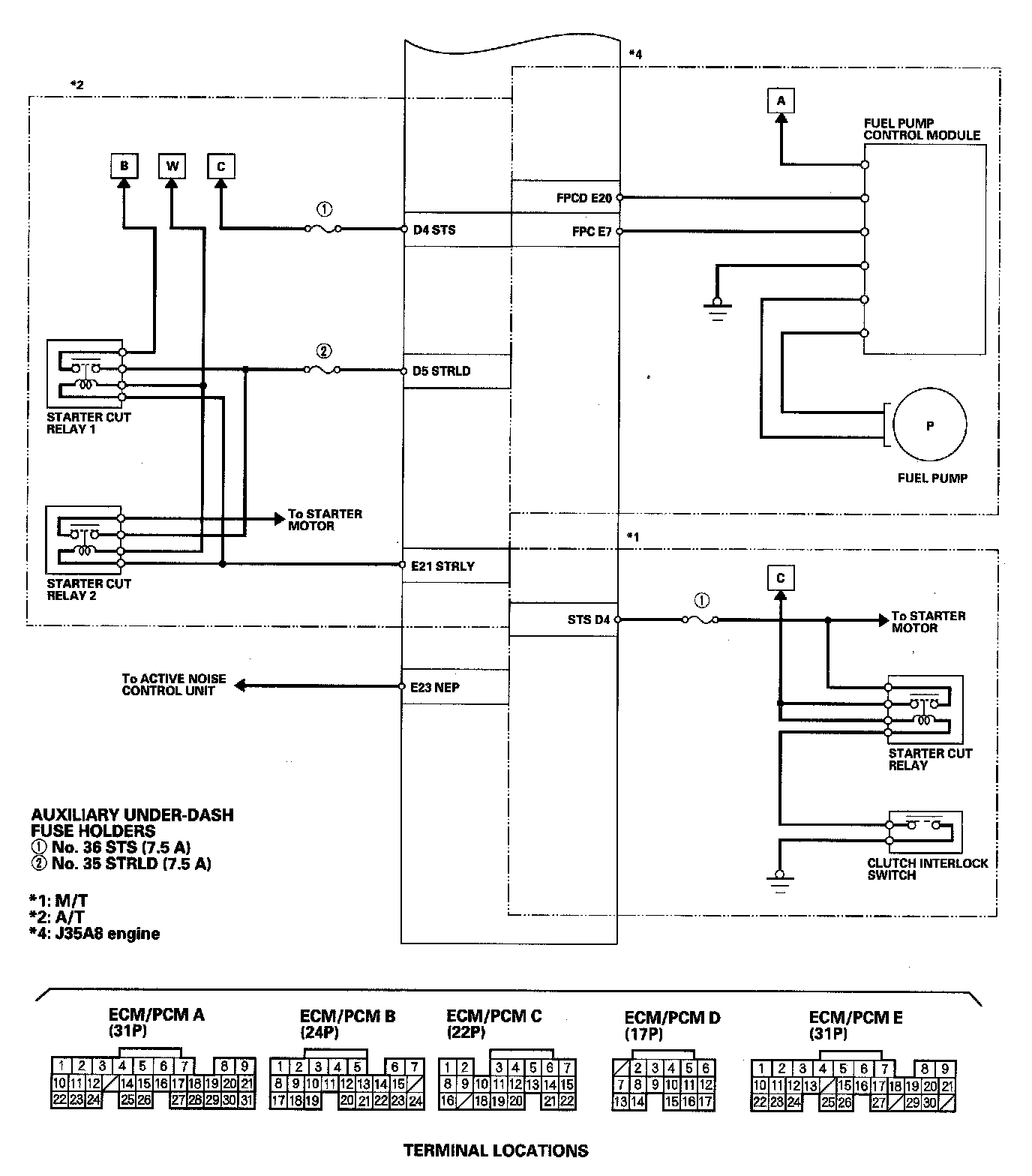
ECM/PCM Electrical Connections Part 4:



ECM/PCM Electrical Connections Part 5:



ECM/PCM Electrical Connections Part 6: