LEMON Manuals: Even more car manuals for everyone: 1960-2025
Home >> Acura >> 2007 >> TSX Automatic >> Repair and Diagnosis (Single Page) >> Transmission >> Automatic Trans >> Automatic Transmission >> System Description >> Circuit Diagram - PCM A/T Control System '07-08 Models
April 5, 2026: LEMON Manuals is launched! Read the announcement.

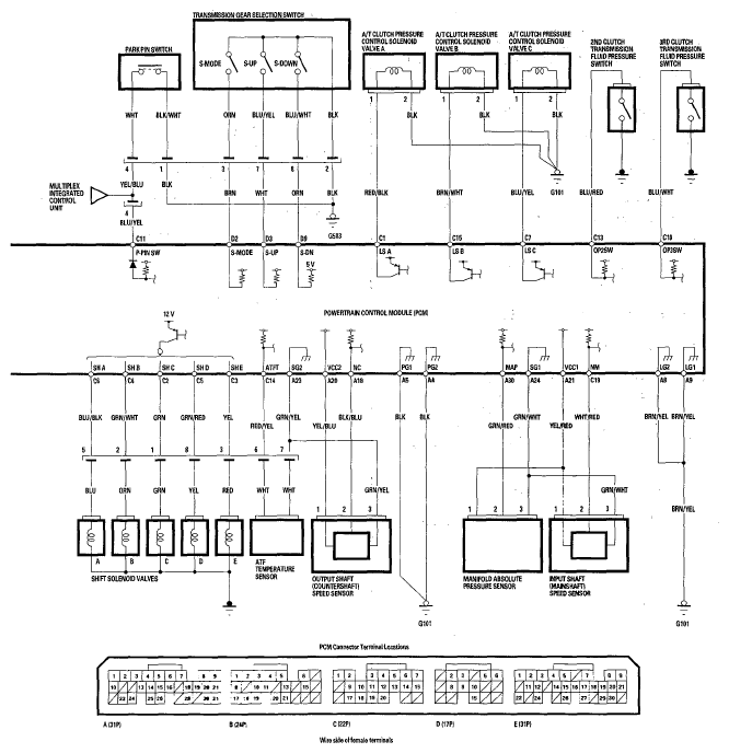
Circuit Diagram - PCM A/T Control System '07-08 Models

Fig 1: PCM A/T Control System Circuit Diagram '07-08 Models (1 Of 2)
G05491209Courtesy of AMERICAN HONDA MOTOR CO., INC.
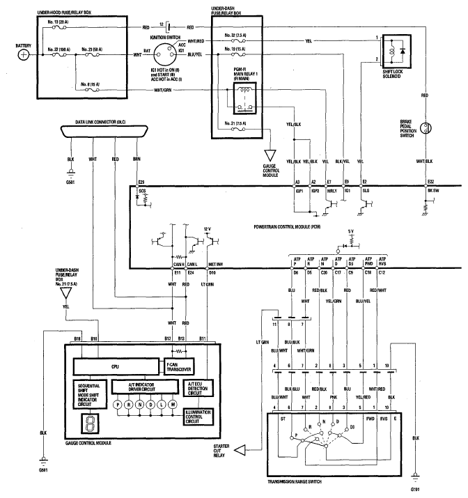
Fig 2: PCM A/T Control System Circuit Diagram '07-08 Models (2 Of 2)
G05491210Courtesy of AMERICAN HONDA MOTOR CO., INC.