LEMON Manuals: Even more car manuals for everyone: 1960-2025
Home >> Acura >> 2007 >> TSX L4-2.4L >> Repair and Diagnosis >> Diagrams >> Electrical Diagrams >> Powertrain Management >> System Diagram >> Control Module Circuit Diagram >> ECM/PCM Circuit Diagram
April 5, 2026: LEMON Manuals is launched! Read the announcement.

ECM/PCM Circuit Diagram

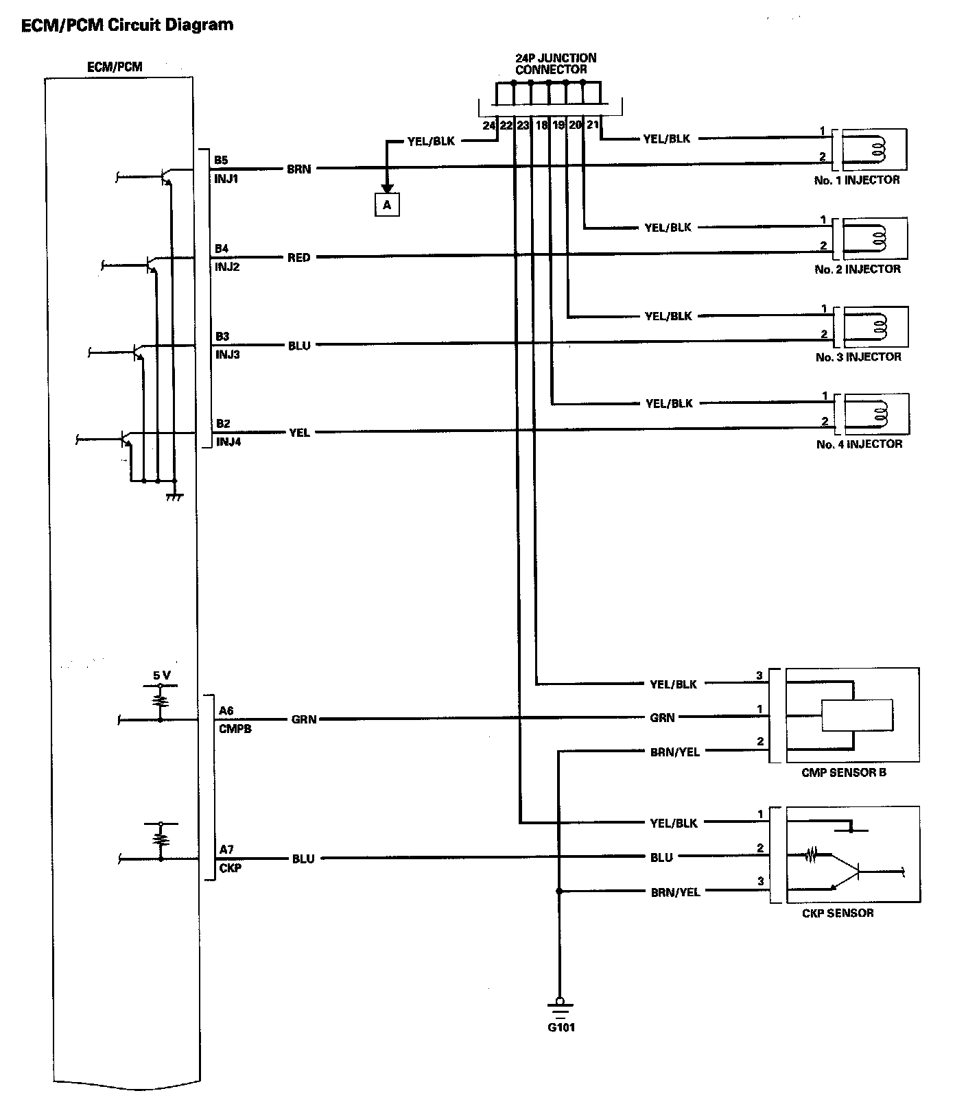
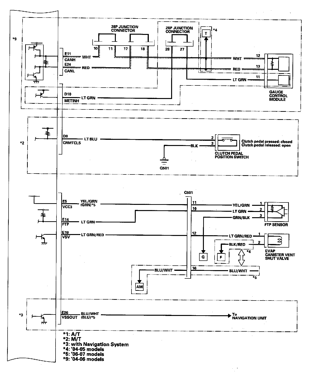
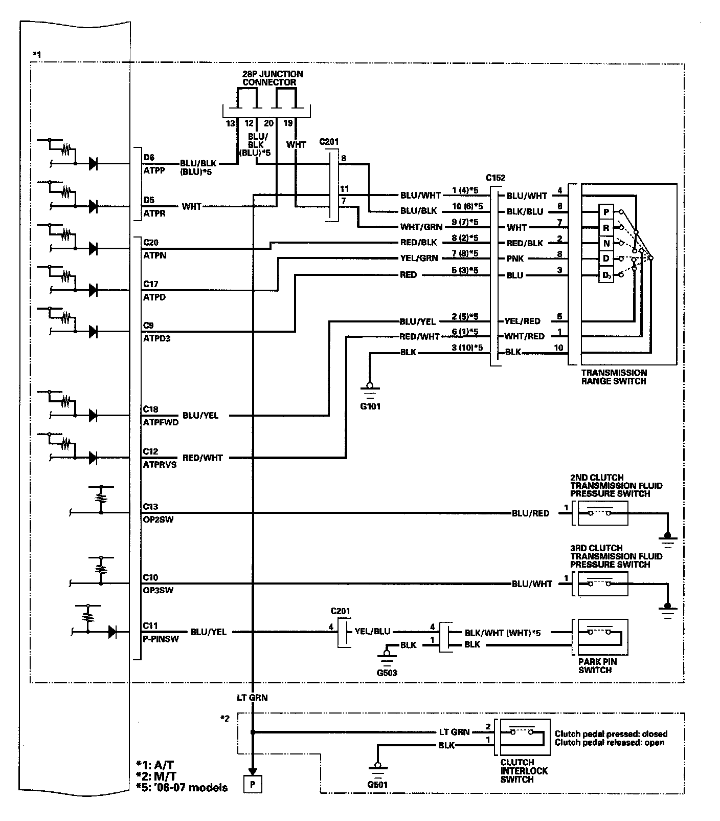
Fuel And Emission Systems ECM/PCM Circuit Diagram Part 1:



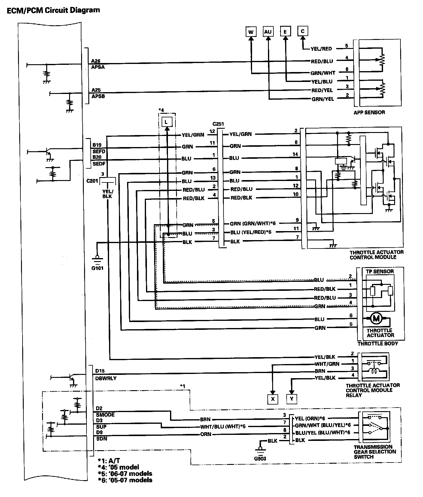
Fuel And Emission Systems ECM/PCM Circuit Diagram Part 2:



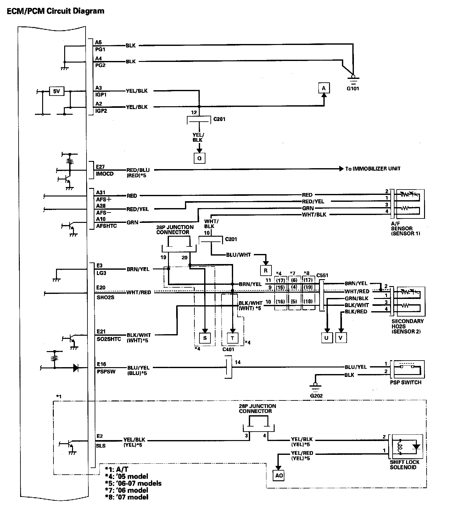
Fuel And Emission Systems ECM/PCM Circuit Diagram Part 3:



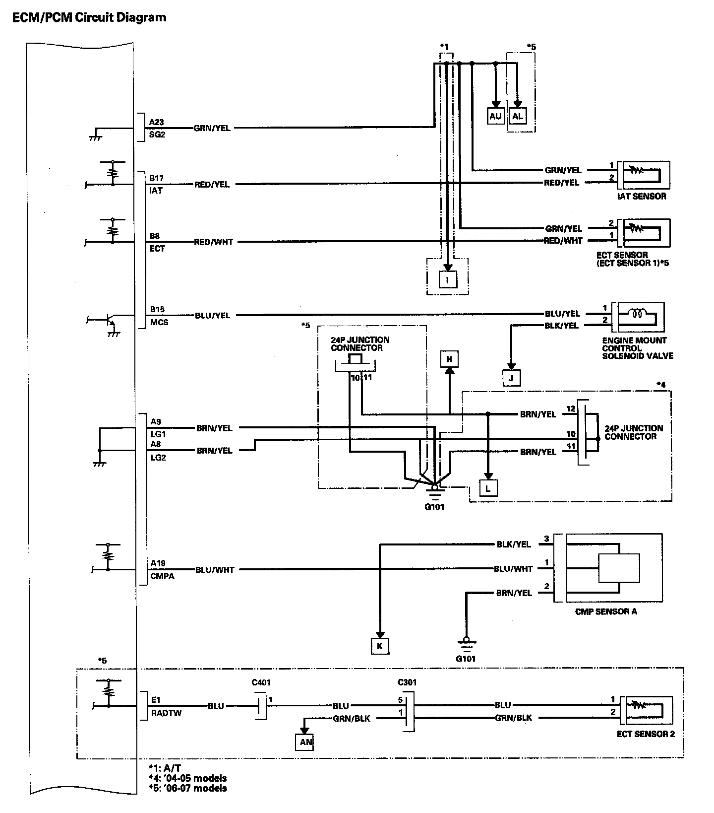
Fuel And Emission Systems ECM/PCM Circuit Diagram Part 4:



Fuel And Emission Systems ECM/PCM Circuit Diagram Part 5:



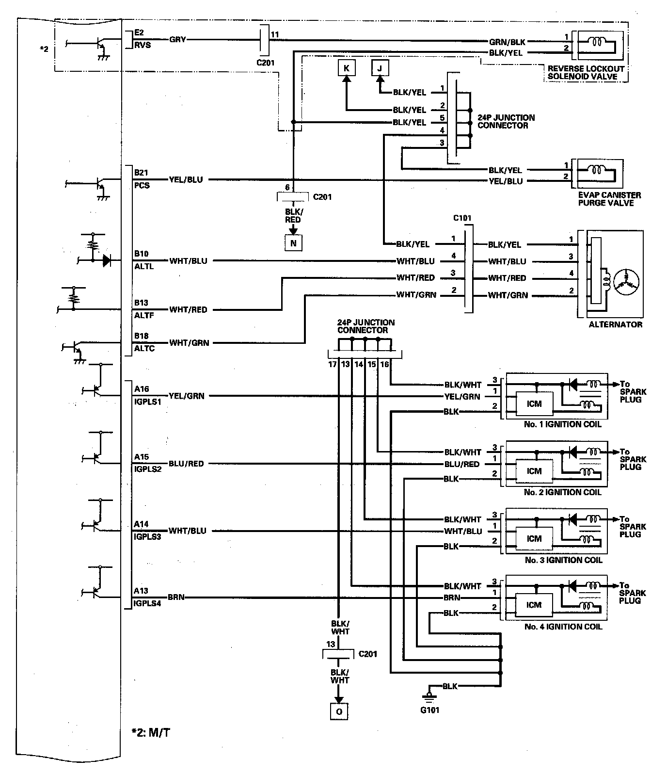
Fuel And Emission Systems ECM/PCM Circuit Diagram Part 6:



Fuel And Emission Systems ECM/PCM Circuit Diagram Part 7:



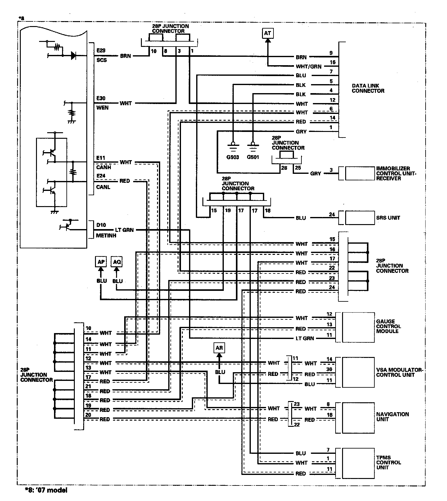
Fuel And Emission Systems ECM/PCM Circuit Diagram Part 8:



Fuel And Emission Systems ECM/PCM Circuit Diagram Part 9:



Fuel And Emission Systems ECM/PCM Circuit Diagram Part 10:



Fuel And Emission Systems ECM/PCM Circuit Diagram Part 11:



Fuel And Emission Systems ECM/PCM Circuit Diagram Part 12: