LEMON Manuals: Even more car manuals for everyone: 1960-2025
Home >> Acura >> 2007 >> TSX L4-2.4L >> Repair and Diagnosis >> Diagrams >> Electrical Diagrams >> Powertrain Management >> System Diagram >> Control Module Circuit Diagram >> ECM/PCM Electrical Connections
April 5, 2026: LEMON Manuals is launched! Read the announcement.

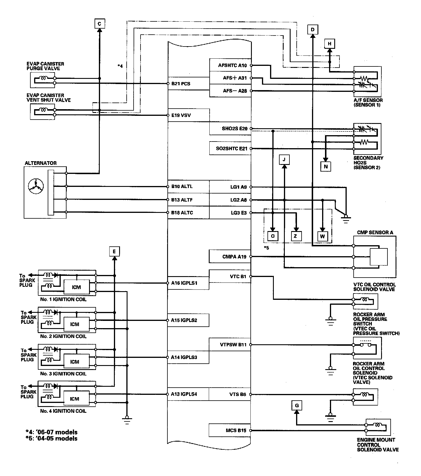
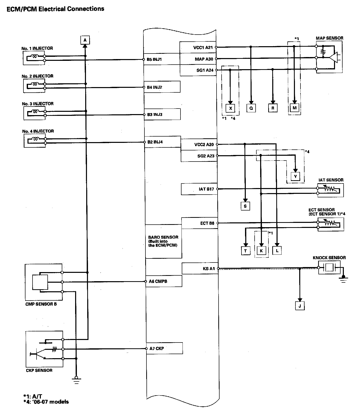
ECM/PCM Electrical Connections

Fuel And Emissions Systems ECM/PCM Electrical Connections Part 1:



Fuel And Emissions Systems ECM/PCM Electrical Connections Part 2:



Fuel And Emissions Systems ECM/PCM Electrical Connections Part 3:



Fuel And Emissions Systems ECM/PCM Electrical Connections Part 4:



Fuel And Emissions Systems ECM/PCM Electrical Connections Part 5: