LEMON Manuals: Even more car manuals for everyone: 1960-2025
Home >> Acura >> 2007 >> TSX Standard >> Repair and Diagnosis >> Engine Performance >> System >> Advanced Diagnostics >> DTC P0506: Idle Control System RPM Lower Than Expected >> Notes
April 5, 2026: LEMON Manuals is launched! Read the announcement.

DTC P0506: Idle Control System RPM Lower Than Expected: Notes

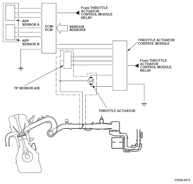
Fig 1: Idle Control System Diagram
G04839018
Fig 2: Idle Control System Normal And System Failure Operation Graph
G04836268