LEMON Manuals: Even more car manuals for everyone: 1960-2025
Home >> Acura >> 2008 >> MDX V6-3.7L >> Repair and Diagnosis >> Powertrain Management >> Diagrams >> Electrical Diagrams >> Control Module Circuit Diagrams >> PCM Circuit Diagrams
April 5, 2026: LEMON Manuals is launched! Read the announcement.

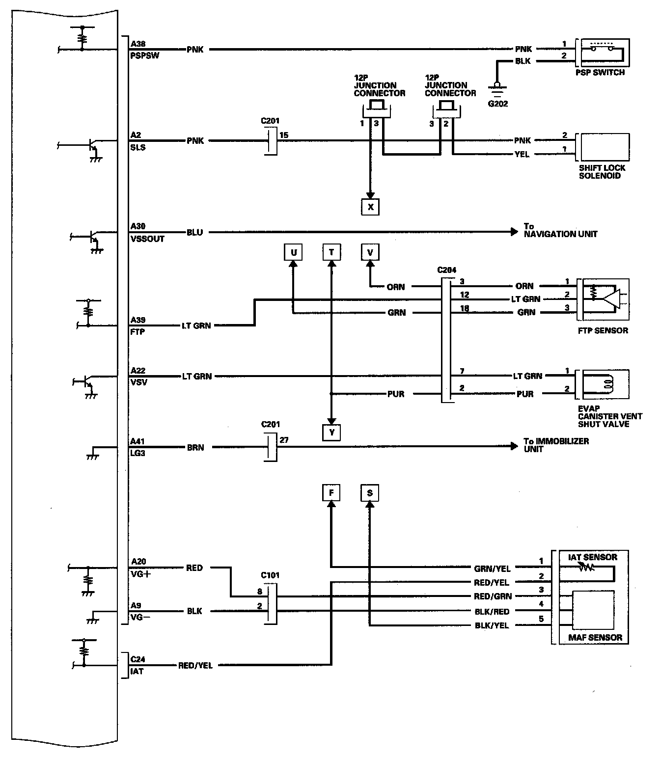
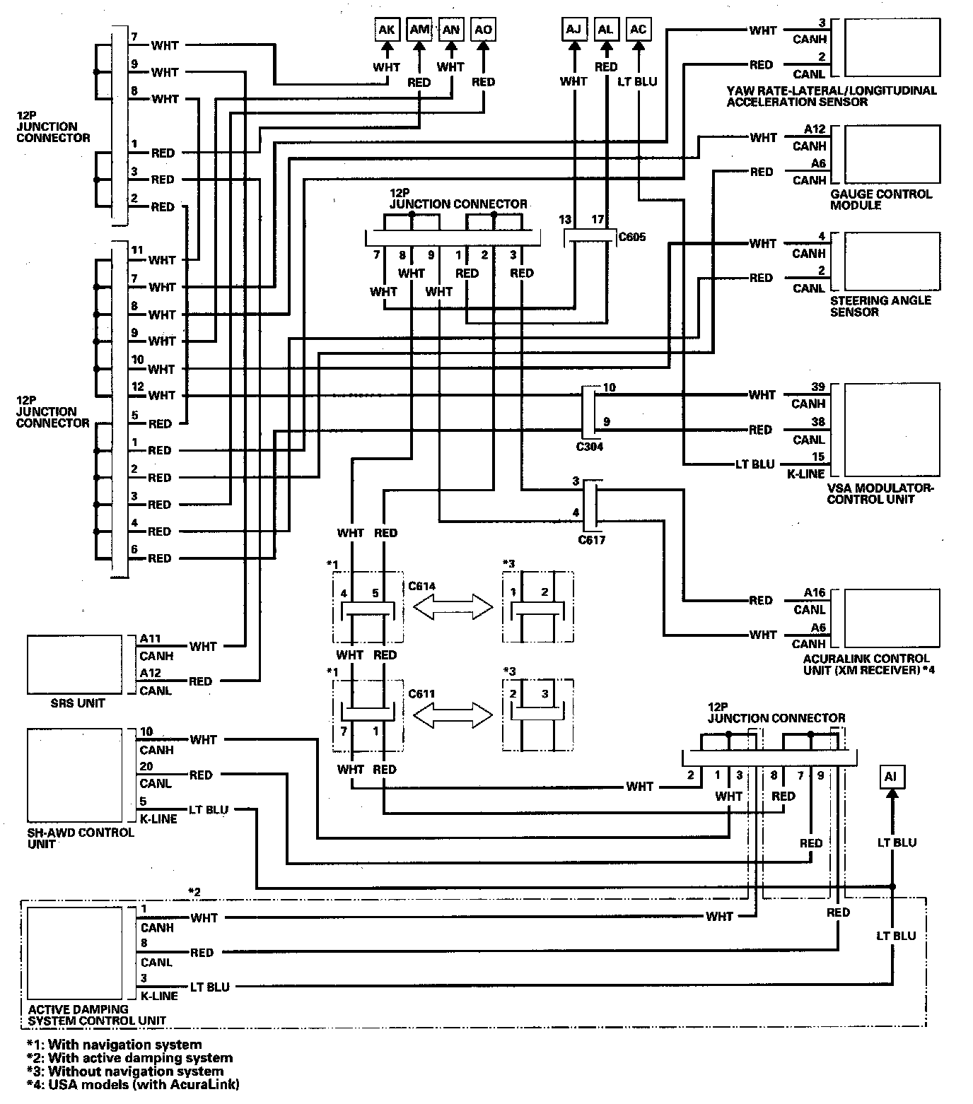
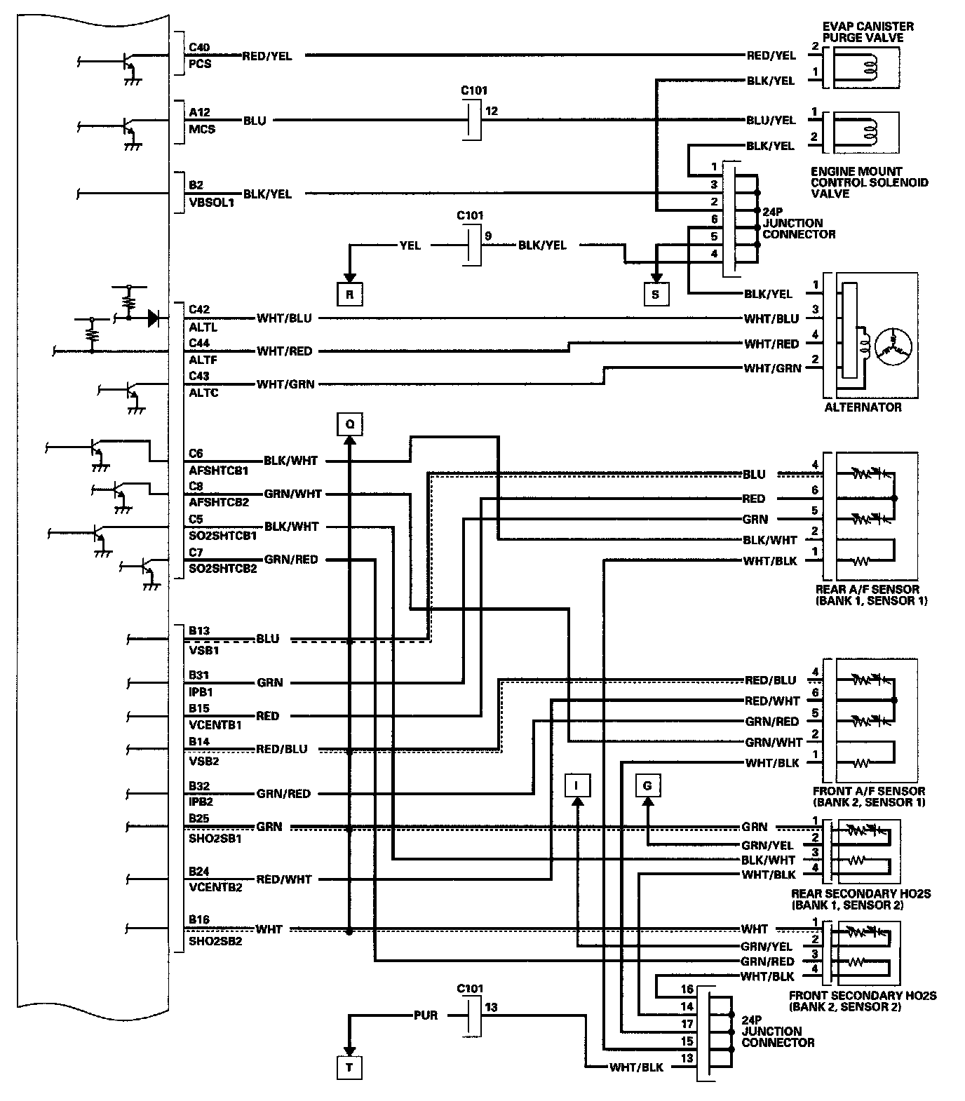
PCM Circuit Diagrams

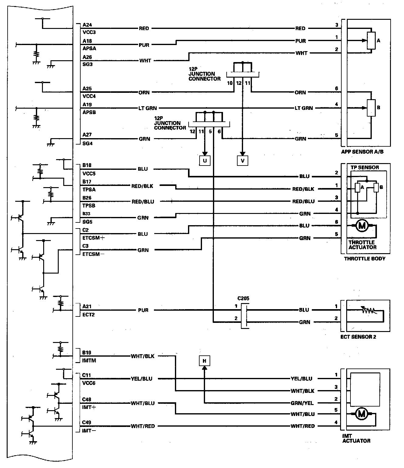
PCM Circuit Diagram (Part 1):



PCM Circuit Diagram (Part 2):



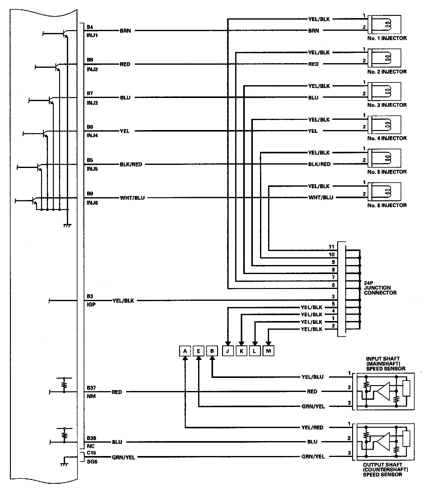
PCM Circuit Diagram (Part 3):



PCM Circuit Diagram (Part 4):



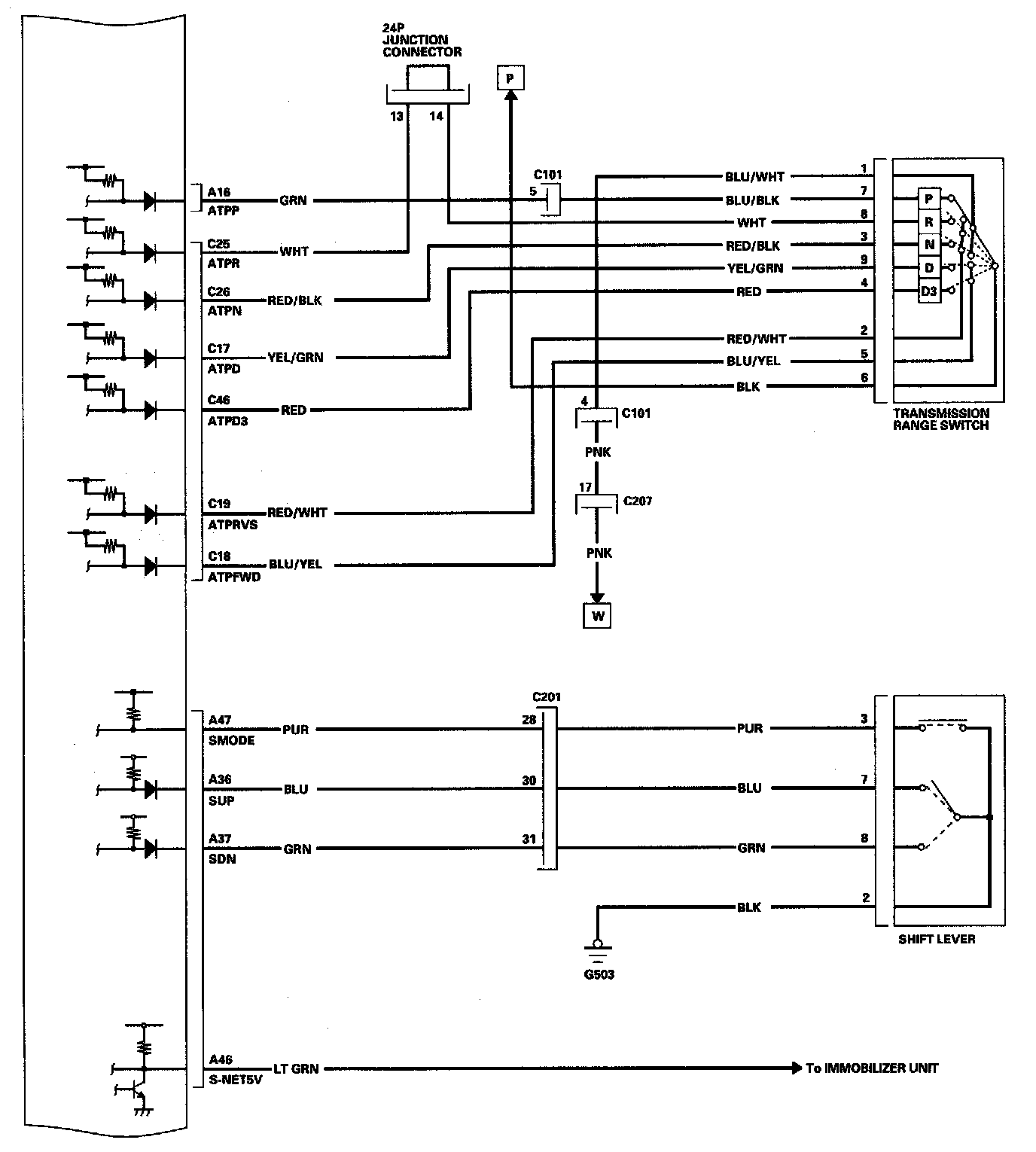
PCM Circuit Diagram (Part 5):



PCM Circuit Diagram (Part 6):



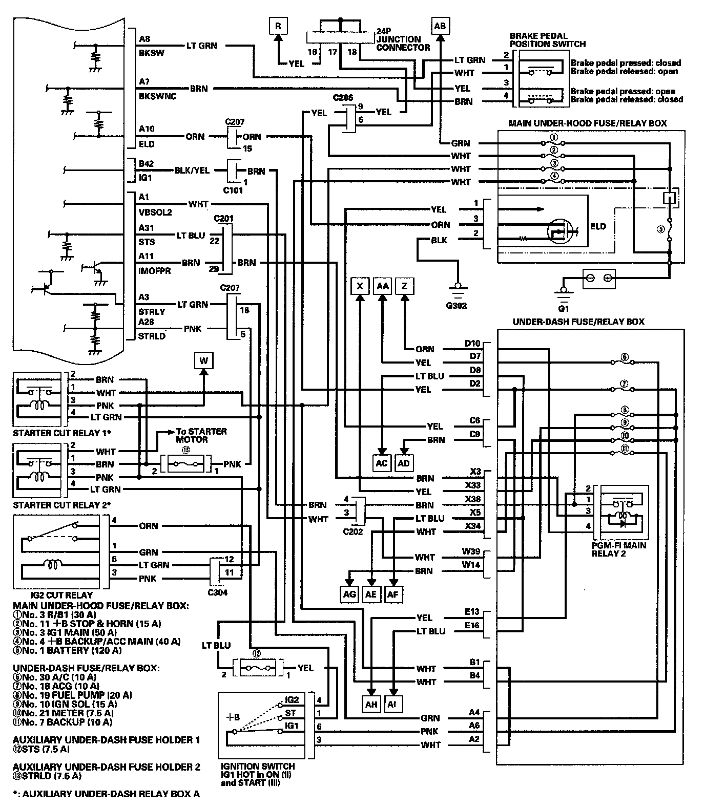
PCM Circuit Diagram (Part 7):



PCM Circuit Diagram (Part 8):



PCM Circuit Diagram (Part 9):



PCM Circuit Diagram (Part 10):



PCM Circuit Diagram (Part 11):



PCM Circuit Diagram (Part 12):



PCM Circuit Diagram (Part 13):