LEMON Manuals: Even more car manuals for everyone: 1960-2025
Home >> Acura >> 2008 >> RL V6-3.5L >> Repair and Diagnosis >> Accessories and Optional Equipment >> Memory Positioning Systems >> Diagrams >> Electrical Diagrams >> Driving Position Memory System (DPMS) Circuit Diagram
April 5, 2026: LEMON Manuals is launched! Read the announcement.

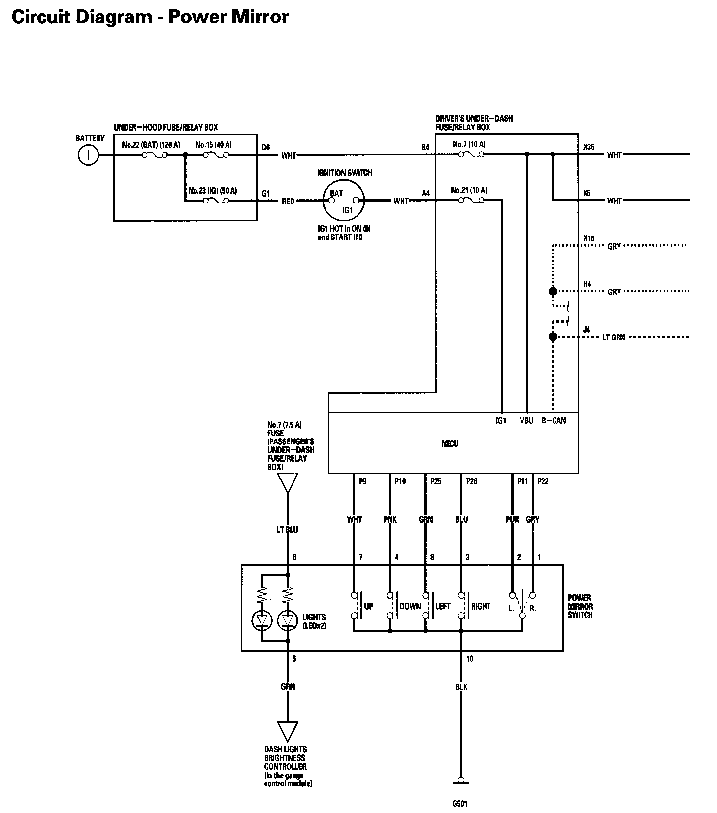
Driving Position Memory System (DPMS) Circuit Diagram

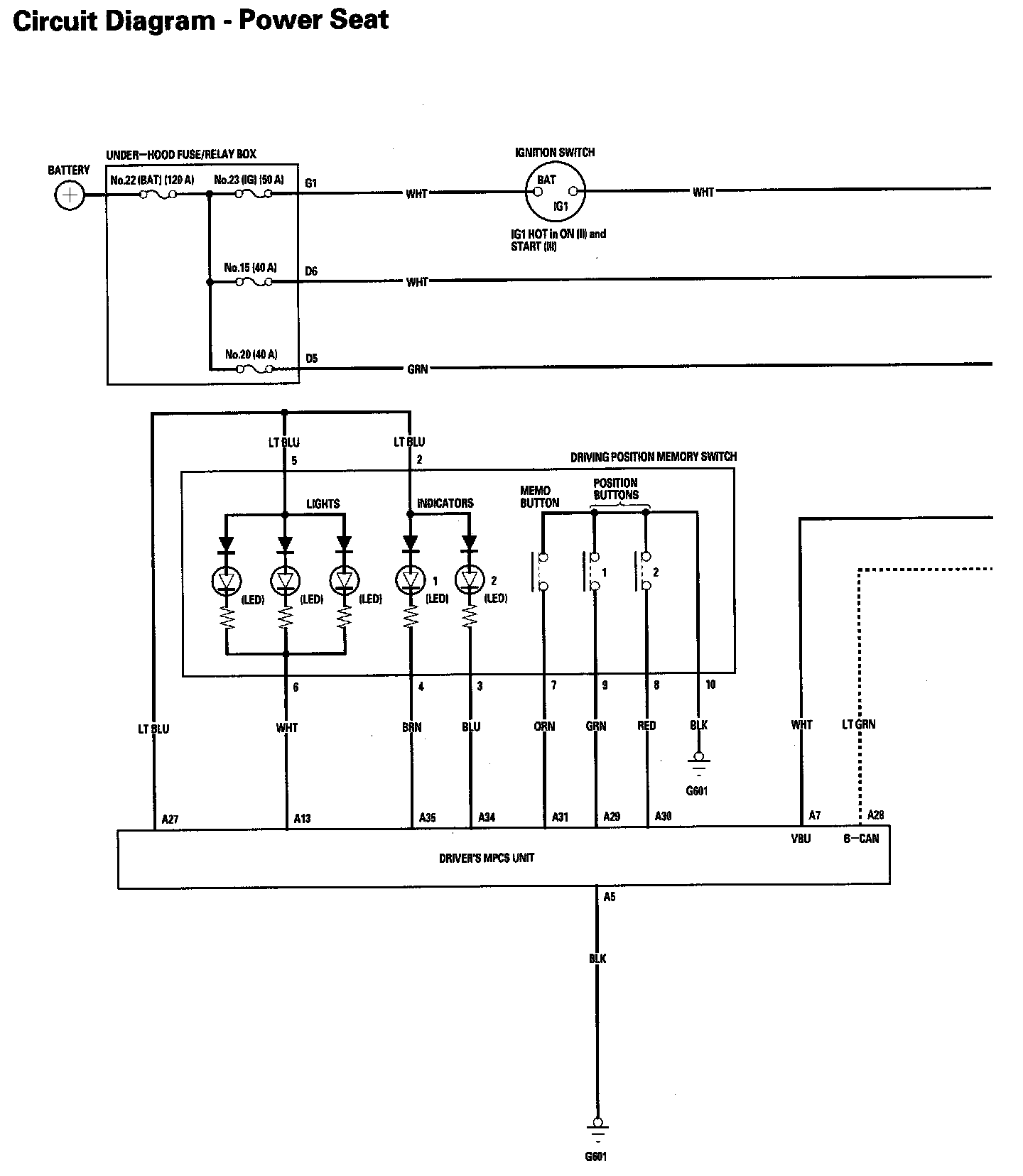
Driving Position Memory System (DPMS) Circuit Diagram Part 1:



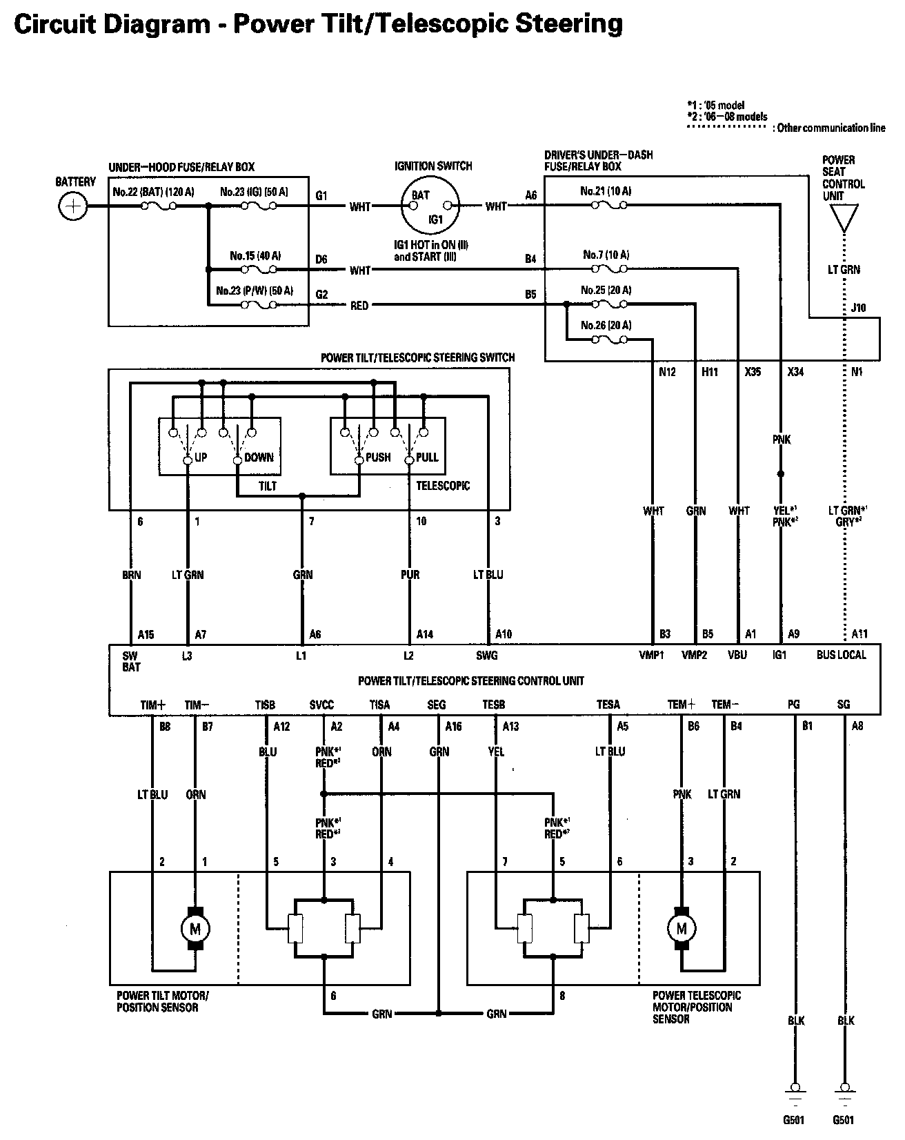
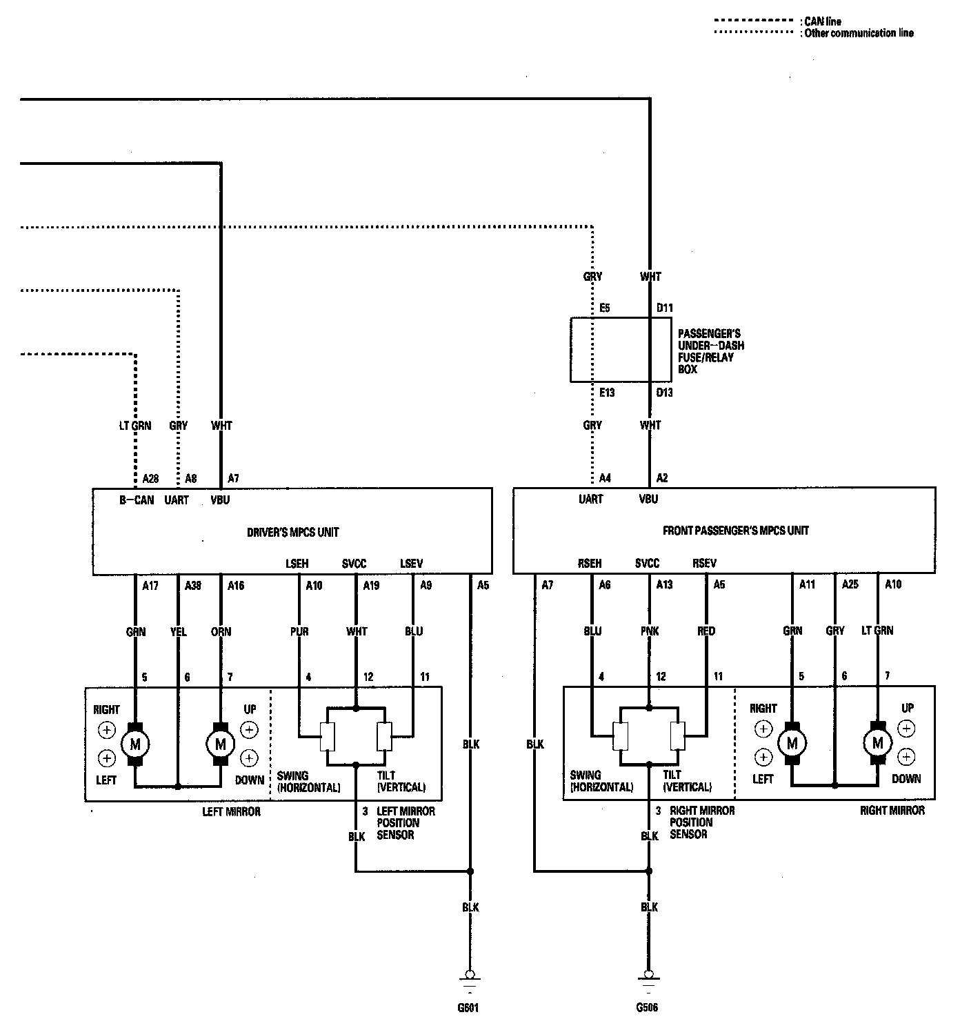
Driving Position Memory System (DPMS) Circuit Diagram Part 2:



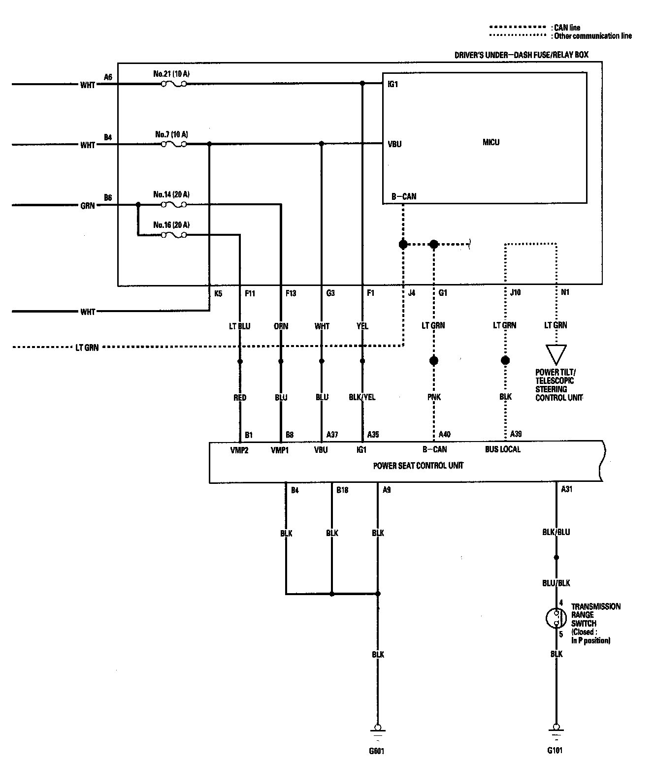
Driving Position Memory System (DPMS) Circuit Diagram Part 3:



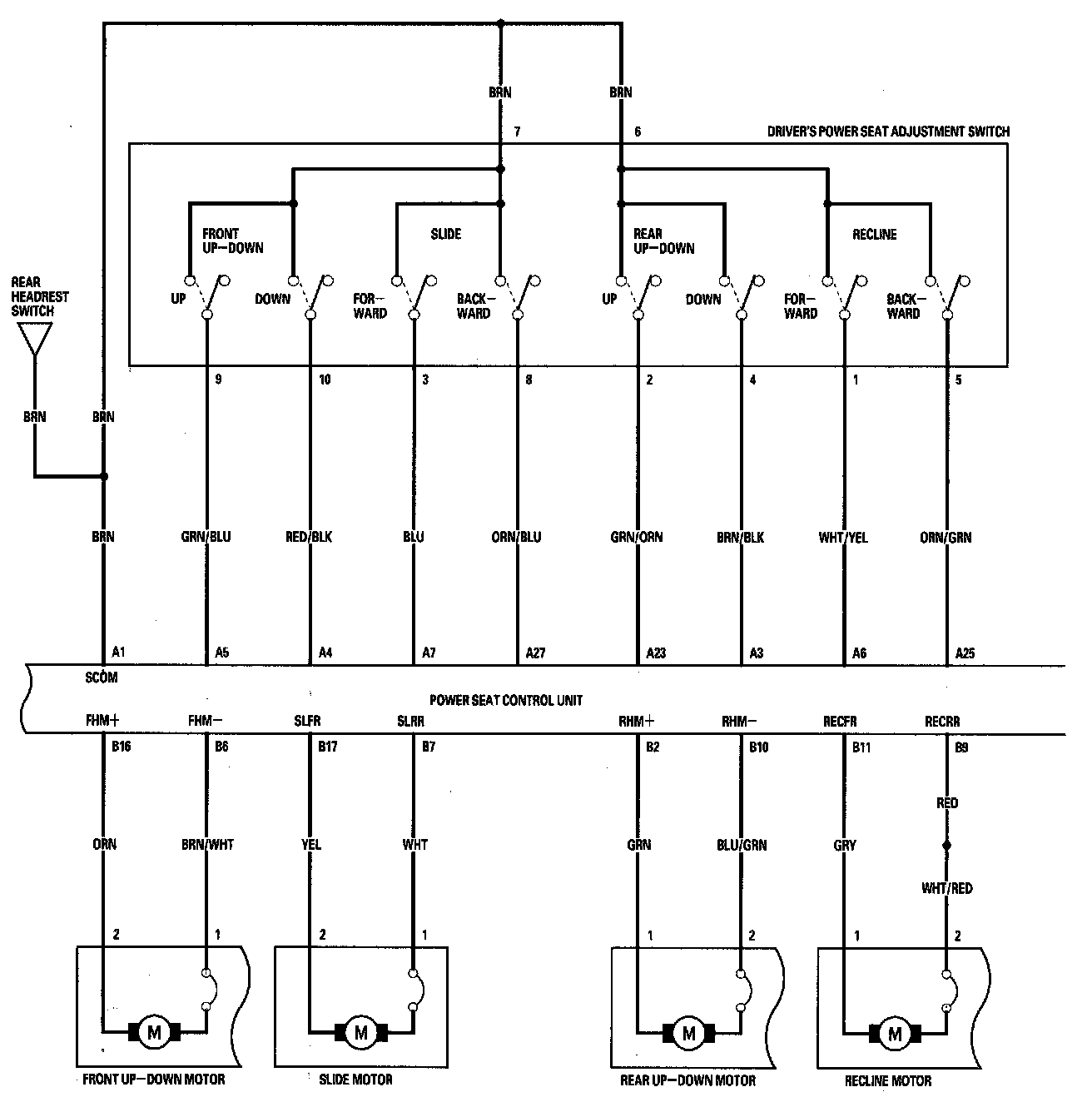
Driving Position Memory System (DPMS) Circuit Diagram Part 4:



Driving Position Memory System (DPMS) Circuit Diagram Part 5:



Driving Position Memory System (DPMS) Circuit Diagram Part 6:



Driving Position Memory System (DPMS) Circuit Diagram Part 7: