LEMON Manuals: Even more car manuals for everyone: 1960-2025
Home >> Acura >> 2008 >> TL V6-3.2L >> Repair and Diagnosis >> Diagrams >> Electrical Diagrams >> Memory Positioning Systems >> Driving Position Memory System (DPMS) Circuit Diagram
April 5, 2026: LEMON Manuals is launched! Read the announcement.

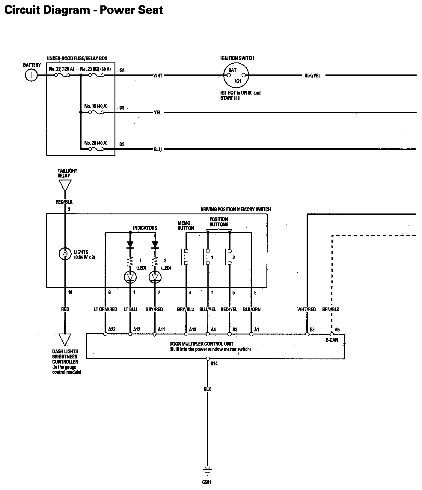
Driving Position Memory System (DPMS) Circuit Diagram

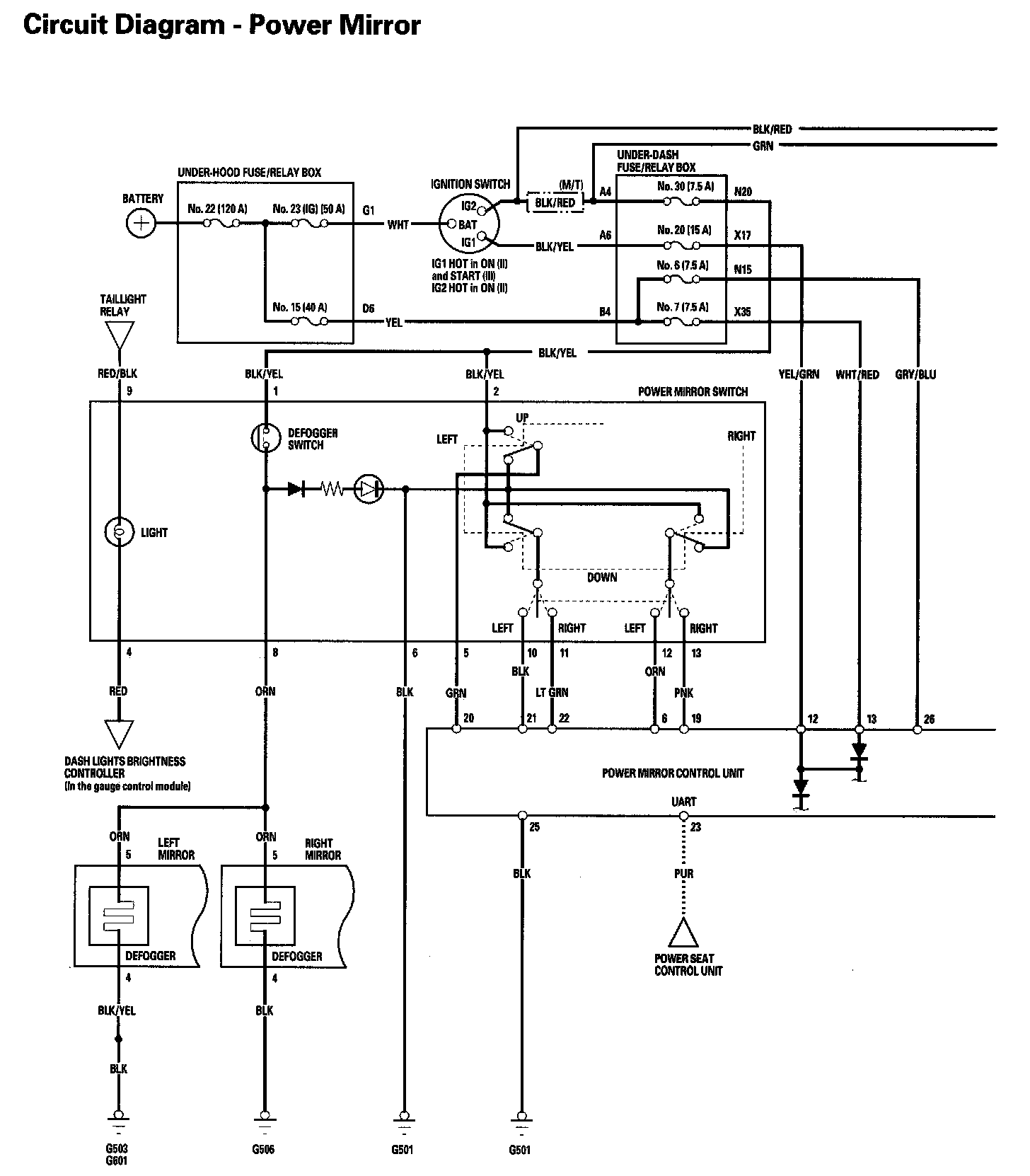
Driving Position Memory System (DPMS) Circuit Diagram Part 1:



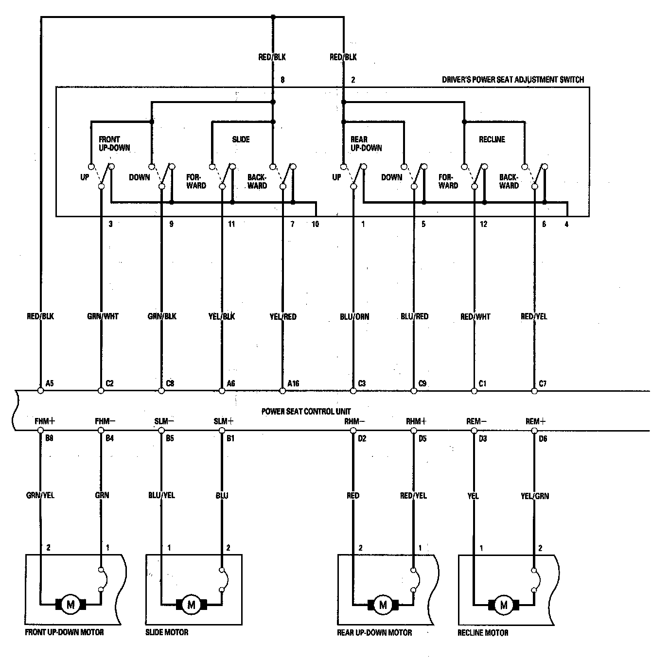
Driving Position Memory System (DPMS) Circuit Diagram Part 2:



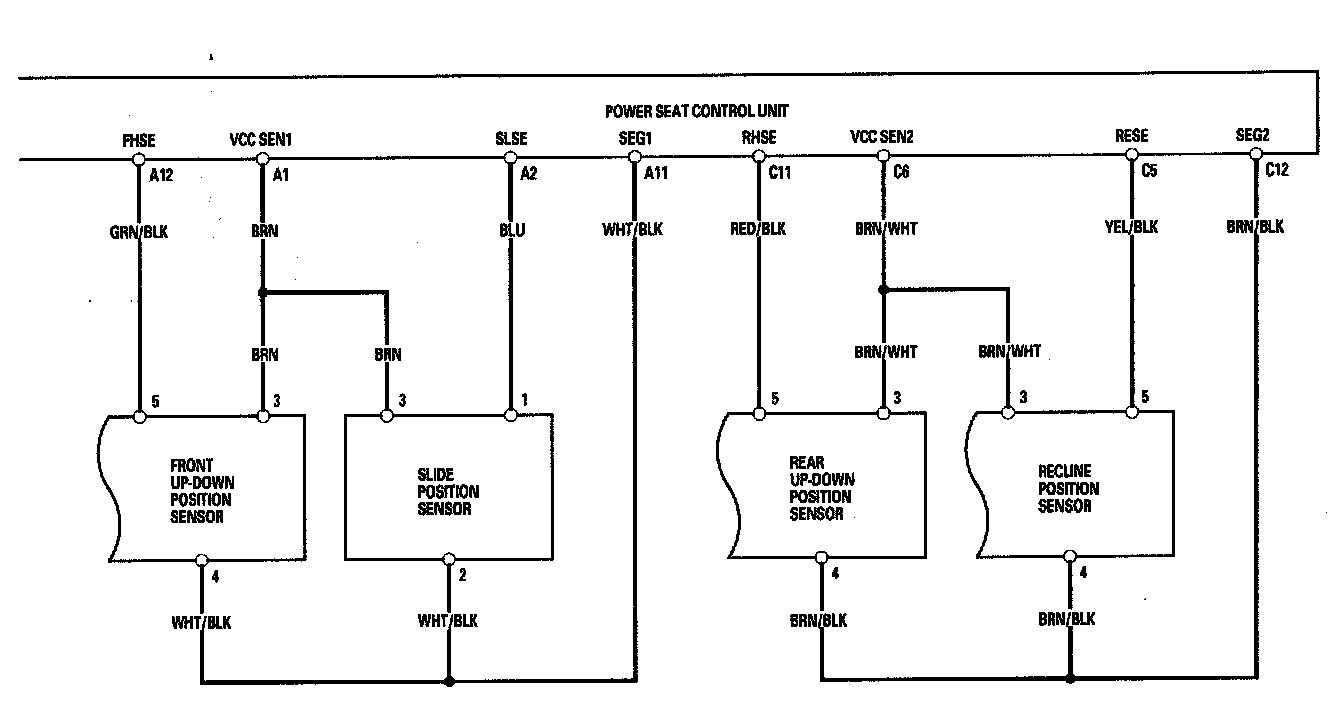
Driving Position Memory System (DPMS) Circuit Diagram Part 3:



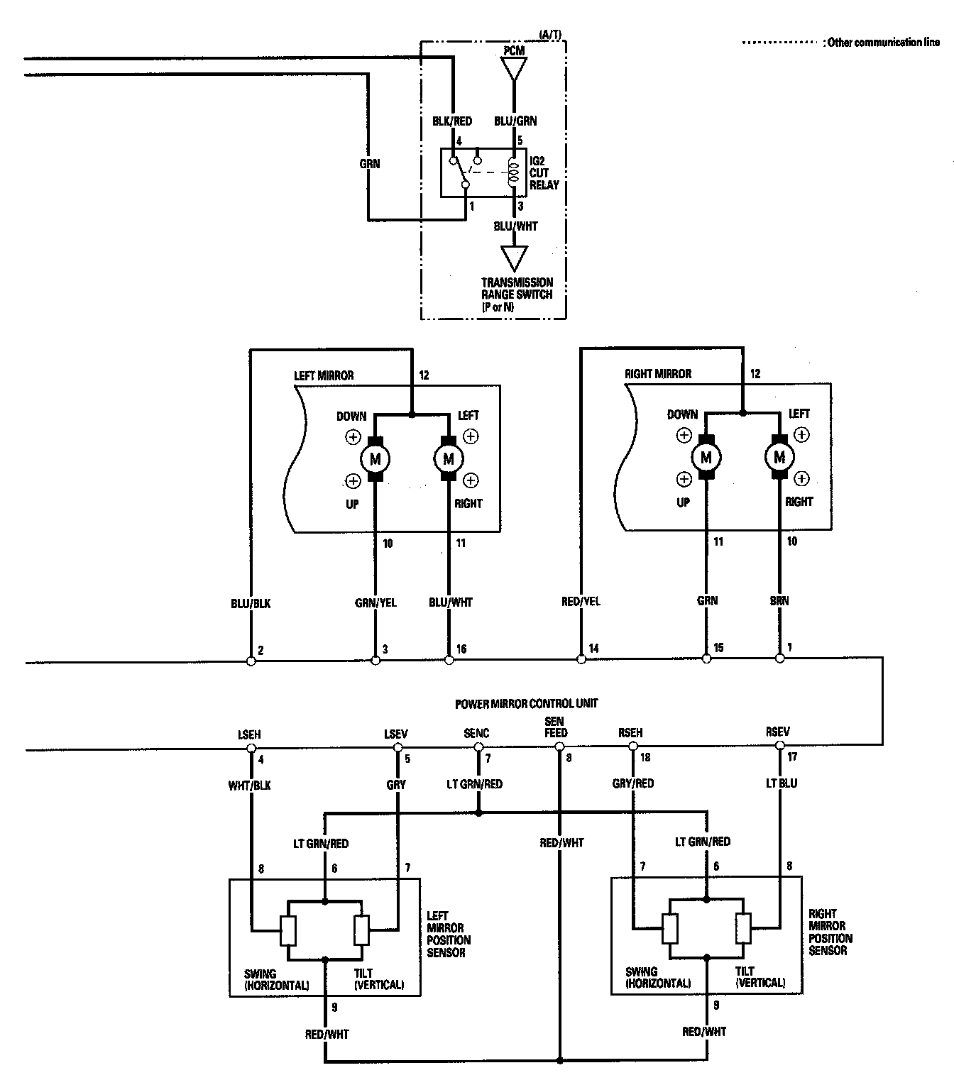
Driving Position Memory System (DPMS) Circuit Diagram Part 4:



Driving Position Memory System (DPMS) Circuit Diagram Part 5:



Driving Position Memory System (DPMS) Circuit Diagram Part 6: