LEMON Manuals: Even more car manuals for everyone: 1960-2025
Home >> Acura >> 2008 >> TL V6-3.2L >> Repair and Diagnosis >> Diagrams >> Electrical Diagrams >> Powertrain Management >> Computers and Control Systems >> Information Bus >> Multiplex Integrated Control System Circuit Diagram
April 5, 2026: LEMON Manuals is launched! Read the announcement.

Multiplex Integrated Control System Circuit Diagram

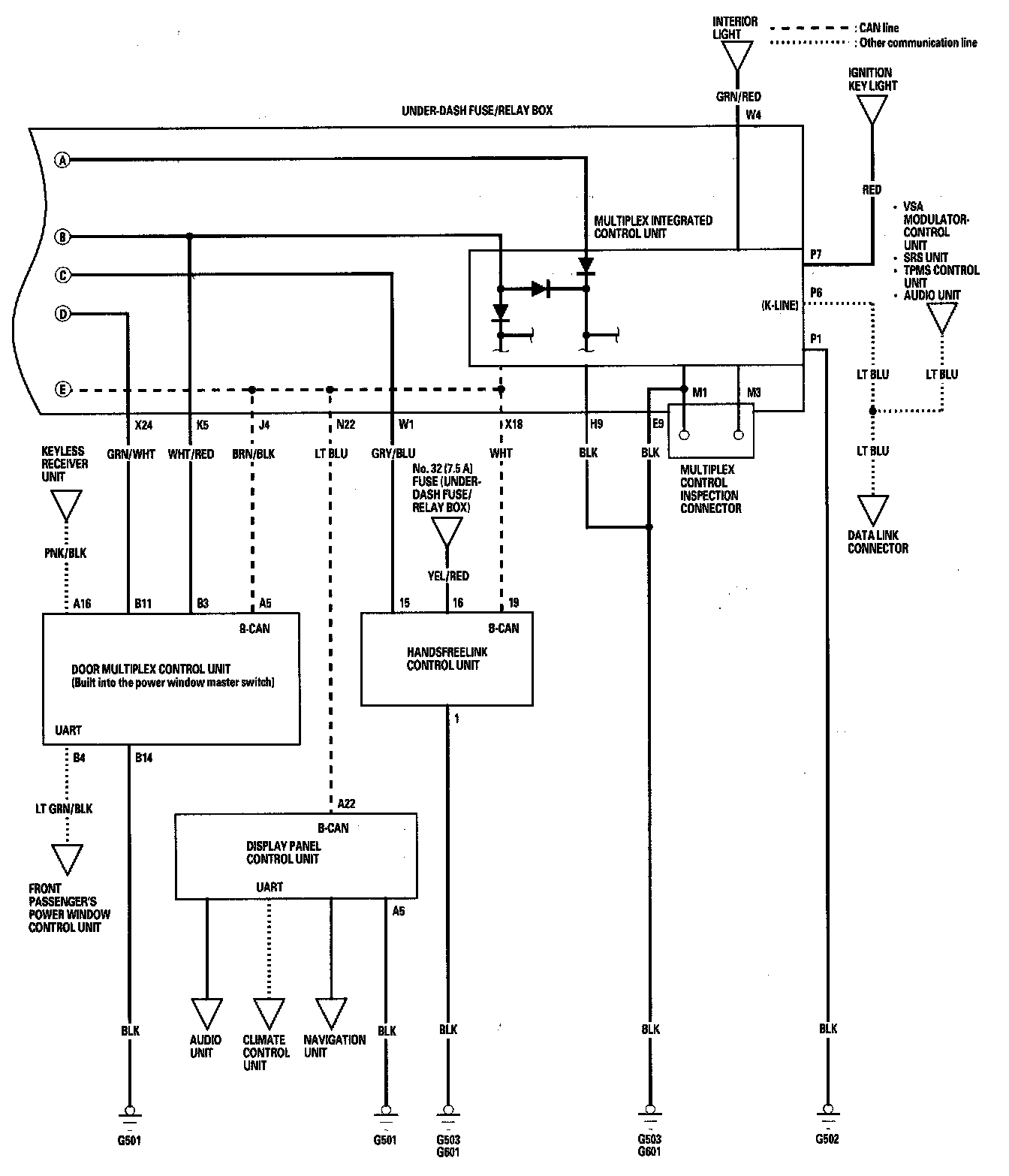
Multiplex Integrated Control System Circuit Diagram Part 1:



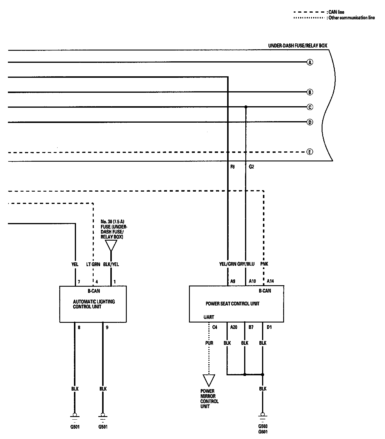
Multiplex Integrated Control System Circuit Diagram Part 2:



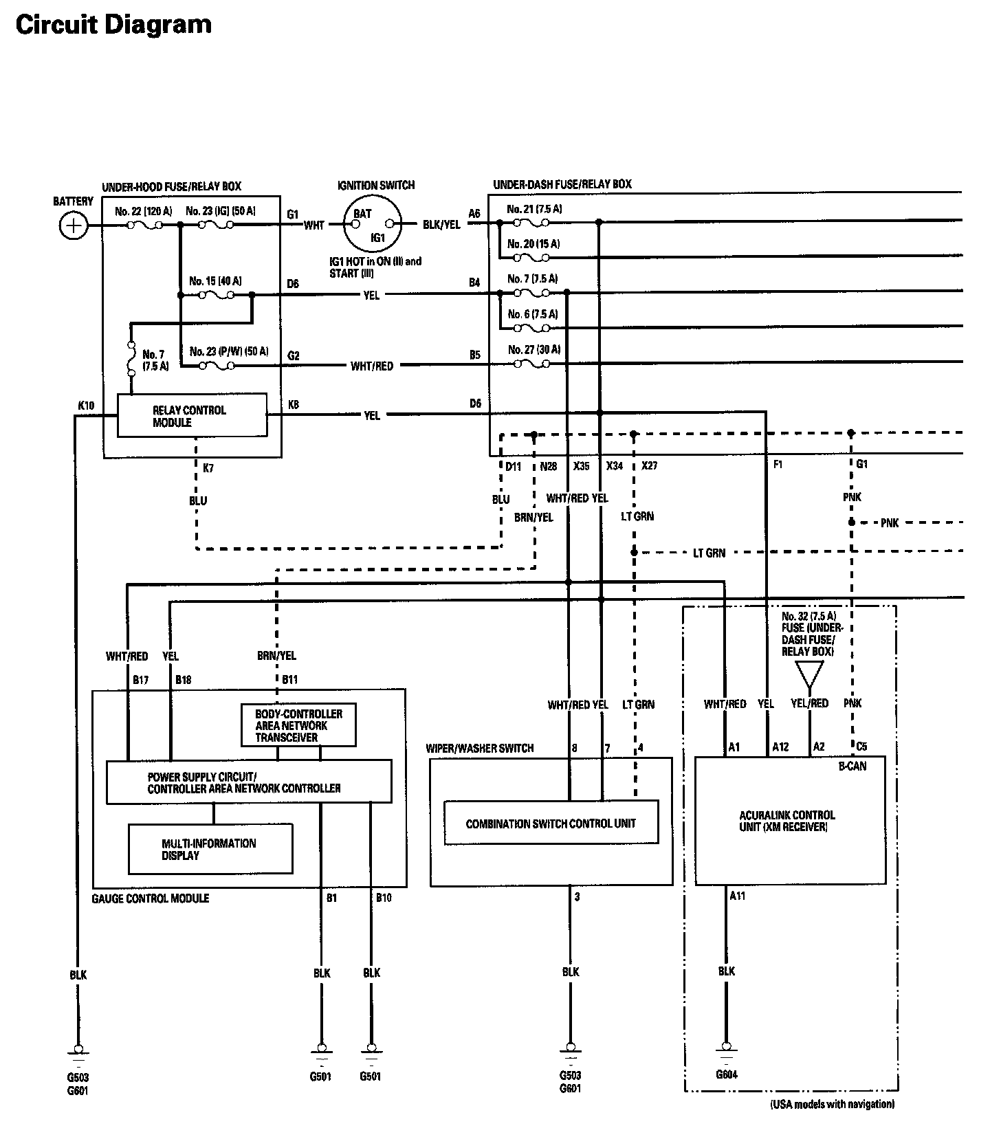
Multiplex Integrated Control System Circuit Diagram Part 3: