LEMON Manuals: Even more car manuals for everyone: 1960-2025
Home >> Acura >> 2009 >> CSX Base, Automatic >> Repair and Diagnosis (Single Page) >> Engine Performance >> System >> Fuel And Emissions Systems >> System Description >> ECM/PCM Circuit Diagram (K20Z3 engine)
April 5, 2026: LEMON Manuals is launched! Read the announcement.

ECM/PCM Circuit Diagram (K20Z3 engine)

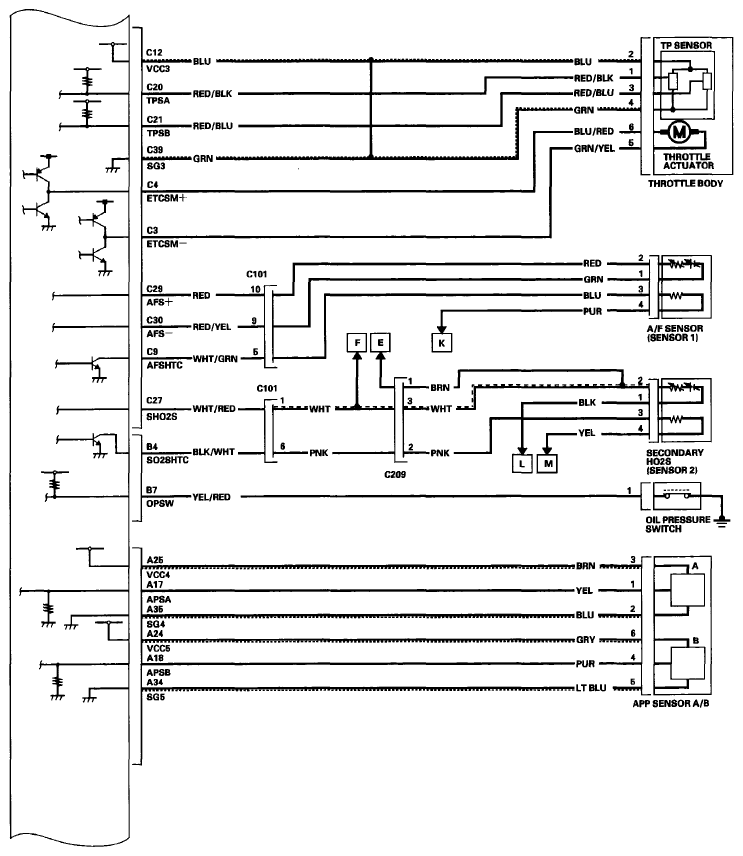
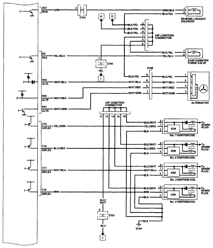
Fig 1: ECM/PCM - Circuit Diagram (K20Z3 Engine) (1 Of 9)
G06265798
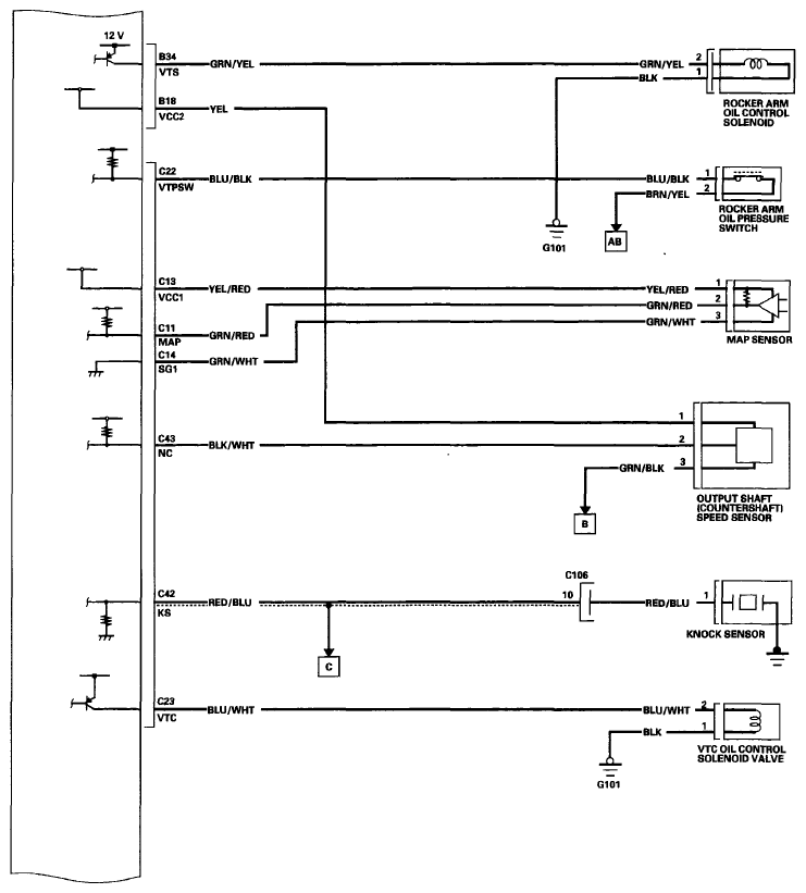
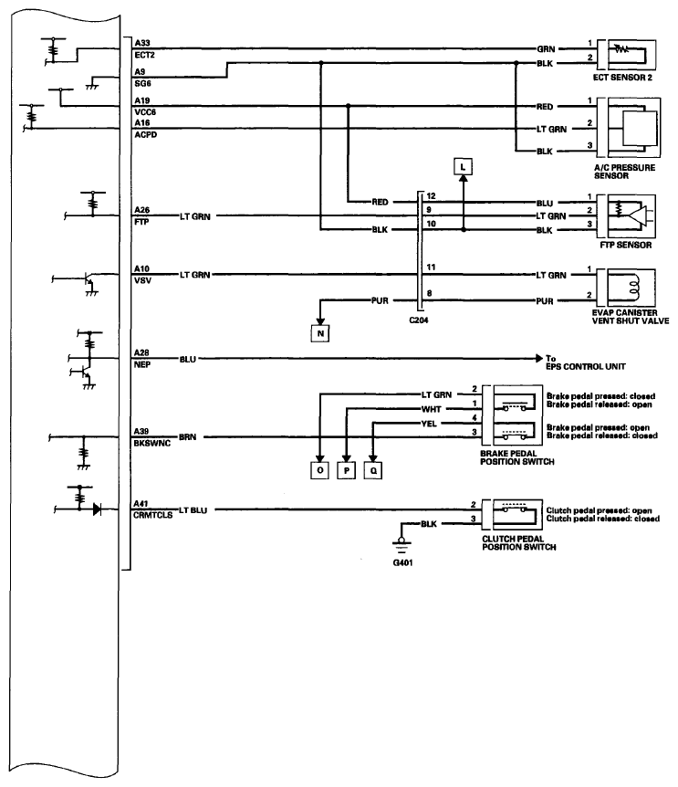
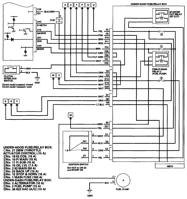
Fig 2: ECM/PCM - Circuit Diagram (K20Z3 Engine) (2 Of 9)
G06265799
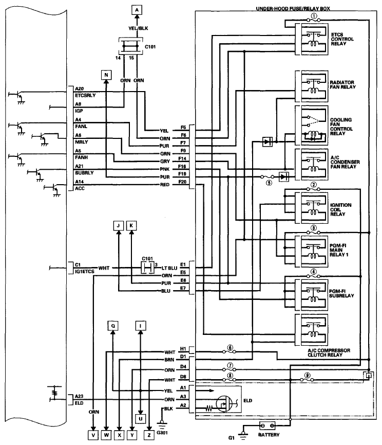
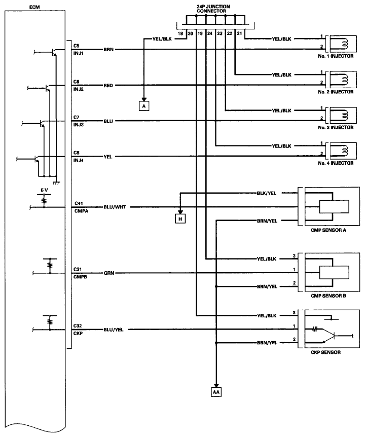
Fig 3: ECM/PCM - Circuit Diagram (K20Z3 Engine) (3 Of 9)
G06265800
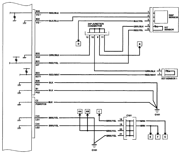
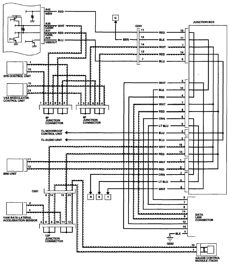
Fig 4: ECM/PCM - Circuit Diagram (K20Z3 Engine) (4 Of 9)
G06265801
Fig 5: ECM/PCM - Circuit Diagram (K20Z3 Engine) (5 Of 9)
G06265802
Fig 6: ECM/PCM - Circuit Diagram (K20Z3 Engine) (6 Of 9)
G06265803
Fig 7: ECM/PCM - Circuit Diagram (K20Z3 Engine) (7 Of 9)
G06265804
Fig 8: ECM/PCM - Circuit Diagram (K20Z3 Engine) (8 Of 9)
G06265805
Fig 9: ECM/PCM - Circuit Diagram (K20Z3 Engine) (9 Of 9)
G06265806