LEMON Manuals: Even more car manuals for everyone: 1960-2025
Home >> Acura >> 2009 >> CSX Base, Automatic >> Repair and Diagnosis >> External Pages >> Different car >> Section 47 (Audio System) >> Circuit Diagram >> With navigation
April 5, 2026: LEMON Manuals is launched! Read the announcement.

With navigation

WARNING: This page is about a different car, the 2011 Acura TL, 2010 Acura TL, and 2009 Acura TL. However, it is still accessible from the selected car via links, so may be relevant.
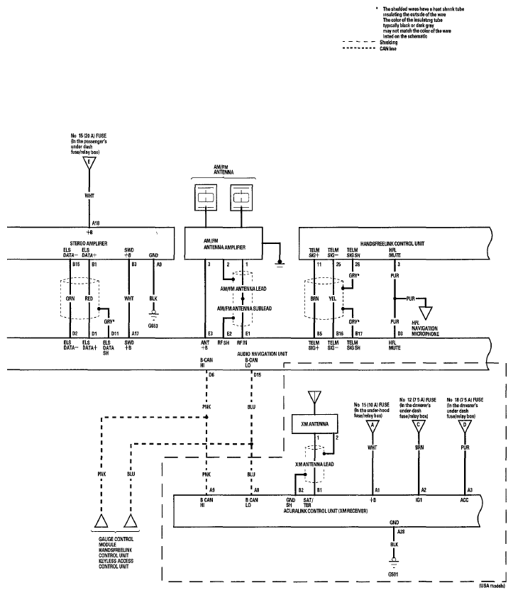
Fig 1: Audio System Circuit Diagram - With Navigation (1 Of 6)
G05989489Courtesy of AMERICAN HONDA MOTOR CO., INC.
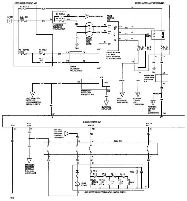
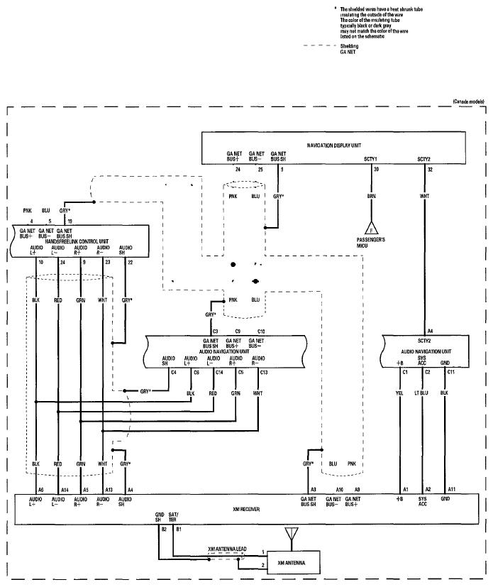
Fig 2: Audio System Circuit Diagram - With Navigation (2 Of 6)
G05989490Courtesy of AMERICAN HONDA MOTOR CO., INC.
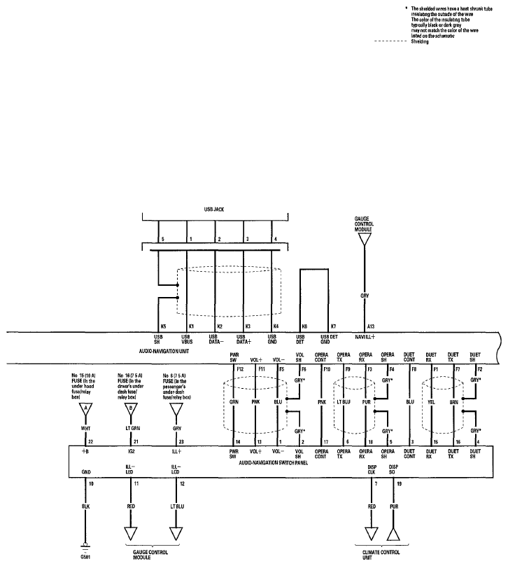
Fig 3: Audio System Circuit Diagram - With Navigation (3 Of 6)
G05989491Courtesy of AMERICAN HONDA MOTOR CO., INC.
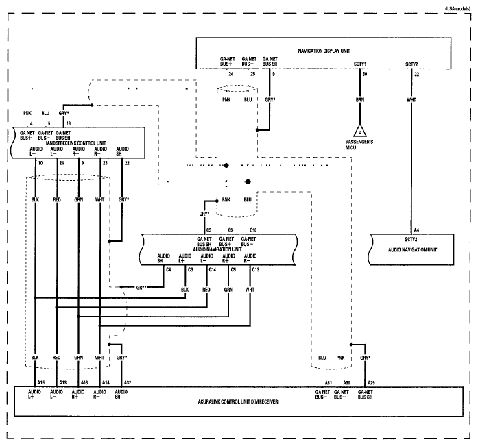
Fig 4: Audio System Circuit Diagram - With Navigation (4 Of 6)
G05989492Courtesy of AMERICAN HONDA MOTOR CO., INC.
Fig 5: Audio System Circuit Diagram - With Navigation (5 Of 6)
G05989493Courtesy of AMERICAN HONDA MOTOR CO., INC.
Fig 6: Audio System Circuit Diagram - With Navigation (6 Of 6)
G05989494Courtesy of AMERICAN HONDA MOTOR CO., INC.