LEMON Manuals: Even more car manuals for everyone: 1960-2025
Home >> Acura >> 2009 >> CSX Base, Automatic >> Repair and Diagnosis >> External Pages >> Different car >> Section 68 (Keyless/Power Door Locks/Security System) >> Circuit Diagram
April 5, 2026: LEMON Manuals is launched! Read the announcement.

Circuit Diagram

WARNING: This page is about a different car, the 2011 Acura TL, 2010 Acura TL, and 2009 Acura TL. However, it is still accessible from the selected car via links, so may be relevant.
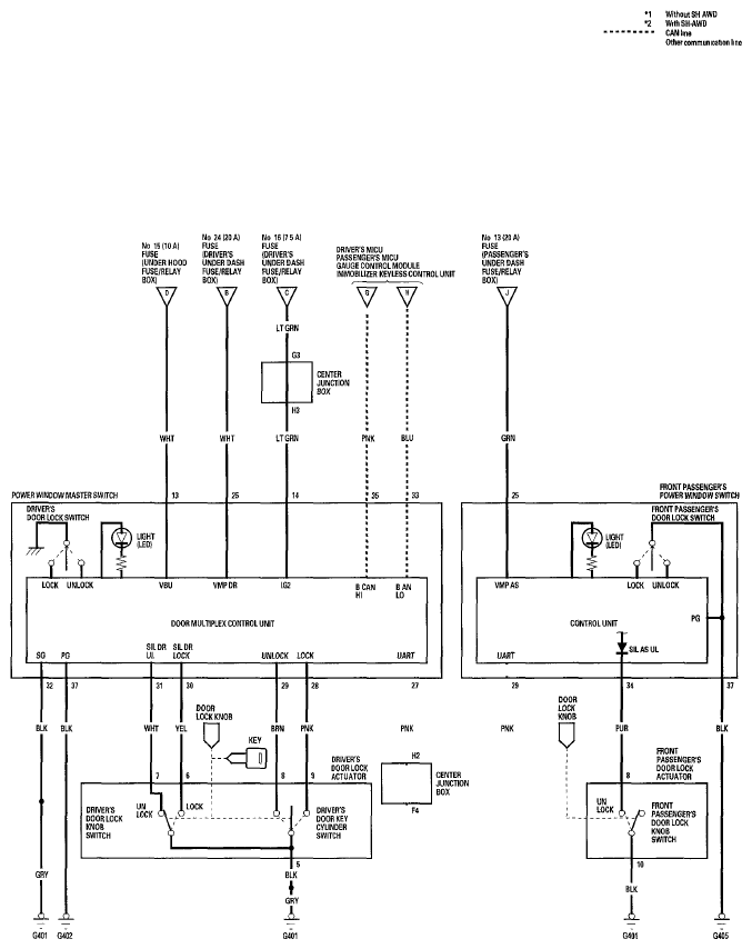
Fig 1: Security System Circuit Diagram (1 Of 4)
G05988865Courtesy of AMERICAN HONDA MOTOR CO., INC.
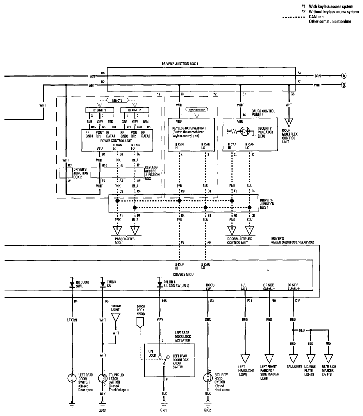
Fig 2: Security System Circuit Diagram (2 Of 4)
G05988866Courtesy of AMERICAN HONDA MOTOR CO., INC.
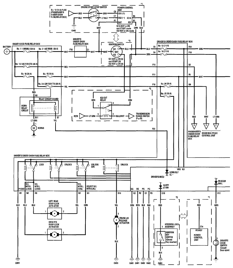
Fig 3: Security System Circuit Diagram (3 Of 4)
G05988867Courtesy of AMERICAN HONDA MOTOR CO., INC.
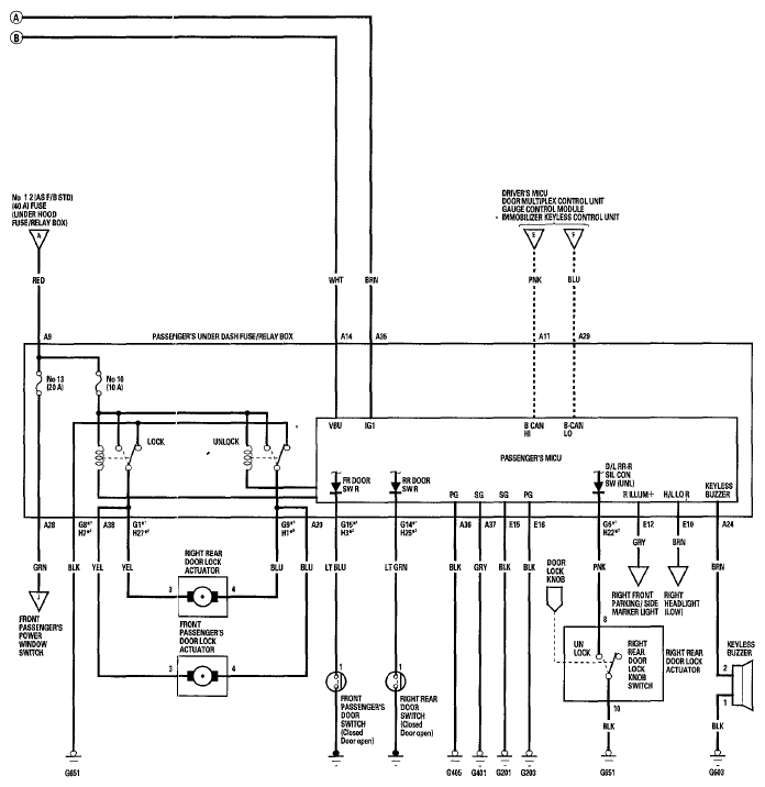
Fig 4: Security System Circuit Diagram (4 Of 4)
G05988868Courtesy of AMERICAN HONDA MOTOR CO., INC.