LEMON Manuals: Even more car manuals for everyone: 1960-2025
Home >> Acura >> 2009 >> CSX Base, Automatic >> Repair and Diagnosis >> External Pages >> Different car >> Section 79 (Cruise Control Systems) >> Circuit Diagram >> With Keyless Access System
April 5, 2026: LEMON Manuals is launched! Read the announcement.

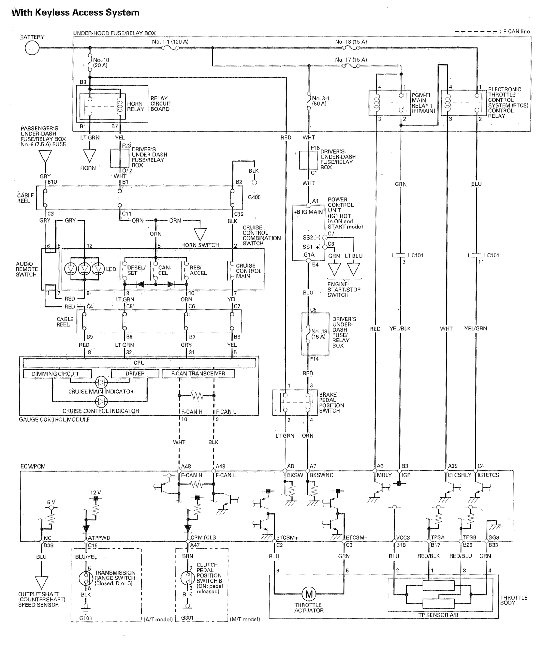
With Keyless Access System

WARNING: This page is about a different car, the 2011 Acura TL, 2010 Acura TL, and 2009 Acura TL. However, it is still accessible from the selected car via links, so may be relevant.
Fig 1: Cruise Control Circuit Diagram - With Keyless Access System
G06679402Courtesy of AMERICAN HONDA MOTOR CO., INC.