LEMON Manuals: Even more car manuals for everyone: 1960-2025
Home >> Acura >> 2009 >> CSX Base, Standard >> Repair and Diagnosis (Single Page) >> Engine Performance >> System >> Fuel And Emissions Systems >> System Description >> Electronic Control System >> ECM/PCM Electrical Connections
April 5, 2026: LEMON Manuals is launched! Read the announcement.

ECM/PCM Electrical Connections

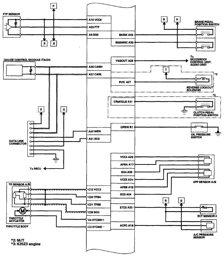
Fig 1: ECM/PCM Electrical Connections - Circuit Diagram (1 Of 5)
G06265745
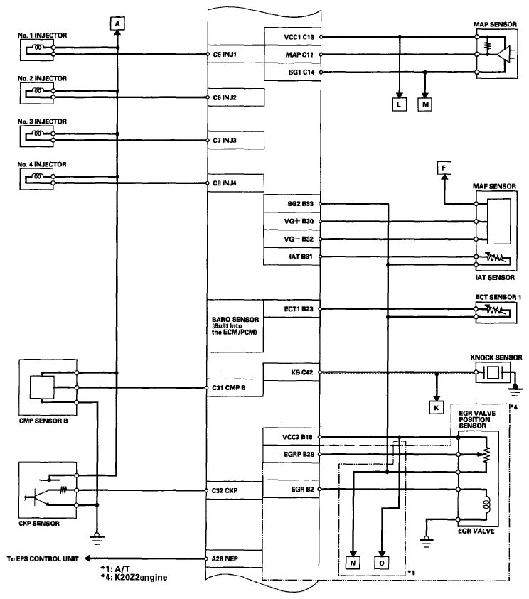
Fig 2: ECM/PCM Electrical Connections - Circuit Diagram (2 Of 5)
G06265746
Fig 3: ECM/PCM Electrical Connections - Circuit Diagram (3 Of 5)
G06265747
Fig 4: ECM/PCM Electrical Connections - Circuit Diagram (4 Of 5)
G06265748
Fig 5: ECM/PCM Electrical Connections - Circuit Diagram (5 Of 5)
G06265749