LEMON Manuals: Even more car manuals for everyone: 1960-2025
Home >> Acura >> 2009 >> CSX Base, Standard >> Repair and Diagnosis >> Accessories & Equipment >> Communication Devices >> Multiplex Integrated Control System >> Circuit Diagram
April 5, 2026: LEMON Manuals is launched! Read the announcement.

Circuit Diagram

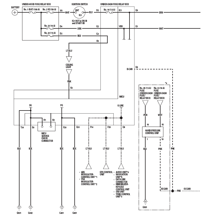
Fig 1: Under-Hood Fuse/Relay Box - Circuit Diagram (1 Of 2)
G00490251Courtesy of AMERICAN HONDA MOTOR CO., INC.
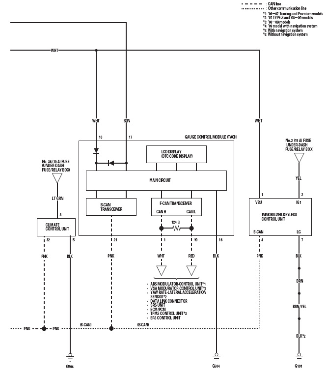
Fig 2: Under-Hood Fuse/Relay Box - Circuit Diagram (2 Of 2)
G00490252Courtesy of AMERICAN HONDA MOTOR CO., INC.