LEMON Manuals: Even more car manuals for everyone: 1960-2025
Home >> Acura >> 2009 >> CSX Base, Standard >> Repair and Diagnosis >> External Pages >> Different car >> Section 17 (Climate Control System) >> Climate Control >> Circuit Diagram
April 5, 2026: LEMON Manuals is launched! Read the announcement.

Circuit Diagram

WARNING: This page is about a different car, the 2011 Acura TL, 2010 Acura TL, and 2009 Acura TL. However, it is still accessible from the selected car via links, so may be relevant.
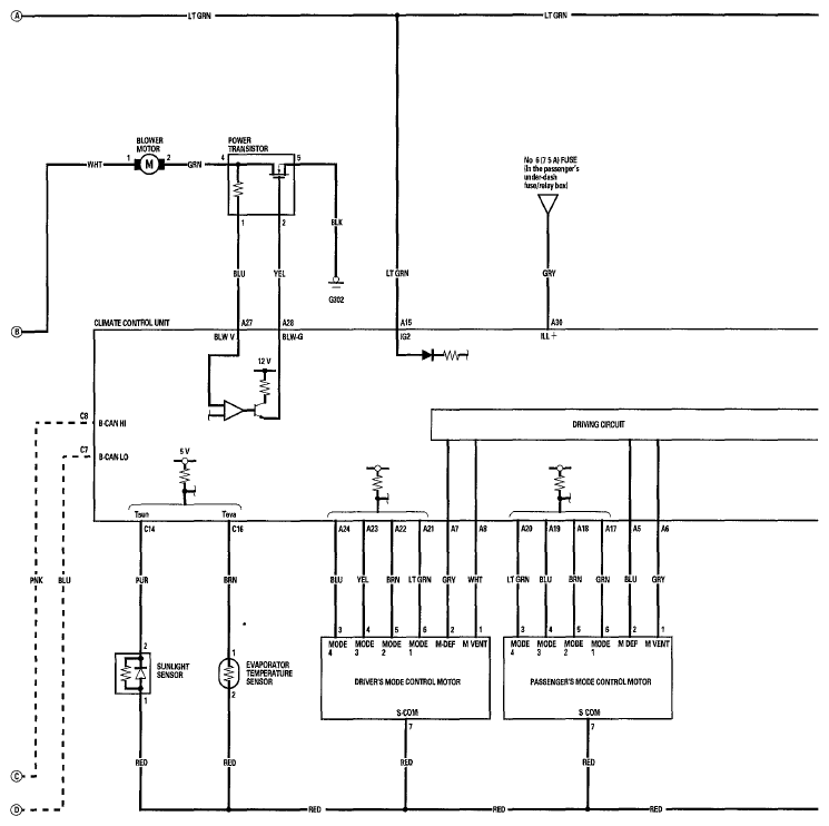
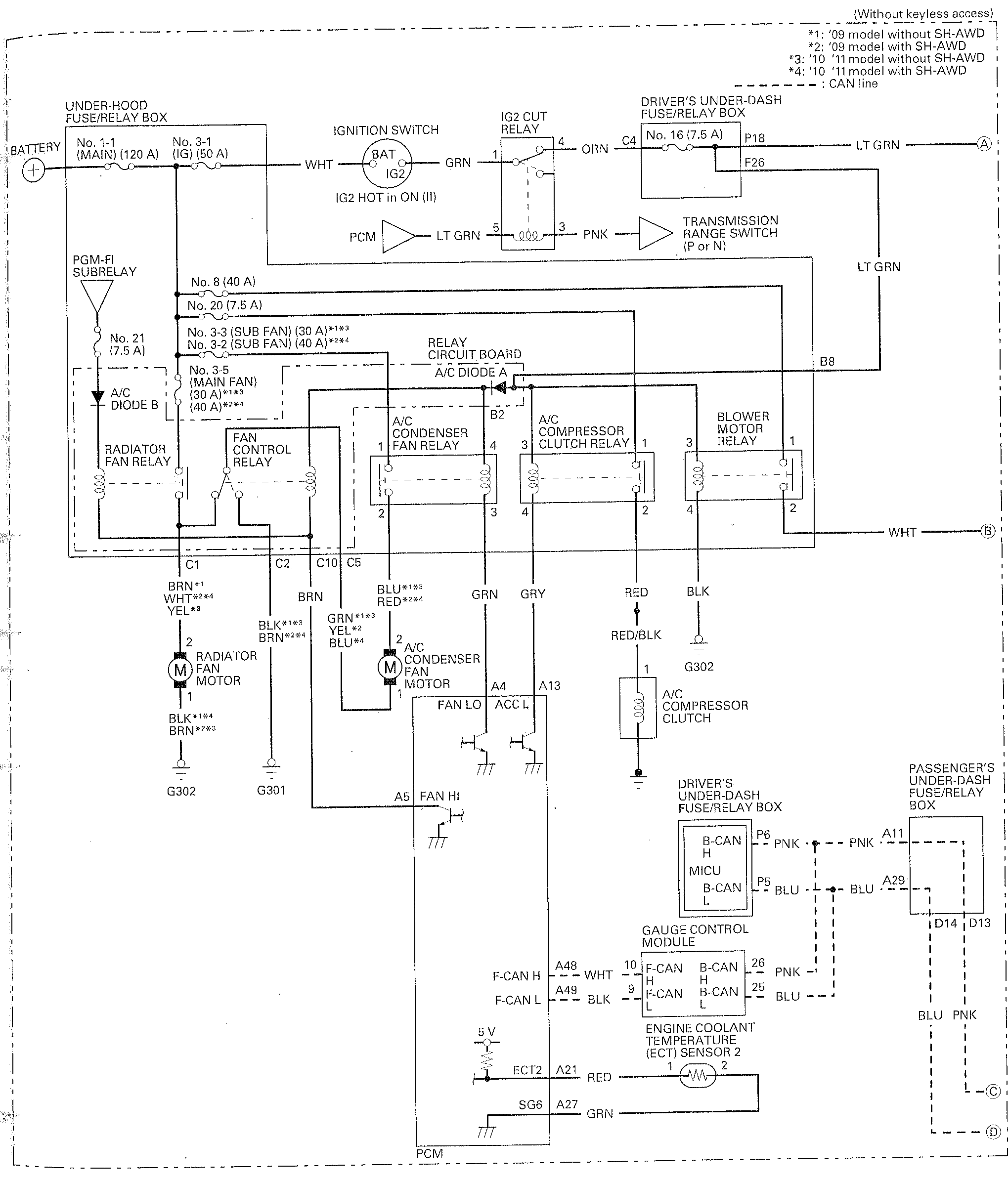
Fig 1: Climate Control Unit Circuit Diagram (1 Of 5)
G00490009Courtesy of AMERICAN HONDA MOTOR CO., INC.
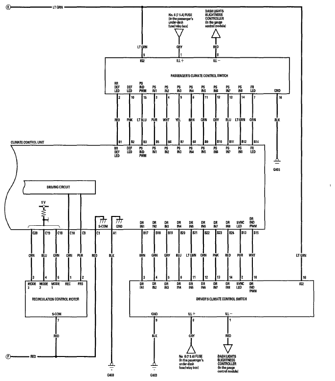
Fig 2: Climate Control Unit Circuit Diagram (2 Of 5)
G00490010Courtesy of AMERICAN HONDA MOTOR CO., INC.
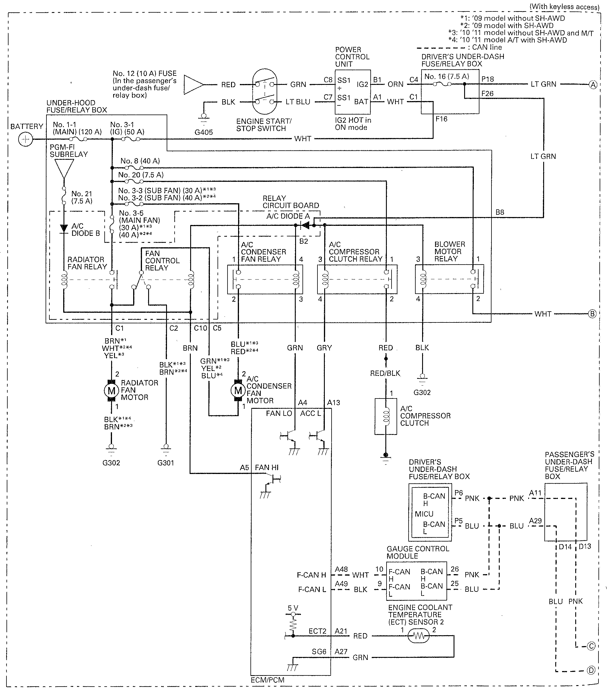
Fig 3: Climate Control Unit Circuit Diagram (3 Of 5)
G05988559Courtesy of AMERICAN HONDA MOTOR CO., INC.
Fig 4: Climate Control Unit Circuit Diagram (4 Of 5)
G05988560Courtesy of AMERICAN HONDA MOTOR CO., INC.
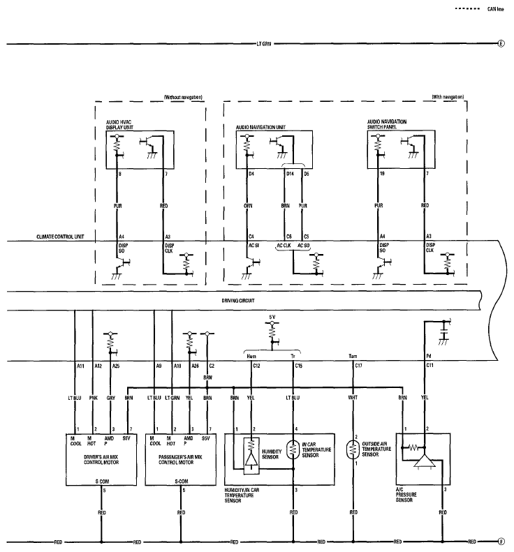
Fig 5: Climate Control Unit Circuit Diagram (5 Of 5)
G05988561Courtesy of AMERICAN HONDA MOTOR CO., INC.