LEMON Manuals: Even more car manuals for everyone: 1960-2025
Home >> Acura >> 2009 >> CSX Base, Standard >> Repair and Diagnosis >> External Pages >> Different car >> Section 22 (Ignition Switch) >> Circuit Diagram >> Without Keyless Access System
April 5, 2026: LEMON Manuals is launched! Read the announcement.

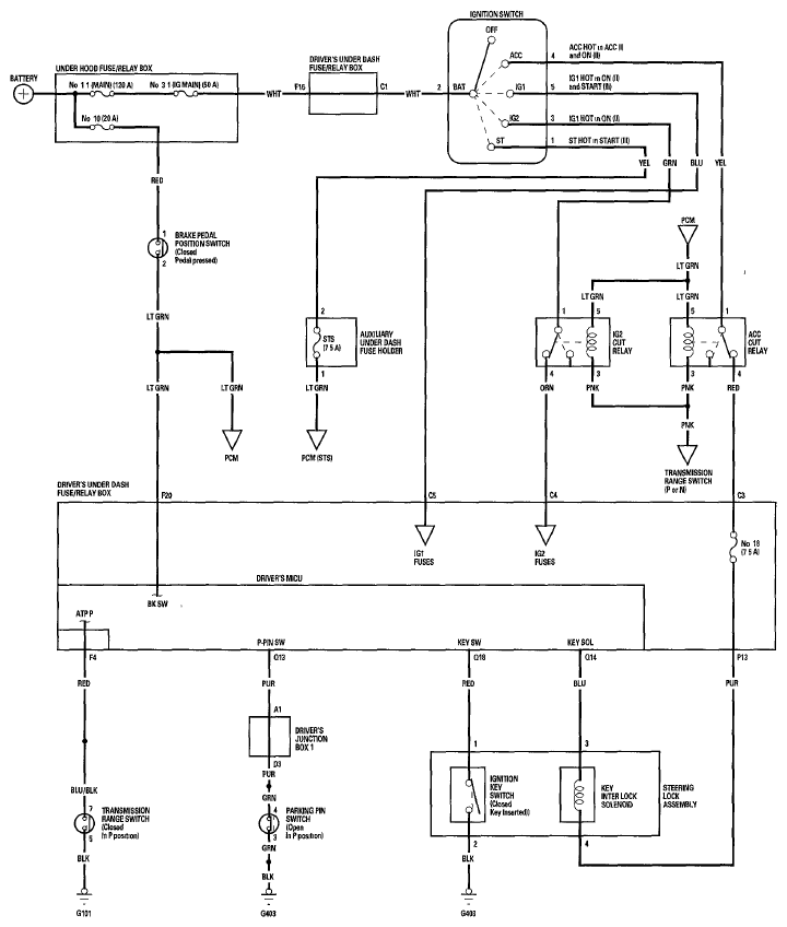
Without Keyless Access System

WARNING: This page is about a different car, the 2011 Acura TL, 2010 Acura TL, and 2009 Acura TL. However, it is still accessible from the selected car via links, so may be relevant.
Fig 1: Ignition Switch Circuit Diagram (Without Keyless Access System)
G05988829Courtesy of AMERICAN HONDA MOTOR CO., INC.