LEMON Manuals: Even more car manuals for everyone: 1960-2025
Home >> Acura >> 2009 >> CSX Base, Standard >> Repair and Diagnosis >> External Pages >> Different car >> Section 48 (Multiplex Integrated Control System) >> Circuit Diagram
April 5, 2026: LEMON Manuals is launched! Read the announcement.

Circuit Diagram

WARNING: This page is about a different car, the 2011 Acura TL, 2010 Acura TL, and 2009 Acura TL. However, it is still accessible from the selected car via links, so may be relevant.
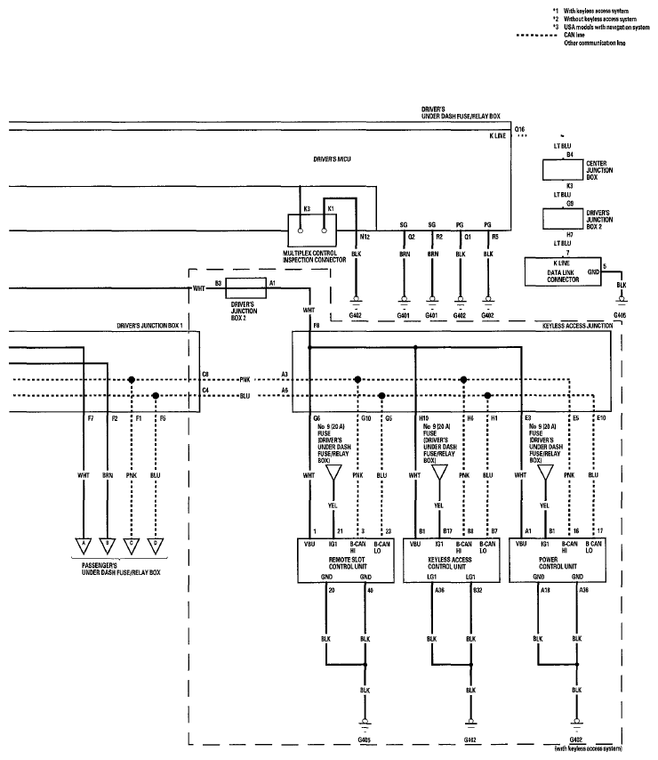
Fig 1: Multiplex Integrated Control System - Circuit Diagram (1 Of 3)
G05988852Courtesy of AMERICAN HONDA MOTOR CO., INC.
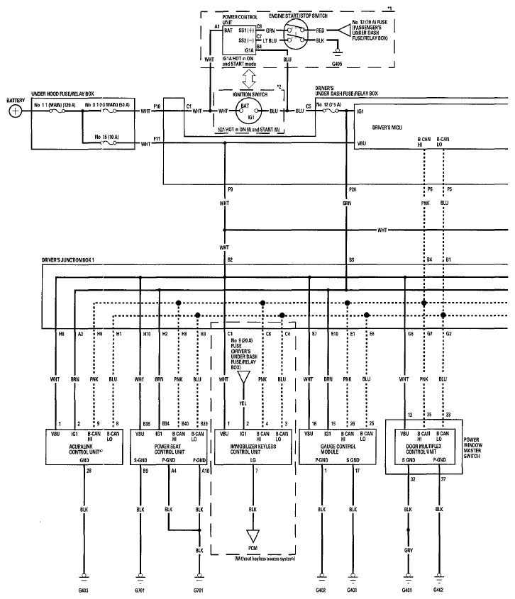
Fig 2: Multiplex Integrated Control System - Circuit Diagram (2 Of 3)
G05988853Courtesy of AMERICAN HONDA MOTOR CO., INC.
Fig 3: Multiplex Integrated Control System - Circuit Diagram (3 Of 3)
G05988854Courtesy of AMERICAN HONDA MOTOR CO., INC.