LEMON Manuals: Even more car manuals for everyone: 1960-2025
Home >> Acura >> 2009 >> CSX Type-S >> Repair and Diagnosis >> Body & Frame >> Windows >> Power Windows >> Circuit Diagram
April 5, 2026: LEMON Manuals is launched! Read the announcement.

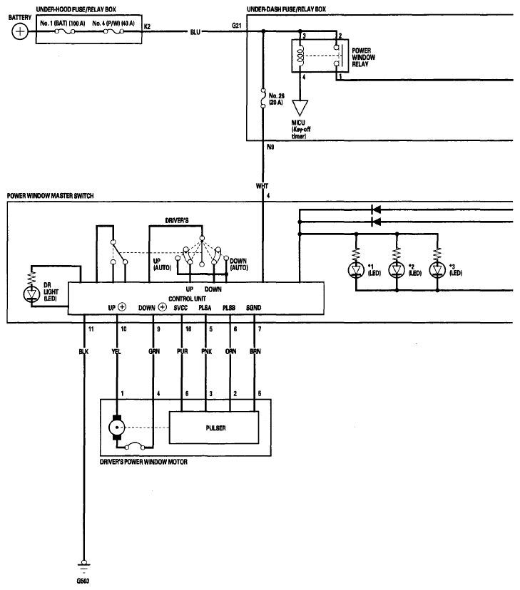
Circuit Diagram

Fig 1: Power Windows - Circuit Diagram (1 Of 2)
G06268793Courtesy of AMERICAN HONDA MOTOR CO., INC.
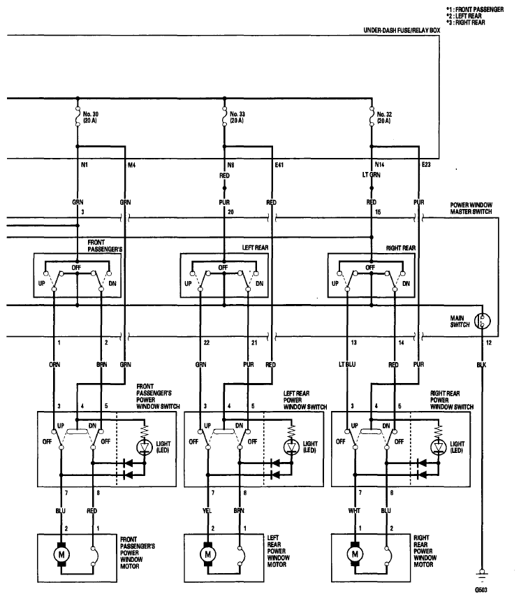
Fig 2: Power Windows - Circuit Diagram (2 Of 2)
G06268794Courtesy of AMERICAN HONDA MOTOR CO., INC.