LEMON Manuals: Even more car manuals for everyone: 1960-2025
Home >> Acura >> 2009 >> CSX Type-S >> Repair and Diagnosis >> Body & Frame >> Windows >> Rear Window Defogger >> Circuit Diagram
April 5, 2026: LEMON Manuals is launched! Read the announcement.

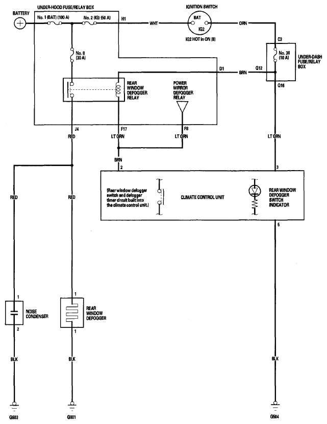
Circuit Diagram

Fig 1: Rear Window Defogger - Circuit Diagram
G06268895Courtesy of AMERICAN HONDA MOTOR CO., INC.