LEMON Manuals: Even more car manuals for everyone: 1960-2025
Home >> Acura >> 2009 >> MDX >> Repair and Diagnosis >> Engine Performance >> System >> Advanced Diagnostics >> DTC P0389: Crankshaft Position (CKP) Sensor B Intermittent Interruption >> Notes
April 5, 2026: LEMON Manuals is launched! Read the announcement.

DTC P0389: Crankshaft Position (CKP) Sensor B Intermittent Interruption: Notes

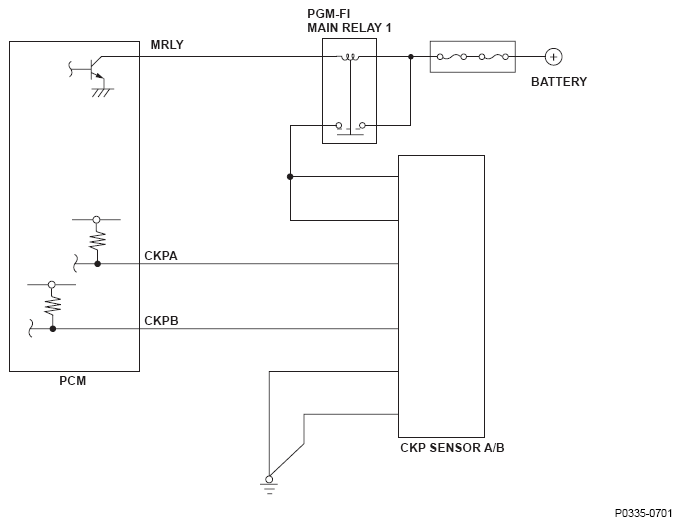
Fig 1: Crankshaft Position (CKP) Sensor B - Circuit Diagram (Intermittent Interruption)
G08518751Courtesy of AMERICAN HONDA MOTOR CO., INC.