LEMON Manuals: Even more car manuals for everyone: 1960-2025
Home >> Acura >> 2009 >> MDX >> Repair and Diagnosis >> Transmission >> Automatic Trans >> Automatic Transmission >> Transfer Assembly Installation
April 5, 2026: LEMON Manuals is launched! Read the announcement.

Transfer Assembly Installation

  1. Clean the areas where the transfer assembly contacts the transmission with solvent, and dry with compressed air. Then apply transmission fluid to the contact area.
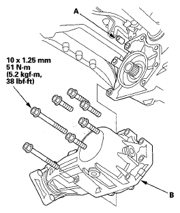
  2. Install the dowel pin (A) in the transmission, and install the transfer assembly (B) on the transmission.
    Fig 1: Dowel Pin And Transfer Assembly With Torque Specification
    G05485663Courtesy of AMERICAN HONDA MOTOR CO., INC.
  3. Install the propeller shaft (A) to the transfer companion flange (B) by aligning the reference mark(C).
    Fig 2: Reference Mark Across Propeller Shaft And Transfer Companion Flange With Torque Specification
    G05485664Courtesy of AMERICAN HONDA MOTOR CO., INC.
  4. Secure the transfer breather hose bracket (A) on the transfer assembly with the bolt, and install the breather hose (B) over the breather pipe (C) with the dot (D) facing out.
    Fig 3: Transfer Breather Hose Bracket, Breather Hose And Breather Pipe With Torque Specification
    G05485665Courtesy of AMERICAN HONDA MOTOR CO., INC.
  5. Install exhaust pipe A with the new self-locking nuts, its mount (B), and new gaskets (C) (D).
    Fig 4: Exhaust Pipe Self-Locking Nuts With Torque Specifications
    G05485666Courtesy of AMERICAN HONDA MOTOR CO., INC.
  6. Install the front subframe stiffener with the new mounting bolts.
    Fig 5: Front Subframe Stiffener Mounting Bolts With Torque Specification
    G05485667Courtesy of AMERICAN HONDA MOTOR CO., INC.
  7. Refill the transfer assembly with transfer fluid (hypoid gear oil), if necessary (see TRANSFER ASSEMBLY FLUID REPLACEMENT  ).
  8. Refill the transmission with ATF (see step  7 on ).
  9. Install the transmission undercover.
    Fig 6: Transmission Undercover With Torque Specification
    G05485668Courtesy of AMERICAN HONDA MOTOR CO., INC.