LEMON Manuals: Even more car manuals for everyone: 1960-2025
Home >> Acura >> 2009 >> RDX >> Repair and Diagnosis (Single Page) >> External Pages >> Different car >> Section 1097 (Module Communications Network System) >> Diagnostic Tests >> Communications Network >> Pinpoint Tests >> Pinpoint Test L: The Heating Ventilation Air Conditioning (HVAC) Module Does Not Respond To The Scan Tool >> Pinpoint Test L: The Heating Ventilation Air Conditioning (HVAC) Module Does Not Respond To The Scan Tool
April 5, 2026: LEMON Manuals is launched! Read the announcement.

Pinpoint Test L: The Heating Ventilation Air Conditioning (HVAC) Module Does Not Respond To The Scan Tool

WARNING: This page is about a different car, the 2008 Mercury Mariner and 2008 Ford Escape. However, it is still accessible from the selected car via links, so may be relevant.
NOTE: Use the correct probe adapter(s) when making measurements. Failure to use the correct probe adapter(s) may damage the connector.
  1. L1 CHECK THE HVAC MODULE VOLTAGE SUPPLY CIRCUIT FOR AN OPEN 
    • Key in OFF position.
    • Disconnect: HVAC ModuleC2356a
    • Key in ON position.
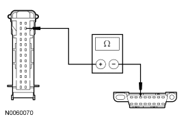
    • Measure the voltage between the HVAC moduleC2356a-12, circuit CBP37 (WH), harness side and ground and between the HVAC module C2356a-13, circuit SBP15 (WH/RD) harness side and ground.
    • Fig 1: Checking Circuits For Voltage
      GF0023537Courtesy of FORD MOTOR CO.
    • Are the voltages greater than 10 volts? 
    1. YES  : Go to  L2.
    2. NO  : VERIFY the smart junction box (SJB) fuse 15 (10A) or fuse 37 (10A) is OK. If OK, REPAIR the circuit in question. CLEAR the DTCs. REPEAT the network test with the scan tool.
  2. L2 CHECK THE HVAC MODULE GROUND CIRCUIT FOR AN OPEN 
    • Key in OFF position.
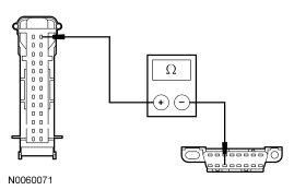
    • Measure the resistance between the HVAC module C2356a-23, circuit GD114 (BK/BU), harness side and ground.
    • Fig 2: Checking Circuit For Open
      GF0023538Courtesy of FORD MOTOR CO.
    • Is the resistance less than 5 ohms? 
    1. YES  : Go to  L3.
    2. NO  : REPAIR the circuit. CLEAR the DTCs. REPEAT the network test with the scan tool.
  3. L3 CHECK THE MS-CAN CIRCUITS BETWEEN THE HVAC MODULE AND THE DATA LINK CONNECTOR (DLC) FOR AN OPEN 
    • Measure the resistance between the HVAC module C2356a-25, circuit VDB06 (GY/OG), harness side and the DLC C251-3, circuit VDB06 (GY/OG), harness side.
    • Fig 3: Checking MS-CAN Circuit For Open
      GF0023539Courtesy of FORD MOTOR CO.
    • Measure the resistance between the HVAC moduleC2356a-26, circuit VDB07 (VT/OG), harness side and the DLC C251-11, circuit VDB07 (VT/OG), harness side.
    • Fig 4: Checking MS-CAN Circuit For Open
      GF0023540Courtesy of FORD MOTOR CO.
    • Are the resistances less than 5 ohms? 
    1. YES  : Go to  L4.
    2. NO  : REPAIR the circuit in question. CLEAR the DTCs. REPEAT the network test with the scan tool.
  4. L4 CHECK FOR CORRECT HVAC MODULE OPERATION 
    • Disconnect all the HVAC module connectors.
    • Check for:
      • corrosion
      • damaged pins
      • pushed-out pins
    • Connect all the HVAC module connectors and make sure they seat correctly.
    • Operate the system and verify the concern is still present.
    • Is the concern still present? 
    1. YES  : INSTALL a new HVAC module. REFER to CLIMATE CONTROL SYSTEM - GENERAL INFORMATION AND DIAGNOSTICS article or CLIMATE CONTROL SYSTEM - GENERAL INFORMATION AND DIAGNOSTICS - HYBRID article. CLEAR the DTCs. REPEAT the network test with the scan tool.
    2. NO  : The system is operating correctly at this time. The concern may have been caused by a loose or corroded connector. CLEAR the DTCs. REPEAT the network test with the scan tool.