LEMON Manuals: Even more car manuals for everyone: 1960-2025
Home >> Acura >> 2009 >> RL V6-3.7L >> Repair and Diagnosis >> Powertrain Management >> Computers and Control Systems >> Description and Operation >> Part 2
April 5, 2026: LEMON Manuals is launched! Read the announcement.

Part 2




Idle Control System

When the engine is cold, the A/C compressor is on, the transmission is in gear, the brake pedal is pressed, the power steering load is high, or the alternator is charging, the PCM sends signals to the throttle actuator to maintain the correct idle speed.

Brake Pedal Position Switch

The brake pedal position switch signals the PCM when the brake pedal is pressed.

Power Steering Pressure (PSP) Switch

The PSP switch signals the PCM when the power steering load is high.

Fuel Supply System

Fuel Cutoff Control

During deceleration with the throttle valve closed, current to the injectors is cut off to improve fuel economy at engine speeds over 850 rpm. Fuel cutoff control also occurs when the engine speed exceeds 6,900 rpm, regardless of the position of the throttle valve, to protect the engine from over-reving. When the vehicle is stopped, the PCM cuts the fuel at engine speeds over 4,000 rpm. On a cold engine, fuel cut occurs at a lower engine speed.

Fuel Pump Control

When the ignition is turned on, the PCM grounds PGM-FI main relay 2 (FUEL PUMP) which feeds current to the fuel pump (fuel pump control module) for 2 seconds to pressurize the fuel system. With the engine running, the PCM grounds PGM-FI main relay 2 (FUEL PUMP) and feeds current to the fuel pump (fuel pump control module). When the engine is not running and the ignition is on, the PCM cuts ground to PGM-FI main relay 2 (FUEL PUMP) which cuts current to the fuel pump (fuel pump control module).

PGM-FI Main Relay 1 (FI MAIN) and 2 (FUEL PUMP)

PGM-FI main relay 1 (FI MAIN) is energized whenever the ignition switch is ON (II) to supply battery voltage to the PCM, power to the injectors, and power for PGM-FI main relay 2 (FUEL PUMP). PGM-FI main relay 2 (FUEL PUMP) is energized to supply power to the fuel pump for 2 seconds when the ignition switch is turned ON (II), and when the engine is cranking or running.

Transfer Fuel Pump

The fuel in the right side of the fuel tank is drawn over to the left side by the transfer fuel pump.

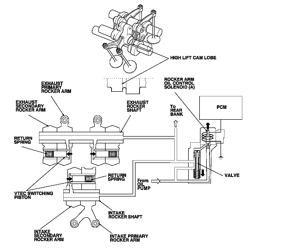
VTEC System

- The VTEC system changes the cam profile to correspond to engine speed. It maximizes torque at low engine speed and output at high engine speed. The low lift cam is used at low engine speeds, and the high lift cam is used at high engine speeds.

- Both intake valve side and exhaust valve side have primary and secondary rocker arms. These rocker arms are locked and separated to change the cam profile by switching the oil passages. A roller rocker is used to minimize mechanical friction.





- The oil passages is switched by the rocker arm oil control valve. The rocker arm oil control valve is controlled by the rocker arm oil control solenoid. The rocker arm oil pressure switch detects VTEC system oil pressure and sends this information to the PCM.





VTEC System Operation

At low engine speed

The rocker arm oil control solenoid is turned off by the PCM. Oil pressure from the rocker arm oil control valve does not enter the rocker shaft. The primary and secondary rocker arms are separated by a return spring and lifted by low lift cam lobe.






VTEC System Operation

At high engine speed

The rocker arm oil control solenoid is turned on by the PCM. Oil pressure from the rocker arm control solenoid enters into the intake secondary rocker arm and the exhaust primary rocker arm via the rocker shaft, and it moves the VTEC switching piston in the intake primary rocker arm and the exhaust secondary rocker arm.

This causes the VTEC switching piston to side into the secondary rocker arm, locking the primary and secondary rocker arms together. Both rocker arms are lifted by high lift cam lobe.






Catalytic Converter System

Warm Up Three Way Catalytic Converter (WU-TWC) and Under-Floor Three Way Catalytic Converter (TWC)

The WU-TWC/TWC converts hydrocarbons (HC), carbon monoxide (CO), and oxides of nitrogen (NOx) in the exhaust gas to carbon dioxide (CO2), nitrogen (N2), and water vapor.

WU-TWC





TWC





Exhaust Gas Recirculation (EGR) System

Refer to the system diagram to see a functional layout of the system.

EGR Valve

The EGR valve lowers peak combustion temperatures and reduces oxides of nitrogen emissions (NOx) by recirculating exhaust gas through the intake manifold and into the combustion chambers.

Positive Crankcase Ventilation (PCV) System

The PCV valve prevents blow-by gasses from escaping into the atmosphere by venting them into the intake manifold.






Evaporative Emission (EVAP) Control System

Refer to the system diagram to see a functional layout of the system.

EVAP Canister

The EVAP canister temporarily stores fuel vapor from the fuel tank until it can be purged from the EVAP canister into the engine and burned.

EVAP Canister Purge Valve

When the engine coolant temperature is below 140 °F (60 °C), the PCM turns off the EVAP canister purge valve which cuts vacuum to the EVAP canister.






Fuel Tank Pressure (FTP) Sensor

The FTP sensor converts fuel tank absolute pressure into an electrical input to the PCM.






EVAP Canister Vent Shut Valve

The EVAP canister vent shut valve is on the EVAP canister.

The EVAP canister vent shut valve controls the venting of the EVAP canister.






Fuel Cap Warning Message

The PCM detects a loose or missing fuel fill cap as an evaporative system leak and alerts the driver by showing a warning message in the multi-information display.

First drive cycle

The first time a leak is detected a TIGHTEN FUEL CAP message appears in the multi-information display (A). To scroll to another message, press the select/reset button. The TIGHTEN FUEL CAP message appears each time you restart the engine until the system turns the message off. Turn the engine off then replace or tighten the fuel fill cap until it clicks at least once.






To make the message go off (with the HDS)

Procedure

1. Tighten the fuel fill cap until it clicks.

2. Clear the Temporary DTC with the HDS.

3. Verify there is no leak by doing the EVAP FUNCTION TEST in the INSPECTION MENU with the HDS.

To make the message go off (without the HDS)

Procedure

4. Tighten the fuel fill cap until it clicks.

5. Start the engine, then turn the ignition switch to LOCK (0).

6. Repeat step 5 two more times.

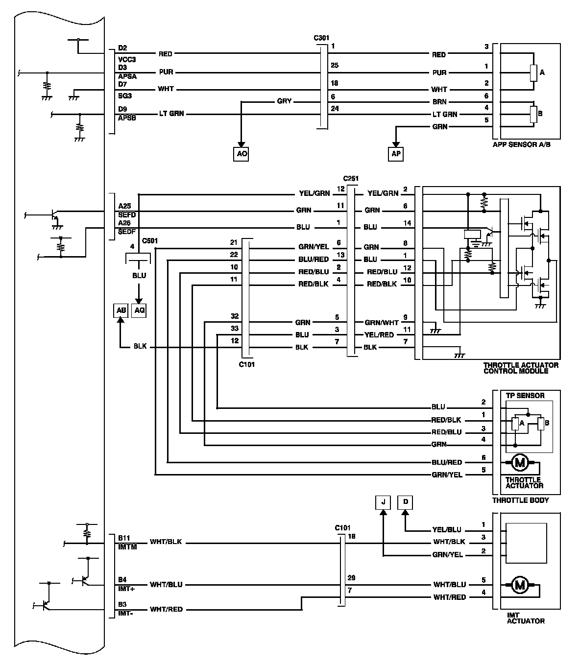
Electronic Throttle Control System Diagram

The electronic throttle control system consists of the throttle actuator, throttle position (TP) sensor A/B, accelerator pedal position (APP) sensor A/B, the electronic throttle control system (ETCS) control relay, and the PCM.






Intake Manifold Tuning (IMT) Valve System

Engine power is adjusted by opening and closing the intake manifold tuning (IMT) valve. When the valve is closed, there is high torque at low engine speed. When the valve is open, there is high torque at high engine speed.

The intake manifold tuning (IMT) actuator contains a sensor that detects the IMT valve position and sends it to the PCM.






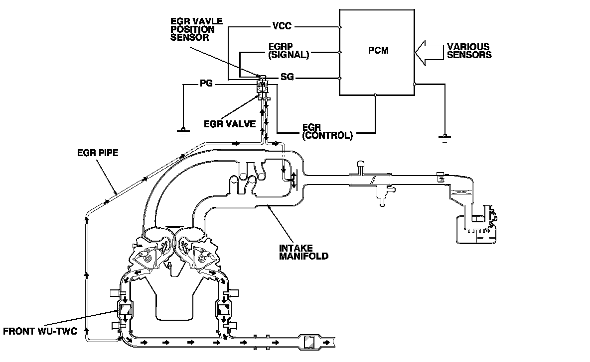
Exhaust Gas Recirculation (EGR) System Diagram

The EGR system reduces oxides of nitrogen (NOx) emissions by recirculating exhaust gas through the EGR pipe and the intake manifold, and into the combustion chambers. Routing the exhaust gas through the EGR pipe helps to prevent carbon deposits from forming in the intake manifold and the throttle body. The PCM memory includes the ideal EGR valve position for varying operating conditions.

The EGR valve position sensor detects the amount of EGR valve lift and sends it to the PCM. The PCM then compares it with the ideal lift in its memory (based on signals sent from other sensors). If there is any difference between the two, the PCM cuts current to the EGR valve.






Evaporative Emission (EVAP) Control Diagram

The EVAP controls minimize the amount of fuel vapor escaping to the atmosphere. Vapor from the fuel tank is temporarily stored in the EVAP canister until it can be purged from the canister into the engine and burned.

- The EVAP canister is purged by drawing fresh air through it and into a port on the intake manifold.
The purging vacuum is controlled by the EVAP canister purge valve, which operates whenever engine coolant temperature is above 140 °F (60 °C).

- During refueling, the fuel tank vapor control valve opens with the pressure in the fuel tank, and feeds the fuel vapor to the EVAP canister.





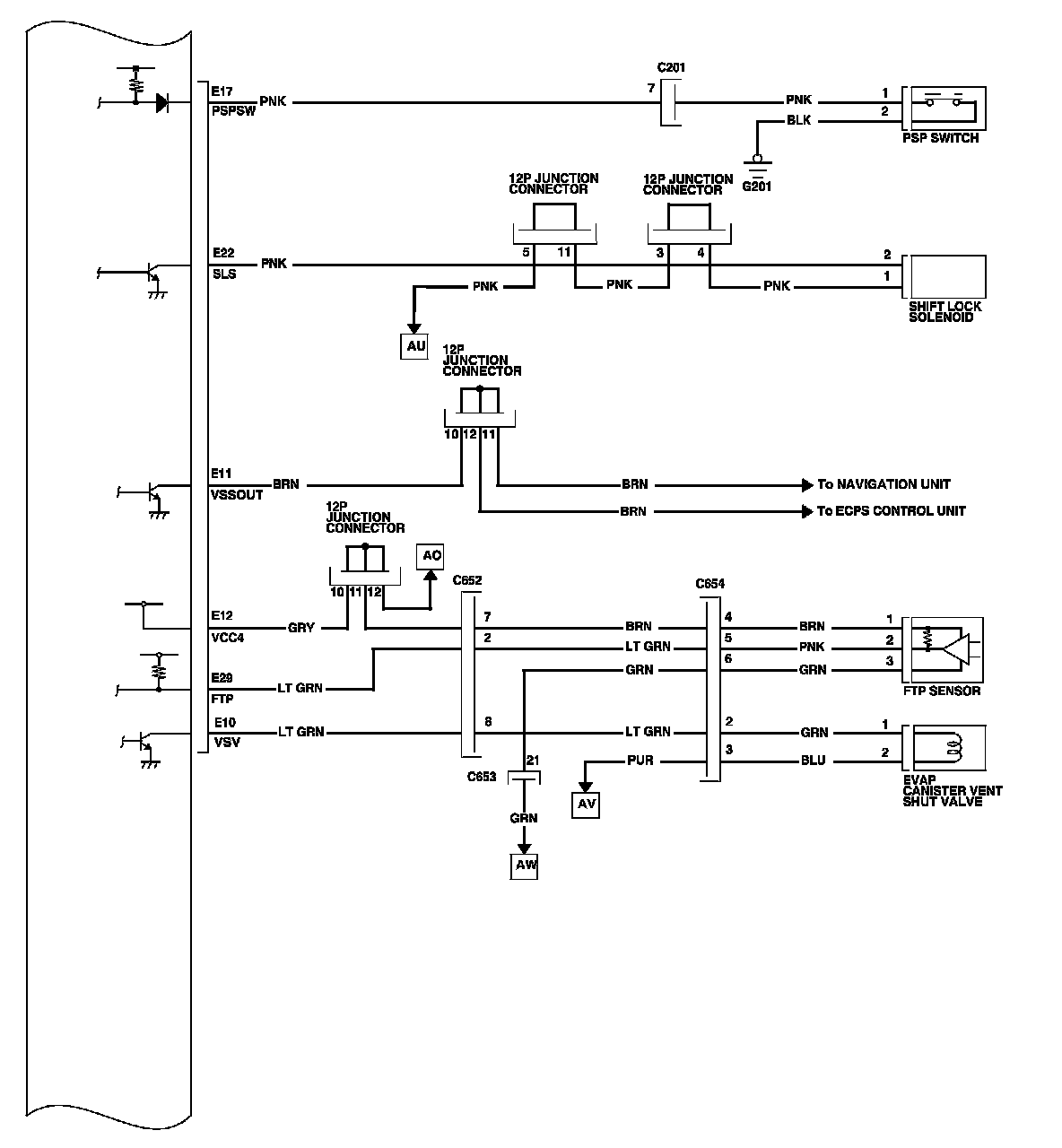
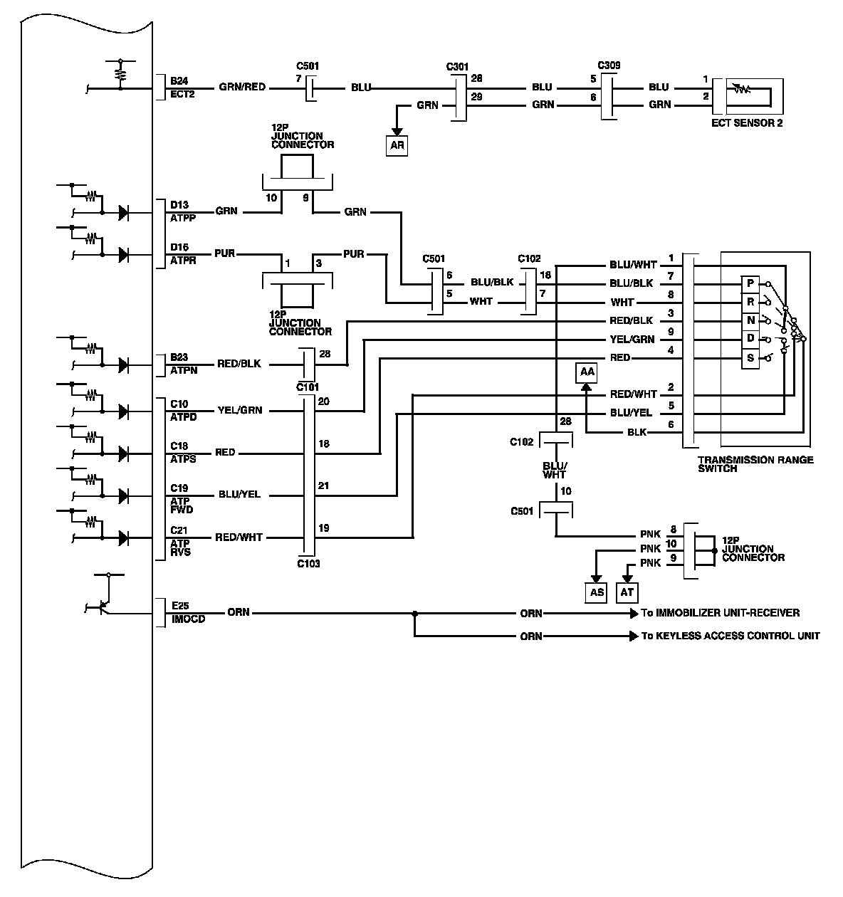
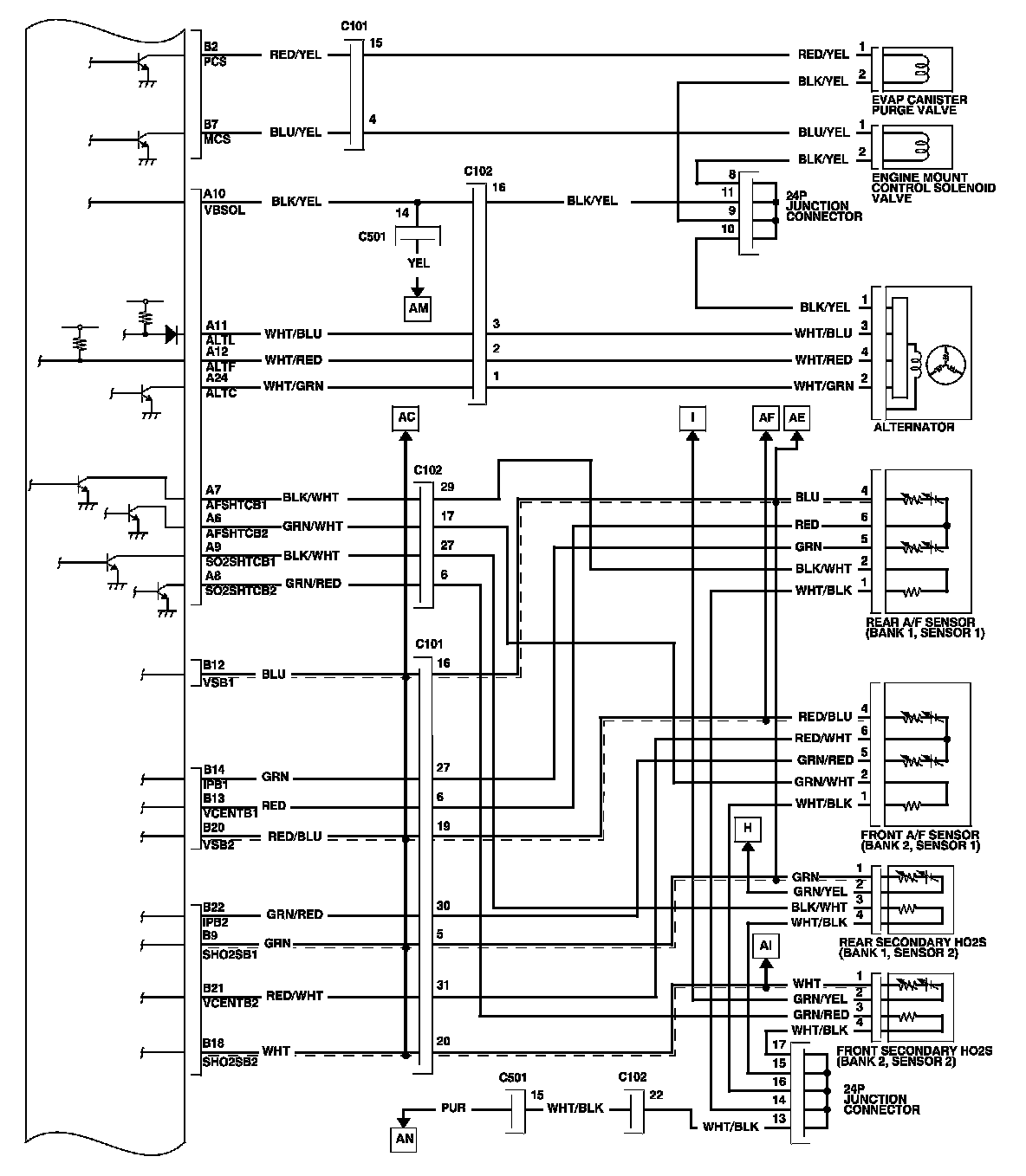
PCM Circuit Diagram





PCM Circuit Diagram (cont'd)









PCM Circuit Diagram (cont'd)









PCM Circuit Diagram (cont'd)









PCM Circuit Diagram (cont'd)









PCM Circuit Diagram (cont'd)









PCM Circuit Diagram (cont'd)









PCM Circuit Diagram (cont'd)