LEMON Manuals: Even more car manuals for everyone: 1960-2025
Home >> Acura >> 2009 >> RL >> Repair and Diagnosis (Single Page) >> Accessories & Equipment >> Memory Modules >> Driver Position Memory System (DPMS) >> Circuit Diagram - Power Tilt/Telescopic Steering
April 5, 2026: LEMON Manuals is launched! Read the announcement.

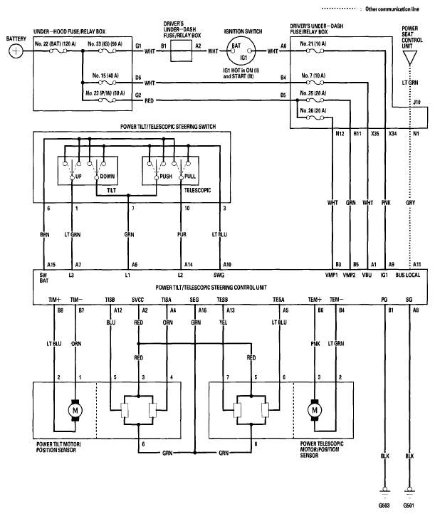
Circuit Diagram - Power Tilt/Telescopic Steering

Fig 1: Power Tilt/Telescopic Steering - Circuit Diagram
G06160886Courtesy of AMERICAN HONDA MOTOR CO., INC.