LEMON Manuals: Even more car manuals for everyone: 1960-2025
Home >> Acura >> 2009 >> RL >> Repair and Diagnosis >> Engine Performance >> Tune-Up >> Ignition System >> Circuit Diagram
April 5, 2026: LEMON Manuals is launched! Read the announcement.

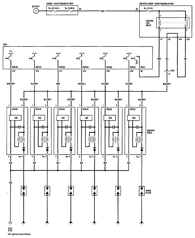
Circuit Diagram

Fig 1: Ignition System Circuit Diagram
G06163220Courtesy of AMERICAN HONDA MOTOR CO., INC.