LEMON Manuals: Even more car manuals for everyone: 1960-2025
Home >> Acura >> 2009 >> RL >> Repair and Diagnosis >> Transmission >> Automatic Trans >> Automatic Transmission >> Shift Lever Installation
April 5, 2026: LEMON Manuals is launched! Read the announcement.

Shift Lever Installation

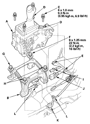
  1. Install the shift lever bracket (A) on the shift lever bracket base (B) with the four bolts (C).
    Fig 1: Locating Shift Lever Bracket And Shift Lever Bracket Base With Torque Specifications
    G06164593Courtesy of AMERICAN HONDA MOTOR CO., INC.
  2. Install the shift lever assembly by aligning the positioning holes (D) with the tips (E) on the console panel.
  3. Loosely install the mounting bolt (F) on the left front of the shift lever, then install and tighten the mounting bolt (G) on the left rear to 22 N.m (2.2 kgf.m, 16 lbf.ft).
  4. Install and tighten the mounting bolts (H) on the right side, then tighten the left front bolt to 22 N.m (2.2 kgf.m, 16 lbf.ft).
  5. Connect the shift lock solenoid connector (I), park pin switch/A/T gear position indicator panel light connector (J), and the sensor cluster connector (K).
  6. Install the harness clamps (L) on the shift lever bracket.
  7. Install the shift cable on the shift lever bracket, and adjust the shift cable (see SHIFT CABLE ADJUSTMENT ).