LEMON Manuals: Even more car manuals for everyone: 1960-2025
Home >> Acura >> 2009 >> TL Base >> Repair and Diagnosis (Single Page) >> Body & Frame >> Seats >> Driver Position Memory System (DPMS) >> Circuit Diagram >> Circuit Diagram - Power Mirror
April 5, 2026: LEMON Manuals is launched! Read the announcement.

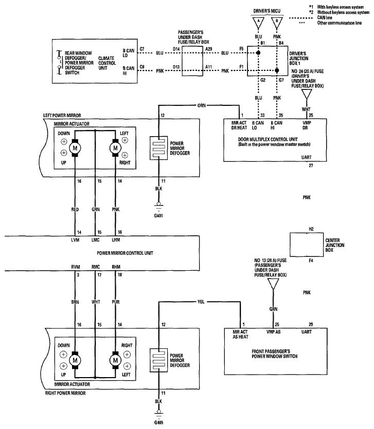
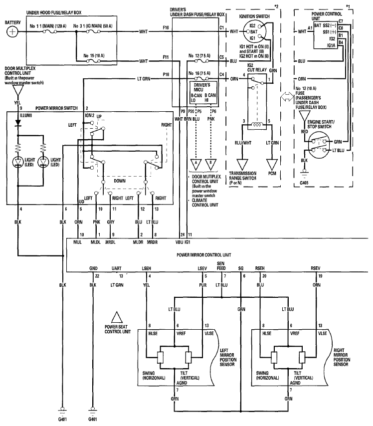
Circuit Diagram - Power Mirror

Fig 1: Power Mirror - Circuit Diagram (1 Of 2)
G05989188Courtesy of AMERICAN HONDA MOTOR CO., INC.
Fig 2: Power Mirror - Circuit Diagram (2 Of 2)
G05989189Courtesy of AMERICAN HONDA MOTOR CO., INC.